MYLEX CORPORATION

BT-948

Card Type

Hard drive controller card

Hard Drives supported

Up to 7 SCSI devices

Floppy drives supported

None

Data Bus

32-bit PCI

Card Size

Half-length, full-height card

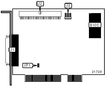
CONNECTIONS

Function

Location

Function

Location

68-pin SCSI connector - external

J1

4-pin connector - drive active LED

J3

50-pin SCSI connector - internal

J2

   

USER CONFIGURABLE SETTINGS

Function

Label

Position

»

Factory configured - do not alter

JP1

Unidentified