PINE TECHNOLOGY
PT-606E
|
Card Type |
Controller card |
|
Maximum Onboard Memory |
Unidentified |
|
Hard Drives supported |
Two IDE (AT) drives |
|
Floppy drives supported |
Two 360KB, 720KB, 1.2MB, or 1.44MB drives |
|
I/O Options |
Floppy drive interface, game port, IDE interface (2), parallel port, serial ports (2) |
|
Data Bus |
16-bit ISA |
|
Card Size |
Half-length, full-height |
|
CONNECTIONS | |||
|
Function |
Label |
Function |
Label |
|
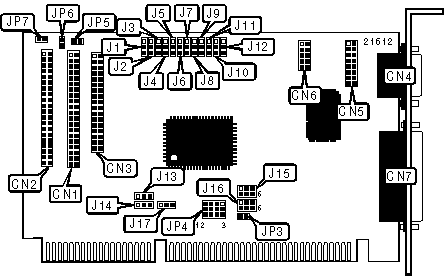
40-pin secondary IDE(AT) connector |
CN1 |
10-pin serial port 2 - internal |
CN6 |
|
40-pin primary IDE(AT) connector |
CN2 |
25-pin parallel port - external |
CN7 |
|
34-pin cable connector - floppy drive |
CN3 |
2-pin connector - primary IDE drive active LED |
JP6 |
|
9-pin serial port 1 - external |
CN4 |
2-pin connector - secondary IDE drive active LED |
JP7 |
|
16-pin game port - internal |
CN5 | ||
|
USER CONFIGURABLE SETTINGS | |||
|
Function |
Label |
Position | |
| » |
Game port enabled |
J1 |
Pins 1 & 2 closed |
|
Game port disabled |
J1 |
Pins 2 & 3 closed | |
| » |
Floppy drive interface enabled |
J3 |
Pins 1 & 2 closed |
|
Floppy drive interface disabled |
J3 |
Pins 2 & 3 closed | |
| » |
Primary IDE enabled |
J5 |
Pins 1 & 2 closed |
|
Primary IDE disabled |
J5 |
Pins 2 & 3 closed | |
| » |
Secondary IDE enabled |
J6 |
Pins 1 & 2 closed |
|
Secondary IDE disabled |
J6 |
Pins 2 & 3 closed | |
| » |
External floppy enabled |
J12 |
Pins 1 & 2 closed |
|
External floppy disabled |
J12 |
Pins 2 & 3 closed | |
| » |
ECP enabled |
J13 |
Pins 1 & 2 closed |
|
ECP disabled |
J13 |
Pins 2 & 3 closed | |
| » |
Factory configured - do not alter |
J14 |
Pins 1 & 2 closed |
| » |
Factory configured - do not alter |
J17 |
Unidentified |
| » |
IOCHRDY signal enabled |
JP3 |
Closed |
|
IOCHRDY signal disabled |
JP3 |
Open | |
| » |
IDE channels use same IDE LED |
JP5 |
Closed |
|
IDE channels use separate IDE LEDs |
JP5 |
Open | |
|
PARALLEL PORT ADDRESS SELECTION | ||
|
Setting |
J4 | |
| » |
LPT1 (378h) |
Pins 1 & 2 closed |
|
LPT2 (278h) |
Pins 2 & 3 closed | |
|
SERIAL PORT ADDRESS SELECTION | ||||
|
Setting |
J7 |
J8 |
J9 |
J10 |
|
COM1 (3F8h) |
Pins 1 & 2 closed |
Pins 1 & 2 closed |
N/A |
N/A |
|
COM2 (2F8h) |
N/A |
N/A |
Pins 1 & 2 closed |
Pins 1 & 2 closed |
|
COM3 (3E8h) |
Pins 1 & 2 closed |
Pins 2 & 3 closed |
N/A |
N/A |
|
COM4 (2E8h) |
N/A |
N/A |
Pins 1 & 2 closed |
Pins 2 & 3 closed |
|
Disabled |
Pins 2 & 3 closed |
N/A |
Pins 2 & 3 closed |
N/A |
|
INTERRUPT SELECTION | ||
|
IRQ (Send) |
IRQ (Receive) |
JP4 |
|
3 |
3 |
Pins 11 & 12 closed |
|
3 |
4 |
Pins 10 & 11 closed |
|
4 |
3 |
Pins 8 & 9 closed |
|
4 |
4 |
Pins 7 & 8 closed |
|
5 |
3 |
Pins 5 & 6 closed |
|
5 |
4 |
Pins 4 & 5 closed |
|
9 |
3 |
Pins 2 & 3 closed |
|
9 |
4 |
Pins 1 & 2 closed |
|
PARALLEL PORT MODE SELECTION | |||
|
Setting |
J2 |
J11 | |
| » |
SPP |
Pins 2 & 3 closed |
Pins 1 & 2 closed |
|
ECP |
Pins 1 & 2 closed |
Pins 1 & 2 closed | |
|
EPP |
Pins 1 & 2 closed |
Pins 2 & 3 closed | |
|
DACK/DRQ SELECTION | |||||
|
Setting |
DACK |
DRQ |
J15 |
J16 | |
| » |
SPP |
N/A |
N/A |
Pins 5 & 6 closed |
Pins 1 & 2 closed |
|
ECP/EPP |
3 |
1 |
Pins 1 & 2 closed |
Pins 3 & 4 closed | |
|
ECP/EPP |
3 |
3 |
Pins 3 & 4 closed |
Pins 5 & 6 closed | |