APRICOT COMPUTERS LIMITED
XEN-PC/PCM
|
Processor |
CX486M6/CX486CXM6 &C6/80486SX/CX486M7/80486DX/80486DX2/Pentium Overdrive/Pentium |
|
Processor Speed |
25/33/40/50(internal)/60/66(internal)/66MHz |
|
Chip Set |
ALI/Intel/VLSI |
|
Max. Onboard DRAM |
128MB |
|
Cache |
64/128/256/512KB |
|
BIOS |
Unidentified |
|
Dimensions |
330mm x 218mm |
|
I/O Options |
32-bit PCI local bus slot (on riser card), floppy drive interface, IDE interface, parallel port, PS/2 mouse port, serial ports (2), VGA port |
|
NPU Options |
None |
|
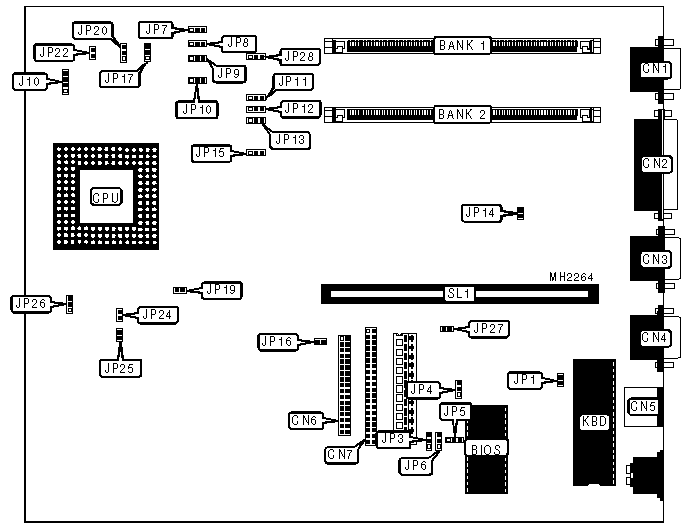
CONNECTIONS | |||
|
Purpose |
Location |
Purpose |
Location |
|
VGA port |
CN1 |
PS/2 mouse port |
CN5 |
|
Parallel port |
CN2 |
Floppy drive interface |
CN6 |
|
Serial port 1 |
CN3 |
IDE interface |
CN7 |
|
Serial port 2 |
CN4 |
Riser Card |
SL1 |
|
USER CONFIGURABLE SETTINGS | |||
|
Function |
Jumper |
Position | |
|
» |
Factory configured - do not alter |
J10 |
Open |
|
» |
BIOS type select original |
JP1 |
Open |
|
BIOS type select OEM |
JP1 |
Closed | |
|
» |
Security enabled |
JP2 |
pins 1 & 2 closed |
|
Security disabled |
JP2 |
pins 2 & 3 closed | |
|
» |
Factory configured - do not alter |
JP3 |
Open |
|
» |
BIOS type select Flash |
JP4 |
pins 1 & 2 closed |
|
BIOS type select EPROM |
JP4 |
pins 2 & 3 closed | |
|
» |
Floppy drive select normal |
JP5 |
pins 1 & 2 closed |
|
Floppy drive select 3 mode |
JP5 |
pins 2 & 3 closed | |
|
» |
IDE I/O address select 03xH |
JP6 |
pins 1 & 2 closed |
|
IDE I/O address select 0BxH |
JP6 |
pins 2 & 3 closed | |
|
» |
On board video disabled |
JP14 |
Open |
|
On board video enabled |
JP14 |
Closed | |
|
» |
IDE interface enabled |
JP16 |
Open |
|
IDE interface disabled |
JP16 |
Closed | |
|
» |
Factory configured - do not alter |
JP19 |
Open |
|
» |
Key select locked |
JP22 |
Open |
|
Key select unlocked |
JP22 |
Closed | |
|
» |
On board memory enabled |
JP28 |
pins 1 & 2 closed |
|
On board memory disabled |
JP28 |
pins 2 & 3 closed | |
|
Note: The location of JP2 is unknown. | |||
|
DRAM CONFIGURATION (NON PENTIUM) | ||
|
Size |
Bank 1 |
Bank 2 |
|
4MB |
NONE |
NONE |
|
8MB |
NONE |
(1) 1M x 36 |
|
8MB |
(1) 1M x 36 |
NONE |
|
12MB |
NONE |
(1) 2M x 36 |
|
12MB |
(1) 1M x 36 |
(1) 1M x 36 |
|
16MB |
(1) 1M x 36 |
(1) 2M x 36 |
|
20MB |
NONE |
(1) 4M x 36 |
|
20MB |
(1) 4M x 36 |
NONE |
|
24MB |
(1) 1M x 36 |
(1) 4M x 36 |
|
24MB |
(1) 4M x 36 |
(1) 1M x 36 |
|
28MB |
(1) 4M x 36 |
(1) 2M x 36 |
|
36MB |
(1) 4M x 36 |
(1) 4M x 36 |
|
Note: Bank 0 contains 4MB & is factory installed. | ||
|
DRAM CONFIGURATION (PENTIUM) | ||
|
Size |
Bank 1 |
Bank 2 |
|
8MB |
NONE |
NONE |
|
16MB |
(1) 1M x 36 |
(1) 1M x 36 |
|
16MB |
(1) 2M x 36 |
NONE |
|
20MB |
(1) 1M x 36 |
(1) 2M x 36 |
|
24MB |
(1) 2M x 36 |
(1) 2M x 36 |
|
24MB |
(1) 4M x 36 |
NONE |
|
28MB |
(1) 1M x 36 |
(1) 4M x 36 |
|
32MB |
(1) 2M x 36 |
(1) 4M x 36 |
|
40MB |
(1) 4M x 36 |
(1) 4M x 36 |
|
40MB |
(1) 8M x 36 |
NONE |
|
44MB |
(1) 1M x 36 |
(1) 8M x 36 |
|
48MB |
(1) 2M x 36 |
(1) 8M x 36 |
|
56MB |
(1) 4M x 36 |
(1) 8M x 36 |
|
72MB |
(1) 8M x 36 |
(1) 8M x 36 |
|
72MB |
(1) 16M x 36 |
NONE |
|
76MB |
(1) 1M x 36 |
(1) 16M x 36 |
|
80MB |
(1) 2M x 36 |
(1) 16M x 36 |
|
88MB |
(1) 4M x 36 |
(1) 16M x 36 |
|
104MB |
(1) 8M x 36 |
(1) 16M x 36 |
|
128MB |
(1) 16M x 36 |
(1) 16M x 36 |
|
Note: Bank 0 contains 8MB & is factory installed. When 128MB is installed, the on board memory is disabled. | ||
|
CACHE CONFIGURATION |
|
Note: The location and bank configuration of cache is unknown. |
|
CACHE JUMPER CONFIGURATION | |||
|
Size |
JP24 |
JP25 |
JP26 |
|
64KB |
Open |
Open |
pins 1 & 2 closed |
|
128KB |
Open |
Closed |
pins 2 & 3 closed |
|
256KB |
Closed |
Closed |
pins 1 & 2 closed |
|
Note: The jumper settings for 512KB cache is unknown. | |||
|
CPU TYPE CONFIGURATION | |||||||
|
Type |
JP11 |
JP12 |
JP13 |
JP15 |
JP18 |
JP20 |
JP27 |
|
CX486M6 |
2 & 3 |
1 & 2 |
2 & 3 |
2 & 3 |
2 & 3 |
1 & 2 |
Open |
|
CX486M7 |
2 & 3 |
1 & 2 |
1 & 2 |
2 & 3 |
2 & 3 |
2 & 3 |
Open |
|
CXM6 & C6 |
2 & 3 |
1 & 2 |
2 & 3 |
2 & 3 |
2 & 3 |
1 & 2 |
Open |
|
80486 |
1 & 2 |
1 & 2 |
1 & 2 |
1 & 2 |
2 & 3 |
2 & 3 |
Open |
|
P24T |
1 & 2 |
2 & 3 |
1 & 2 |
2 & 3 |
1 & 2 |
2 & 3 |
Closed |
|
Note: The jumper settings for the Pentium processor are unknown. Pins designated should be in the closed position. The location of JP18 is unknown. | |||||||
|
CPU SPEED CONFIGURATION | |||||
|
Speed |
JP7 |
JP8 |
JP9 |
JP10 |
JP17 |
|
25MHz |
2 & 3 |
2 & 3 |
1 & 2 |
2 & 3 |
2 & 3 |
|
33MHz |
1 & 2 |
2 & 3 |
1 & 2 |
2 & 3 |
2 & 3 |
|
40MHz |
1 & 2 |
1 & 2 |
2 & 3 |
1 & 2 |
1 & 2 |
|
50iMHz |
2 & 3 |
2 & 3 |
1 & 2 |
2 & 3 |
2 & 3 |
|
50MHz |
2 & 3 |
2 & 3 |
1 & 2 |
1 & 2 |
1 & 2 |
|
66iMHz |
1 & 2 |
2 & 3 |
1 & 2 |
2 & 3 |
2 & 3 |
|
Note: The jumper settings for the Pentium processor are unknown. Pins designated should be in the closed position. | |||||
|
MISCELLANEOUS TECHNICAL NOTE |
|
Note:Not all options listed in this document are available on each motherboard. |