AST RESEARCH, INC.
MANHATTAN V PENTIUM
(202620-001, 002, 011, 012)
|
Processor |
Pentium |
|
Processor Speed |
90/100/133MHz |
|
Chip Set |
Unidentified |
|
Max. Onboard DRAM |
256MB |
|
Cache |
256KB |
|
BIOS |
Unidentified |
|
Dimensions |
330mm x 218mm |
|
I/O Options |
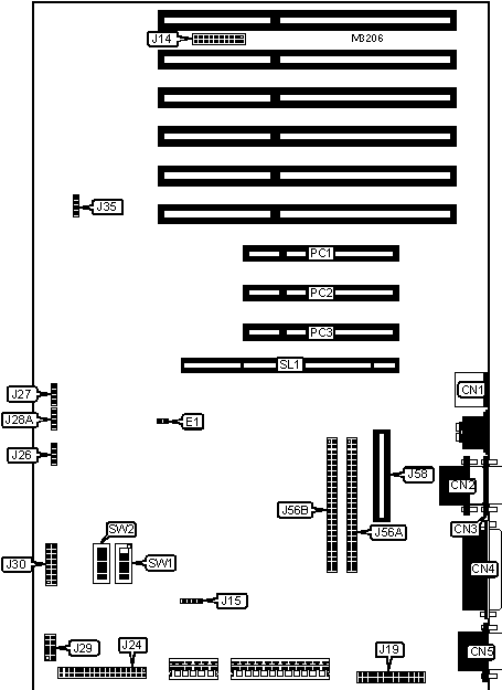
32-bit PCI slots (3), CPU slot, floppy drive interface, SCSI interfaces (2), parallel port, PS/2 mouse port, serial ports (2), 8514 video pass through connector, VGA port |
|
NPU Options |
None |
|
CONNECTIONS | |||
|
Purpose |
Location |
Purpose |
Location |
|
PS/2 mouse port |
CN1 |
Speaker |
J27 |
|
Serial port |
CN2 |
Chassis fan power |
J28A |
|
Serial port |
CN3 |
Front panel console LED |
J29 |
|
Parallel port |
CN4 |
SCSI interface LED |
J35 |
|
VGA port |
CN5 |
Internal SCSI interface |
J56A |
|
System management interface |
J14 |
External SCSI interface |
J56B |
|
Remote power connector |
J15 |
XP interface board connector |
J58 |
|
8514 video pass through connector |
J19 |
32-bit PCI slots |
PC1 - PC3 |
|
Floppy drive interface |
J24 |
CPU slot |
SL1 |
|
External battery |
J26 | ||
|
USER CONFIGURABLE SETTINGS | |||
|
Function |
Jumper/Switch |
Position | |
|
» |
CMOS memory normal operation |
E1 |
Open |
|
CMOS memory clear |
E1 |
Closed | |
|
» |
Factory configured - do not alter |
J30 |
N/A |
|
» |
Flash BIOS normal operation |
SW1/1 |
Off |
|
Flash BIOS force update at boot |
SW1/1 |
On | |
|
» |
Password enabled |
SW1/2 |
Off |
|
Password disabled |
SW1/2 |
On | |
|
» |
Monitor type select color |
SW1/3 |
Off |
|
Monitor type select monochrome |
SW1/3 |
On | |
|
» |
EISA CMOS memory normal operation |
SW1/4 |
Off |
|
EISA CMOS memory clear |
SW1/4 |
On | |
|
» |
Setup access enabled |
SW1/5 |
Off |
|
Setup access disabled |
SW1/5 |
On | |
|
» |
Factory configured - do not alter |
SW2 |
N/A |
|
CONNECTIONS | |||
|
Purpose |
Location |
Purpose |
Location |
|
Chassis fan power |
J2 |
Chassis fan power |
J3 |
|
USER CONFIGURABLE SETTINGS | |||
|
Function |
Switch |
Position | |
|
» |
Factory configured - do not alter |
SW1 |
N/A |
|
DRAM CONFIGURATION | ||||
|
Size |
Bank 0 |
Bank 1 |
Bank 2 |
Bank 3 |
|
16MB |
(2) 2M x 36 |
NONE |
NONE |
NONE |
|
32MB |
(2) 2M x 36 |
(2) 2M x 36 |
NONE |
NONE |
|
32MB |
(2) 4M x 36 |
NONE |
NONE |
NONE |
|
48MB |
(2) 4M x 36 |
(2) 2M x 36 |
NONE |
NONE |
|
64MB |
(2) 2M x 36 |
(2) 2M x 36 |
(2) 4M x 36 |
NONE |
|
64MB |
(2) 8M x 36 |
NONE |
NONE |
NONE |
|
80MB |
(2) 2M x 36 |
(2) 4M x 36 |
(2) 4M x 36 |
NONE |
|
80MB |
(2) 8M x 36 |
(2) 2M x 36 |
NONE |
NONE |
|
80MB |
(2) 4M x 36 |
(2) 2M x 36 |
(2) 4M x 36 |
NONE |
|
96MB |
(2) 2M x 36 |
(2) 2M x 36 |
(2) 4M x 36 |
(2) 4M x 36 |
|
96MB |
(2) 2M x 36 |
(2) 2M x 36 |
(2) 8M x 36 |
NONE |
|
96MB |
(2) 4M x 36 |
(2) 4M x 36 |
(2) 4M x 36 |
NONE |
|
112MB |
(2) 2M x 36 |
(2) 4M x 36 |
(2) 4M x 36 |
(2) 4M x 36 |
|
112MB |
(2) 2M x 36 |
(2) 4M x 36 |
(2) 8M x 36 |
NONE |
|
112MB |
(2) 2M x 36 |
(2) 8M x 36 |
(2) 4M x 36 |
NONE |
|
112MB |
(2) 8M x 36 |
(2) 2M x 36 |
(2) 4M x 36 |
NONE |
|
112MB |
(2) 4M x 36 |
(2) 2M x 36 |
(2) 4M x 36 |
(2) 4M x 36 |
|
DRAM CONFIGURATION (CON'T) | ||||
|
Size |
Bank 0 |
Bank 1 |
Bank 2 |
Bank 3 |
|
112MB |
(2) 4M x 36 |
(2) 2M x 36 |
(2) 8M x 36 |
NONE |
|
128MB |
(2) 2M x 36 |
(2) 2M x 36 |
(2) 4M x 36 |
(2) 8M x 36 |
|
128MB |
(2) 2M x 36 |
(2) 2M x 36 |
(2) 8M x 36 |
(2) 4M x 36 |
|
128MB |
(2) 8M x 36 |
(2) 4M x 36 |
(2) 4M x 36 |
NONE |
|
128MB |
(2) 4M x 36 |
(2) 4M x 36 |
(2) 4M x 36 |
(2) 4M x 36 |
|
128MB |
(2) 4M x 36 |
(2) 4M x 36 |
(2) 8M x 36 |
NONE |
|
128MB |
(2) 4M x 36 |
(2) 8M x 36 |
(2) 4M x 36 |
NONE |
|
144MB |
(2) 2M x 36 |
(2) 4M x 36 |
(2) 4M x 36 |
(2) 8M x 36 |
|
144MB |
(2) 2M x 36 |
(2) 4M x 36 |
(2) 8M x 36 |
(2) 4M x 36 |
|
144MB |
(2) 2M x 36 |
(2) 8M x 36 |
(2) 4M x 36 |
(2) 4M x 36 |
|
144MB |
(2) 2M x 36 |
(2) 8M x 36 |
(2) 8M x 36 |
NONE |
|
144MB |
(2) 8M x 36 |
(2) 2M x 36 |
(2) 4M x 36 |
(2) 4M x 36 |
|
144MB |
(2) 8M x 36 |
(2) 2M x 36 |
(2) 8M x 36 |
NONE |
|
144MB |
(2) 4M x 36 |
(2) 2M x 36 |
(2) 4M x 36 |
(2) 8M x 36 |
|
144MB |
(2) 4M x 36 |
(2) 2M x 36 |
(2) 8M x 36 |
(2) 4M x 36 |
|
160MB |
(2) 2M x 36 |
(2) 2M x 36 |
(2) 8M x 36 |
(2) 8M x 36 |
|
160MB |
(2) 8M x 36 |
(2) 4M x 36 |
(2) 4M x 36 |
(2) 4M x 36 |
|
160MB |
(2) 8M x 36 |
(2) 4M x 36 |
(2) 8M x 36 |
NONE |
|
160MB |
(2) 8M x 36 |
(2) 8M x 36 |
(2) 4M x 36 |
NONE |
|
160MB |
(2) 4M x 36 |
(2) 4M x 36 |
(2) 4M x 36 |
(2) 8M x 36 |
|
160MB |
(2) 4M x 36 |
(2) 4M x 36 |
(2) 8M x 36 |
(2) 4M x 36 |
|
160MB |
(2) 4M x 36 |
(2) 8M x 36 |
(2) 4M x 36 |
(2) 4M x 36 |
|
160MB |
(2) 4M x 36 |
(2) 8M x 36 |
(2) 8M x 36 |
NONE |
|
176MB |
(2) 2M x 36 |
(2) 4M x 36 |
(2) 8M x 36 |
(2) 8M x 36 |
|
176MB |
(2) 2M x 36 |
(2) 8M x 36 |
(2) 4M x 36 |
(2) 8M x 36 |
|
176MB |
(2) 2M x 36 |
(2) 8M x 36 |
(2) 8M x 36 |
(2) 4M x 36 |
|
176MB |
(2) 8M x 36 |
(2) 2M x 36 |
(2) 4M x 36 |
(2) 8M x 36 |
|
176MB |
(2) 8M x 36 |
(2) 2M x 36 |
(2) 8M x 36 |
(2) 4M x 36 |
|
176MB |
(2) 4M x 36 |
(2) 2M x 36 |
(2) 8M x 36 |
(2) 8M x 36 |
|
192MB |
(2) 8M x 36 |
(2) 4M x 36 |
(2) 4M x 36 |
(2) 8M x 36 |
|
192MB |
(2) 8M x 36 |
(2) 4M x 36 |
(2) 8M x 36 |
(2) 4M x 36 |
|
192MB |
(2) 8M x 36 |
(2) 8M x 36 |
(2) 4M x 36 |
(2) 4M x 36 |
|
192MB |
(2) 8M x 36 |
(2) 8M x 36 |
(2) 8M x 36 |
NONE |
|
192MB |
(2) 4M x 36 |
(2) 4M x 36 |
(2) 8M x 36 |
(2) 8M x 36 |
|
192MB |
(2) 4M x 36 |
(2) 8M x 36 |
(2) 4M x 36 |
(2) 8M x 36 |
|
192MB |
(2) 4M x 36 |
(2) 8M x 36 |
(2) 8M x 36 |
(2) 4M x 36 |
|
208MB |
(2) 2M x 36 |
(2) 8M x 36 |
(2) 8M x 36 |
(2) 8M x 36 |
|
208MB |
(2) 8M x 36 |
(2) 2M x 36 |
(2) 8M x 36 |
(2) 8M x 36 |
|
224MB |
(2) 8M x 36 |
(2) 4M x 36 |
(2) 8M x 36 |
(2) 8M x 36 |
|
224MB |
(2) 8M x 36 |
(2) 8M x 36 |
(2) 4M x 36 |
(2) 8M x 36 |
|
224MB |
(2) 8M x 36 |
(2) 8M x 36 |
(2) 8M x 36 |
(2) 4M x 36 |
|
224MB |
(2) 4M x 36 |
(2) 8M x 36 |
(2) 8M x 36 |
(2) 8M x 36 |
|
256MB |
(2) 8M x 36 |
(2) 8M x 36 |
(2) 8M x 36 |
(2) 8M x 36 |
|
CACHE CONFIGURATION |
|
Note: 256KB cache is factory installed and is not configurable. |