ACER, INC.

V62X

Device Type

Mainboard

Processor

Pentium Pro/Pentium II

Processor Speed

233/266MHz

Chip Set

Unidentified

Video Chip Set

None

Maximum Onboard Memory

384MB (EDO supported)

Maximum Video Memory

None

Cache

256/512KB (located on Pentium Pro/Pentium II CPU)

BIOS

Acer

Dimensions

305mm x 244mm

I/O Options

32-bit PCI slots (4), floppy drive interface, IDE interfaces (2), parallel port, PS/2 mouse port, serial ports (2), IR connector, USB connectors (2), SCSI/LAN slot

NPU Options

None

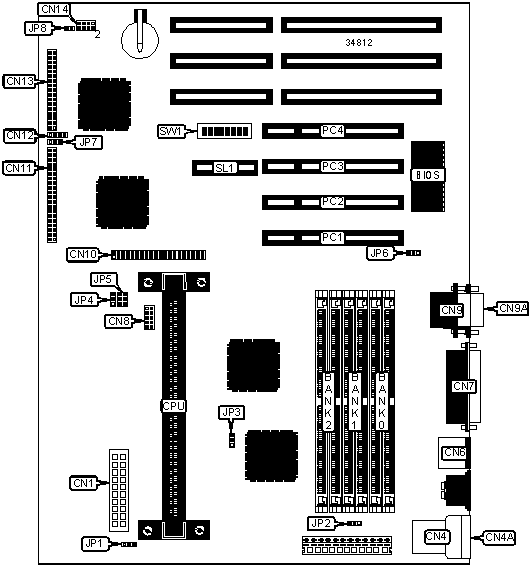
CONNECTIONS

Purpose

Location

Purpose

Location

ATX power connector

CN1

Floppy drive interface

CN13

USB connector

CN4

Speaker

CN14/pins 1 & 3

USB connector

CN4A

Power LED & keylock

CN14/pins 2 & 6

PS/2 mouse port

CN6

Reset switch

CN14/pins 7 & 8

Parallel port

CN7

Standby power cable

JP2

Serial port

CN9

IDE interface LED

JP7

Serial port

CN9A

Software power control

JP8

IDE interface 2

CN10

32-bit PCI slots

PC1 - PC4

IDE interface 1

CN11

SCSI/LAN slot

SL1

IR connector

CN12

 

 

USER CONFIGURABLE SETTINGS

Function

Label

Position

»

Factory configured - do not alter

CN8

Unidentified

»

Power on normal operation

JP1

Pins 2 & 3 closed

 

Power on test

JP1

Pins 1 & 2 closed

»

Password disabled

SW1/3

On

 

Password enabled

SW1/3

Off

»

BIOS select OEM

SW1/4

Off

 

BIOS select Acer

SW1/4

On

SIMM CONFIGURATION

Size

Bank 0

Bank 1

Bank 2

8MB

(2) 1M x 36

None

None

16MB

(2) 1M x 36

(2) 1M x 36

None

16MB

(2) 2M x 36

None

None

24MB

(2) 2M x 36

(2) 1M x 36

None

24MB

(2) 1M x 36

(2) 1M x 36

(2) 1M x 36

32MB

(2) 4M x 36

None

None

32MB

(2) 2M x 36

(2) 2M x 36

None

40MB

(2) 4M x 36

(2) 1M x 36

None

48MB

(2) 4M x 36

(2) 2M x 36

None

48MB

(2) 4M x 36

(2) 1M x 36

(2) 1M x 36

56MB

(2) 4M x 36

(2) 2M x 36

(2) 1M x 36

64MB

(2) 8M x 36

None

None

64MB

(2) 4M x 36

(2) 4M x 36

None

80MB

(2) 8M x 36

(2) 2M x 36

None

SIMM CONFIGURATION (CON'T)

Size

Bank 0

Bank 1

Bank 2

80MB

(2) 8M x 36

(2) 1M x 36

(2) 1M x 36

88MB

(2) 8M x 36

(2) 2M x 36

(2) 1M x 36

96MB

(2) 8M x 36

(2) 4M x 36

None

96MB

(2) 4M x 36

(2) 4M x 36

(2) 4M x 36

96MB

(2) 8M x 36

(2) 2M x 36

(2) 2M x 36

104MB

(2) 8M x 36

(2) 4M x 36

(2) 1M x 36

112MB

(2) 8M x 36

(2) 4M x 36

(2) 2M x 36

128MB

(2) 8M x 36

(2) 4M x 36

(2) 4M x 36

128MB

(2) 16M x 36

None

None

128MB

(2) 8M x 36

(2) 8M x 36

None

136MB

(2) 8M x 36

(2) 8M x 36

(2) 1M x 36

136MB

(2) 16M x 36

(2) 1M x 36

None

144MB

(2) 16M x 36

(2) 2M x 36

None

144MB

(2) 16M x 36

(2) 1M x 36

(2) 1M x 36

152MB

(2) 16M x 36

(2) 2M x 36

(2) 1M x 36

160MB

(2) 16M x 36

(2) 4M x 36

None

160MB

(2) 16M x 36

(2) 2M x 36

(2) 2M x 36

168MB

(2) 16M x 36

(2) 4M x 36

(2) 1M x 36

176MB

(2) 16M x 36

(2) 4M x 36

(2) 2M x 36

192MB

(2) 16M x 36

(2) 8M x 36

None

192MB

(2) 16M x 36

(2) 4M x 36

(2) 4M x 36

200MB

(2) 16M x 36

(2) 8M x 36

(2) 1M x 36

208MB

(2) 16M x 36

(2) 8M x 36

(2) 2M x 36

224MB

(2) 16M x 36

(2) 8M x 36

(2) 4M x 36

256MB

(2) 16M x 36

(2) 16M x 36

None

256MB

(2) 16M x 36

(2) 8M x 36

(2) 8M x 36

264MB

(2) 16M x 36

(2) 16M x 36

(2) 1M x 36

272MB

(2) 16M x 36

(2) 16M x 36

(2) 2M x 36

288MB

(2) 16M x 36

(2) 16M x 36

(2) 4M x 36

320MB

(2) 16M x 36

(2) 16M x 36

(2) 8M x 36

384MB

(2) 16M x 36

(2) 16M x 36

(2) 16M x 36

Note: Board accepts EDO memory.

CACHE CONFIGURATION

Note: 256KB/512KB cache is located on the Pentium II/Pentium Pro CPU.

CPU FREQUENCY SELECTION

Host clock

PCI clock

SW1/1

SW1/2

60MHz

30MHz

Off

On

» 66MHz

33MHz

On

Off

XIN/2

XIN/4

Off

Off

CPU TYPE SELECTION

Type

JP3

JP4

JP5

Pentium II

Pins 2 & 3 closed

Pins 2 & 3 closed

Pins 3 & 5, 4 & 6 closed

Pentium Pro

Pins 1 & 2 closed

Pins 1 & 2 closed

Pins 1 & 3, 2 & 4 closed

CPU CORE/BUS RATIO SELECTION

Core/bus ratio

SW1/5

SW1/6

SW1/7

SW1/8

1.5

Off

Off

On

Off

2

On

On

On

On

2

Off

Off

Off

Off

2.5

On

Off

On

On

3

On

On

Off

On

3.5

On

Off

Off

On

4

On

On

On

Off

4.5

On

Off

On

Off

5

On

On

Off

Off

5.5

On

Off

Off

Off

6

Off

On

On

On

6.5

Off

Off

On

On

7

Off

On

Off

On

7.5

Off

Off

Off

On

8

Off

On

On

Off

BIOS SELECTION

Type

JP6

EPROM

Pins 1 & 2 closed

Flash EEROM & 28F001

Pins 2 & 3 closed

» 29EE010/020

Open