ASUS COMPUTER INTERNATIONAL

P2L-M (REV. 1.01 AUDIO)

Device Type

Mainboard

Processor

Pentium II

Processor Speed

233/266/300/333MHz

Chip Set

Intel

Video Chip Set

None

Maximum Onboard Memory

256MB (EDO & SDRAM supported)

Maximum Video Memory

None

Cache

256/512KB (located on Pentium II CPU)

BIOS

Unidentified

Dimensions

305mm x 244mm

I/O Options

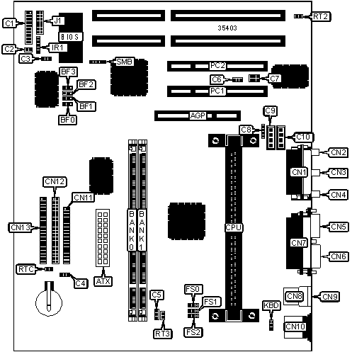
32-bit PCI slots (2), floppy drive interface, game/MIDI port, green PC connector, IDE interfaces (2), parallel port, PS/2 mouse port, serial ports (2), IR connector, USB connectors (2), ATX power connector, AGP slot, line in, line out, microphone in, audio in - CD-ROMs (2)

NPU Options

None

CONNECTIONS

Purpose

Location

Purpose

Location

AGP slot

AGP

Game/MIDI port

CN1

ATX power connector

ATX

Microphone in

CN2

Power LED & keylock

C1/pins 1 - 5

Line in

CN3

Speaker

C1/pins 7 - 10

Line out

CN4

Message LED

C1/pins 12 & 13

Serial port 2

CN5

Green PC connector

C1/pins 14 & 15

Serial port 1

CN6

Soft off power supply

C1/pins 16 & 17

Parallel port

CN7

Reset switch

C1/pins 19 & 20

USB connector 1

CN8

IDE interface LED

C2

USB connector 2

CN9

Chassis fan power

C3

PS/2 mouse port

CN10

Fan power

C4

Floppy drive interface

CN11

CPU fan power

C5

IDE interface 2

CN12

Wake on LAN connector

C6

IDE interface 1

CN13

Digital audio interface

C7

IR connector

IR1

Audio in - CD-ROM

C8

32-bit PCI slots

PC1 - PC2

Audio in - CD-ROM

C9

Thermal temperature sensor

RT3

Stereo audio in

C10

 

 

USER CONFIGURABLE SETTINGS

Function

Label

Position

»

Factory configured - do not alter

J1

Unidentified

»

Keyboard power disabled

KBD

Pins 1 & 2 closed

 

Keyboard power enabled

KBD

Pins 2 & 3 closed

»

CMOS memory normal operation

RTC

Open

 

CMOS memory clear

RTC

Closed

»

Factory configured - do not alter

RT2

Unidentified

»

Factory configured - do not alter

SMB

Unidentified

DIMM CONFIGURATION

Size

Bank 0

Bank 1

8MB

(1) 1M x 64

None

16MB

(1) 2M x 64

None

16MB

(1) 1M x 64

(1) 1M x 64

24MB

(1) 2M x 64

(1) 1M x 64

32MB

(1) 4M x 64

None

32MB

(1) 2M x 64

(1) 2M x 64

DIMM CONFIGURATION (CON'T)

Size

Bank 0

Bank 1

40MB

(1) 4M x 64

(1) 1M x 64

48MB

(1) 4M x 64

(1) 2M x 64

64MB

(1) 8M x 64

None

64MB

(1) 4M x 64

(1) 4M x 64

72MB

(1) 8M x 64

(1) 1M x 64

80MB

(1) 8M x 64

(1) 2M x 64

96MB

(1) 8M x 64

(1) 4M x 64

128MB

(1) 16M x 64

None

128MB

(1) 8M x 64

(1) 8M x 64

136MB

(1) 16M x 64

(1) 1M x 64

144MB

(1) 16M x 64

(1) 2M x 64

160MB

(1) 16M x 64

(1) 4M x 64

192MB

(1) 16M x 64

(1) 8M x 64

256MB

(1) 16M x 64

(1) 16M x 64

Note: Board accepts EDO & SDRAM memory.

CACHE CONFIGURATION

Note: 256KB/512KB cache is located on the Pentium II CPU.

CPU SPEED SELECTION

CPU speed

Clock speed

Multiplier

FS0

FS1

FS2

233MHz

66MHz

3.5x

1 & 2

1 & 2

1 & 2

266MHz

66MHz

4x

1 & 2

1 & 2

1 & 2

300MHz

66MHz

4.5x

1 & 2

1 & 2

1 & 2

333MHz

66MHz

5x

1 & 2

1 & 2

1 & 2

Note: Pins designated should be in the closed position.

CPU SPEED SELECTION (CON'T)

CPU speed

Clock speed

Multiplier

BF0

BF1

BF2

BF3

233MHz

66MHz

3.5x

1 & 2

1 & 2

2 & 3

2 & 3

266MHz

66MHz

4x

2 & 3

2 & 3

1 & 2

2 & 3

300MHz

66MHz

4.5x

1 & 2

2 & 3

1 & 2

2 & 3

333MHz

66MHz

5x

2 & 3

1 & 2

1 & 2

2 & 3

Note: Pins designated should be in the closed position.