AMERICAN MEGATRENDS, INC.
OLYMPUS
|
Device Type |
Mainboard |
|
Processor |
Pentium II/Celeron/Xeon |
|
Processor Speed |
233/266/300/333/350/400/450MHz |
|
Chip Set |
Intel 440BX |
|
Video Chip Set |
None |
|
Maximum Onboard Memory |
512MB (SDRAM supported) |
|
Maximum Video Memory |
None |
|
Cache |
256/512KB (located on Pentium II/Xeon CPU) |
|
BIOS |
AMI |
|
Dimensions |
305mm x 244mm |
|
I/O Options |
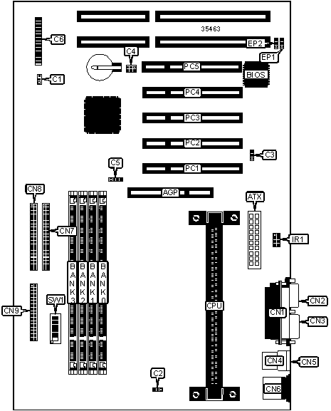
32-bit PCI slots (5), floppy drive interface, green PC connector, IDE interfaces (2), parallel port, PS/2 mouse port, serial ports (2), IR connector, USB connectors (3), ATX power connector, AGP slot |
|
NPU Options |
None |
|
CONNECTIONS | |||
|
Purpose |
Location |
Purpose |
Location |
|
AGP slot |
AGP |
Soft off power supply |
C6/pins 23 & 24 |
|
ATX power connector |
ATX |
Reset switch |
C6/pins 27 & 28 |
|
Chassis fan power |
C1 |
Parallel port |
CN1 |
|
CPU fan power |
C2 |
Serial port |
CN2 |
|
Wake on LAN connector |
C3 |
Serial port |
CN3 |
|
SB link connector |
C4 |
USB connector |
CN4 |
|
External USB connector |
C5 |
USB connector |
CN5 |
|
Power LED & keylock |
C6/pins 1 - 5 |
PS/2 mouse port |
CN6 |
|
Turbo LED |
C6/pins 7 & 8 |
IDE interface 2 |
CN7 |
|
Green PC connector |
C6/pins 10 & 11 |
IDE interface 1 |
CN8 |
|
Green PC LED |
C6/pins 13 & 14 |
Floppy drive interface |
CN9 |
|
Speaker |
C6/pins 15 - 18 |
IR connector |
IR1 |
|
IDE interface LED |
C6/pins 20 & 21 |
32-bit PCI slots |
PC1 - PC5 |
|
DIMM CONFIGURATION | ||||
|
Size |
Bank 0 |
Bank 1 |
Bank 2 |
Bank 3 |
|
8MB |
(1) 1M x 64 |
None |
None |
None |
|
16MB |
(1) 2M x 64 |
None |
None |
None |
|
16MB |
(1) 1M x 64 |
(1) 1M x 64 |
None |
None |
|
24MB |
(1) 2M x 64 |
(1) 1M x 64 |
None |
None |
|
24MB |
(1) 1M x 64 |
(1) 1M x 64 |
(1) 1M x 64 |
None |
|
32MB |
(1) 4M x 64 |
None |
None |
None |
|
32MB |
(1) 2M x 64 |
(1) 2M x 64 |
None |
None |
|
32MB |
(1) 1M x 64 |
(1) 1M x 64 |
(1) 1M x 64 |
(1) 1M x 64 |
|
40MB |
(1) 4M x 64 |
(1) 1M x 64 |
None |
None |
|
48MB |
(1) 4M x 64 |
(1) 2M x 64 |
None |
None |
|
48MB |
(1) 2M x 64 |
(1) 2M x 64 |
(1) 2M x 64 |
None |
|
64MB |
(1) 2M x 64 |
(1) 2M x 64 |
(1) 2M x 64 |
(1) 2M x 64 |
|
64MB |
(1) 8M x 64 |
None |
None |
None |
|
64MB |
(1) 4M x 64 |
(1) 4M x 64 |
None |
None |
|
72MB |
(1) 8M x 64 |
(1) 1M x 64 |
None |
None |
|
80MB |
(1) 8M x 64 |
(1) 2M x 64 |
None |
None |
|
96MB |
(1) 8M x 64 |
(1) 4M x 64 |
None |
None |
|
96MB |
(1) 4M x 64 |
(1) 4M x 64 |
(1) 4M x 64 |
None |
|
128MB |
(1) 16M x 64 |
None |
None |
None |
|
128MB |
(1) 8M x 64 |
(1) 8M x 64 |
None |
None |
|
DIMM CONFIGURATION (CON'T) | ||||
|
Size |
Bank 0 |
Bank 1 |
Bank 2 |
Bank 3 |
|
128MB |
(1) 4M x 64 |
(1) 4M x 64 |
(1) 4M x 64 |
(1) 4M x 64 |
|
136MB |
(1) 16M x 64 |
(1) 1M x 64 |
None |
None |
|
144MB |
(1) 16M x 64 |
(1) 2M x 64 |
None |
None |
|
152MB |
(1) 16M x 64 |
(1) 1M x 64 |
(1) 1M x 64 |
(1) 1M x 64 |
|
160MB |
(1) 16M x 64 |
(1) 4M x 64 |
None |
None |
|
176MB |
(1) 16M x 64 |
(1) 2M x 64 |
(1) 2M x 64 |
(1) 2M x 64 |
|
192MB |
(1) 16M x 64 |
(1) 8M x 64 |
None |
None |
|
192MB |
(1) 8M x 64 |
(1) 8M x 64 |
(1) 8M x 64 |
None |
|
224MB |
(1) 16M x 64 |
(1) 4M x 64 |
(1) 4M x 64 |
(1) 4M x 64 |
|
256MB |
(1) 16M x 64 |
(1) 16M x 64 |
None |
None |
|
256MB |
(1) 8M x 64 |
(1) 8M x 64 |
(1) 8M x 64 |
(1) 8M x 64 |
|
272MB |
(1) 16M x 64 |
(1) 16M x 64 |
(1) 1M x 64 |
(1) 1M x 64 |
|
288MB |
(1) 16M x 64 |
(1) 16M x 64 |
(1) 2M x 64 |
(1) 2M x 64 |
|
320MB |
(1) 16M x 64 |
(1) 16M x 64 |
(1) 4M x 64 |
(1) 4M x 64 |
|
320MB |
(1) 16M x 64 |
(1) 8M x 64 |
(1) 8M x 64 |
(1) 8M x 64 |
|
384MB |
(1) 16M x 64 |
(1) 16M x 64 |
(1) 16M x 64 |
None |
|
512MB |
(1) 16M x 64 |
(1) 16M x 64 |
(1) 16M x 64 |
(1) 16M x 64 |
|
Note: Board accepts EDO & SDRAM memory. | ||||
|
CACHE CONFIGURATION |
|
Note: 256KB/512KB cache is located on the Pentium II/Xeon CPU. |
|
CPU SPEED SELECTION | ||||||
|
CPU speed |
Clock speed |
Multiplier |
SW1/1 |
SW1/2 |
SW1/3 |
SW1/4 |
|
233MHz |
66MHz |
3.5x |
On |
Off |
On |
Off |
|
266MHz |
66MHz |
4x |
On |
On |
Off |
On |
|
300MHz |
66MHz |
4.5x |
On |
On |
Off |
Off |
|
333MHz |
66MHz |
5x |
On |
Off |
Off |
On |
|
350MHz |
100MHz |
3.5x |
On |
Off |
On |
Off |
|
400MHz |
100MHz |
4x |
On |
On |
Off |
On |
|
450MHz |
100MHz |
4.5x |
On |
On |
Off |
Off |
|
CMOS MEMORY SELECTION | |||
|
Setting |
SW1/5 |
SW1/6 | |
| » |
Normal |
Off |
Off |
|
Clear |
On |
On | |
|
FLASH BIOS SELECTION | ||
|
Setting |
EP1 |
EP2 |
|
AMD AM29F002T |
Pins 2 & 3 closed |
Pins 2 & 3 closed |
|
ATMEL AT29C010 |
Pins 2 & 3 closed |
Pins 2 & 3 closed |
|
MXIC MX28F2000P |
Pins 1 & 2 closed |
Pins 2 & 3 closed |
|
SST 29EE010 |
Pins 2 & 3 closed |
Pins 2 & 3 closed |