ABIT COMPUTER CORPORATION

AH6

Device Type

Mainboard

Processor

Pentium II/Celeron

Processor Speed

233/266/300/333MHz

Chip Set

Intel 440LX

Maximum Onboard Memory

384MB (EDO & SDRAM supported)

Cache

0/128/256/512KB (located on the CPU)

BIOS

Award

Dimensions

305mm x 170mm

I/O Options

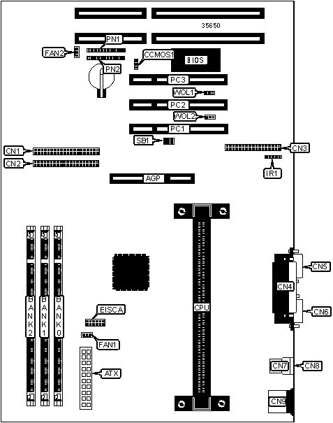
32-bit PCI slots (5), floppy drive interface, IDE interfaces (2), parallel port, PS/2 mouse port, serial ports (2), IR connector, USB connectors (2), ATX power connector, AGP slot,

CONNECTIONS

Purpose

Location

Purpose

Location

AGP slot

AGP

Chassis fan power

FAN2

ATX power connector

ATX

IR connector

IR1

IDE interface 1

CN1

Reset switch

JP1/pins 1 & 2

IDE interface 2

CN2

Speaker

JP1/pins 4 - 7

Floppy drive interface

CN3

Green PC LED

JP1/pins 9 & 10

Parallel port

CN4

Power LED & keylock

JP2/pins 1 - 5

Serial port 2

CN5

IDE interface LED

JP2/pins 6 & 7

Serial port 1

CN6

Soft off power supply

JP2/pins 8 & 9

USB connector 1

CN7

32-bit PCI slots

PC1 - PC5

USB connector 2

CN8

SB link header

SB1

PS/2 mouse port

CN9

Wake on LAN connectors

WOL1

CPU fan power

FAN1

Wake on LAN connectors

WOL2

USER CONFIGURABLE SETTINGS

Function

Label

Position

»

CMOS memory normal operation

CCMOS1

Pins 1 & 2 closed

 

CMOS memory clear

CCMOS1

Pins 2 & 3 closed

DIMM CONFIGURATION

Size

Bank 0

Bank 1

Bank 2

8MB

(1) 1M x 64

None

None

16MB

(1) 2M x 64

None

None

16MB

(1) 1M x 64

(1) 1M x 64

None

24MB

(1) 2M x 64

(1) 1M x 64

None

24MB

(1) 1M x 64

(1) 1M x 64

(1) 1M x 64

32MB

(1) 4M x 64

None

None

32MB

(1) 2M x 64

(1) 2M x 64

None

32MB

(1) 2M x 64

(1) 1M x 64

(1) 1M x 64

40MB

(1) 4M x 64

(1) 1M x 64

None

48MB

(1) 4M x 64

(1) 2M x 64

None

48MB

(1) 2M x 64

(1) 2M x 64

(1) 2M x 64

48MB

(1) 4M x 64

(1) 1M x 64

(1) 1M x 64

DIMM CONFIGURATION (CONT’)

Size

Bank 0

Bank 1

Bank 2

64MB

(1) 8M x 64

None

None

64MB

(1) 4M x 64

(1) 4M x 64

None

64MB

(1) 4M x 64

(1) 2M x 64

(1) 2M x 64

72MB

(1) 8M x 64

(1) 1M x 64

None

80MB

(1) 8M x 64

(1) 2M x 64

None

80MB

(1) 8M x 64

(1) 1M x 64

(1) 1M x 64

96MB

(1) 8M x 64

(1) 4M x 64

None

96MB

(1) 4M x 64

(1) 4M x 64

(1) 4M x 64

96MB

(1) 8M x 64

(1) 2M x 64

(1) 2M x 64

128MB

(1) 16M x 64

None

None

128MB

(1) 8M x 64

(1) 8M x 64

None

128MB

(1) 8M x 64

(1) 4M x 64

(1) 4M x 64

136MB

(1) 16M x 64

(1) 1M x 64

None

144MB

(1) 16M x 64

(1) 2M x 64

None

144MB

(1) 16M x 64

(1) 1M x 64

(1) 1M x 64

160MB

(1) 16M x 64

(1) 4M x 64

None

160MB

(1) 16M x 64

(1) 2M x 64

(1) 2M x 64

192MB

(1) 16M x 64

(1) 8M x 64

None

192MB

(1) 8M x 64

(1) 8M x 64

(1) 8M x 64

192MB

(1) 16M x 64

(1) 4M x 64

(1) 4M x 64

256MB

(1) 16M x 64

(1) 16M x 64

None

256MB

(1) 16M x 64

(1) 8M x 64

(1) 8M x 64

256MB

(1) 32M x 64

None

None

264MB

(1) 32M x 64

(1) 1M x 64

(1) 1M x 64

272MB

(1) 32M x 64

(1) 2M x 64

None

272MB

(1) 32M x 64

(1) 1M x 64

None

288MB

(1) 32M x 64

(1) 4M x 64

None

288MB

(1) 32M x 64

(1) 2M x 64

(1) 2M x 64

320MB

(1) 32M x 64

(1) 8M x 64

None

320MB

(1) 32M x 64

(1) 4M x 64

(1) 4M x 64

384MB

(1) 16M x 64

(1) 16M x 64

(1) 16M x 64

384MB

(1) 32M x 64

(1) 8M x 64

(1) 8M x 64