ACTION WELL DEVELOPMENT, LTD.
AM-8887
|
Device Type |
Mainboard |
|
Processor |
80486SX/UMC486DX/AM486DX/80486DX/SL80486DX/UMC486DX2/ CX486DX2/IBM486DX2/TI486DX2/AM486DX2/80486DX2/ SL80486DX2/CX486DX4/IBM486DX4/TI486DX4/AM486DX4/ (SL) AM486DX4/SL80486DX4/P24D/P24T/CX 5X86/AM 5X86 |
|
Processor Speed |
25/33/40/50(internal)/50/66(internal)/75(internal)/80(internal)/ 100(internal)/120(internal)/133(internal)MHz |
|
Chip Set |
UMC |
|
Maximum Onboard Memory |
64MB (EDO & SDRAM supported) |
|
Cache |
128/256/512KB |
|
BIOS |
AMI |
|
Dimensions |
220mm x 180mm |
|
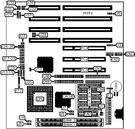
I/O Options |
32-bit PCI slots (3), floppy drive interface, green PC connector, IDE interfaces (2), parallel port, serial ports (2), IR connector |
|
CONNECTIONS | |||
|
Purpose |
Location |
Purpose |
Location |
|
Serial port 2 |
CN1 |
Green PC connector |
J10 |
|
Serial port 1 |
CN2 |
IDE interface LED |
J29 |
|
Floppy drive interface |
CN3 |
Turbo switch |
J30 |
|
Parallel port |
CN4 |
Reset switch |
J31 |
|
IDE interface 2 |
CN5 |
Turbo LED |
J32 |
|
IDE interface 1 |
CN6 |
Speaker |
J33 |
|
External battery |
J2 |
Power LED & keylock |
J34 |
|
IR connector |
J3 |
32-bit PCI slots |
PC1 – PC3 |
|
USER CONFIGURABLE SETTINGS | |||
|
Function |
Label |
Position | |
|
Battery type select internal |
J2 |
Pins 1 & 2 closed | |
|
Battery type select external |
J2 |
Open | |
|
CMOS memory clear |
J2 |
Pins 3 & 4 closed | |
|
» |
Flash BIOS voltage select 5v |
J5 |
Pins 2 & 3 closed |
|
Flash BIOS voltage select 12v |
J5 |
Pins 1 & 2 closed | |
|
SIMM CONFIGURATION | ||||
|
Size |
Bank 0 |
Bank 1 |
Bank 2 |
Bank 3 |
|
1MB |
(1) 256K x 36 |
None |
None |
None |
|
2MB |
(1) 512K x 36 |
None |
None |
None |
|
2MB |
(1) 256K x 36 |
(1) 256K x 36 |
None |
None |
|
3MB |
(1) 512K x 36 |
(1) 256K x 36 |
None |
None |
|
4MB |
(1) 1M x 36 |
None |
None |
None |
|
4MB |
(1) 512K x 36 |
(1) 512K x 36 |
None |
None |
|
5MB |
(1) 1M x 36 |
(1) 256K x 36 |
None |
None |
|
6MB |
(1) 1M x 36 |
(1) 512K x 36 |
None |
None |
|
8MB |
(1) 1M x 36 |
(1) 1M x 36 |
None |
None |
|
16MB |
(1) 4M x 36 |
None |
None |
None |
|
17MB |
(1) 4M x 36 |
(1) 256K x 36 |
None |
None |
|
18MB |
(1) 4M x 36 |
(1) 512K x 36 |
None |
None |
|
20MB |
(1) 4M x 36 |
(1) 1M x 36 |
None |
None |
|
32MB |
(1) 8M x 36 |
None |
None |
None |
|
32MB |
(1) 4M x 36 |
(1) 4M x 36 |
None |
None |
|
SIMM CONFIGURATION (CON’T) | ||||
|
Size |
Bank 0 |
Bank 1 |
Bank 2 |
Bank 3 |
|
33MB |
(1) 8M x 36 |
(1) 256K x 36 |
None |
None |
|
34MB |
(1) 8M x 36 |
(1) 512K x 36 |
None |
None |
|
36MB |
(1) 8M x 36 |
(1) 1M x 36 |
None |
None |
|
48MB |
(1) 8M x 36 |
(1) 4M x 36 |
None |
None |
|
64MB |
(1) 8M x 36 |
(1) 8M x 36 |
None |
None |
|
Note: Board accepts EDO memory. | ||||
|
CACHE CONFIGURATION | ||
|
Size |
Bank 0 |
TAG |
|
128KB |
(4) 32K x 8 |
(1) 32K x 8 |
|
256KB |
(4) 64K x 8 |
(1) 32K x 8 |
|
512KB |
(4) 128K x 8 |
(1) 32K x 8 |
|
CACHE JUMPER CONFIGURATION | |
|
Size |
J1 |
|
128KB |
Open |
|
256KB |
Pins 1 & 2 closed |
|
512KB |
Pins 1 & 2, 3 & 4 closed |
|
CPU SPEED SELECTION | |
|
Speed |
J28 |
|
25MHz |
Pins 1 & 2 closed |
|
33MHz |
Pins 1 & 2, 3 & 4, 5 & 6 closed |
|
40MHz |
Pins 1 & 2, 3 & 4 closed |
|
50iMHz |
Pins 1 & 2 closed |
|
50MHz |
Pins 5 & 6 closed |
|
66iMHz |
Pins 1 & 2, 3 & 4, 5 & 6 closed |
|
75iMHz |
Pins 1 & 2 closed |
|
80iMHz |
Pins 1 & 2, 3 & 4 closed |
|
100iMHz |
Pins 1 & 2, 3 & 4, 5 & 6 closed |
|
120iMHz |
Pins 1 & 2, 3 & 4 closed |
|
133iMHz |
Pins 1 & 2, 3 & 4, 5 & 6 closed |
|
CPU TYPE SELECTION | |||||
|
Type |
J6 |
J7 |
J12 |
J13 |
J14 |
|
80486SX |
1 & 2 |
1 & 2 |
Open |
2 & 3 |
Open |
|
UMC486DX |
1 & 2 |
1 & 2 |
2 & 3, 4 & 5 |
1 & 2, 3 & 4 |
Open |
|
AM486DX |
1 & 2 |
2 & 3 |
Open |
1 & 2, 3 & 4 |
Open |
|
80486DX |
1 & 2 |
1 & 2 |
Open |
1 & 2, 3 & 4 |
Open |
|
SL80486DX |
1 & 2 |
1 & 2 |
2 & 3, 4 & 5 |
1 & 2, 3 & 4 |
Open |
|
UMC486DX2 |
1 & 2 |
1 & 2 |
2 & 3, 4 & 5 |
1 & 2, 3 & 4 |
Open |
|
CX486DX2 |
2 & 3 |
1 & 2 |
1 & 2, 3 & 4 |
1 & 2, 3 & 4 |
2 & 3 |
|
IBM486DX2 |
2 & 3 |
1 & 2 |
1 & 2, 3 & 4 |
1 & 2, 3 & 4 |
2 & 3 |
|
TI486DX2 |
2 & 3 |
1 & 2 |
1 & 2, 3 & 4 |
1 & 2, 3 & 4 |
2 & 3 |
|
AM486DX2 |
1 & 2 |
2 & 3 |
Open |
1 & 2, 3 & 4 |
Open |
|
80486DX2 |
1 & 2 |
1 & 2 |
Open |
1 & 2, 3 & 4 |
Open |
|
SL80486DX2 |
1 & 2 |
1 & 2 |
2 & 3, 4 & 5 |
1 & 2, 3 & 4 |
Open |
|
CX486DX4 |
2 & 3 |
1 & 2 |
1 & 2, 3 & 4 |
1 & 2, 3 & 4 |
2 & 3 |
|
IBM486DX4 |
2 & 3 |
1 & 2 |
1 & 2, 3 & 4 |
1 & 2, 3 & 4 |
2 & 3 |
|
TI486DX4 |
2 & 3 |
1 & 2 |
1 & 2, 3 & 4 |
1 & 2, 3 & 4 |
2 & 3 |
|
AM486DX4 |
1 & 2 |
2 & 3 |
Open |
1 & 2, 3 & 4 |
Open |
|
(SL) AM486DX4 |
1 & 2 |
1 & 2 |
2 & 3, 4 & 5 |
1 & 2, 3 & 4 |
Open |
|
SL80486DX4 |
1 & 2 |
1 & 2 |
2 & 3, 4 & 5 |
1 & 2, 3 & 4 |
Open |
|
P24D |
1 & 2 |
1 & 2 |
1 & 2, 3 & 4 |
1 & 2, 3 & 4 |
Open |
|
P24T |
1 & 2 |
1 & 2 |
2 & 3, 4 & 5 |
1 & 2, 3 & 4 |
1 & 2 |
|
CX 5X86 |
1 & 2 |
1 & 2 |
2 & 3, 4 & 5 |
1 & 2, 3 & 4 |
Open |
|
AM 5X86 |
1 & 2 |
1 & 2 |
2 & 3, 4 & 5 |
1 & 2, 3 & 4 |
Open |
|
Note: Pins designated should be in the closed position. | |||||
|
CPU TYPE SELECTION (CON’T) | |||||
|
Type |
J15 |
J16 |
J17 |
J18 |
J19 |
|
80486SX |
Open |
1 & 2 |
Open |
Open |
Open |
|
UMC486DX |
3 & 4 |
3 & 4 |
Open |
Open |
Open |
|
AM486DX |
3 & 4 |
1 & 2 |
Open |
Open |
Open |
|
80486DX |
3 & 4 |
1 & 2 |
Open |
Open |
Open |
|
SL80486DX |
3 & 4 |
3 & 4 |
Open |
Open |
Open |
|
UMC486DX2 |
3 & 4 |
3 & 4 |
Open |
Open |
Open |
|
CX486DX2 |
3 & 4 |
3 & 4 |
2 & 3 |
1 & 2 |
2 & 3 |
|
IBM486DX2 |
3 & 4 |
3 & 4 |
2 & 3 |
1 & 2 |
2 & 3 |
|
TI486DX2 |
3 & 4 |
3 & 4 |
2 & 3 |
1 & 2 |
2 & 3 |
|
AM486DX2 |
3 & 4 |
1 & 2 |
Open |
Open |
Open |
|
80486DX2 |
3 & 4 |
1 & 2 |
Open |
Open |
Open |
|
SL80486DX2 |
3 & 4 |
3 & 4 |
Open |
Open |
Open |
|
CX486DX4 |
3 & 4 |
3 & 4 |
2 & 3 |
1 & 2 |
Open |
|
IBM486DX4 |
3 & 4 |
3 & 4 |
2 & 3 |
1 & 2 |
Open |
|
TI486DX4 |
3 & 4 |
3 & 4 |
2 & 3 |
1 & 2 |
Open |
|
AM486DX4 |
3 & 4 |
1 & 2 |
Open |
Open |
Open |
|
(SL) AM486DX4 |
3 & 4 |
3 & 4 |
Open |
Open |
Open |
|
SL80486DX4 |
3 & 4 |
3 & 4 |
Open |
Open |
Open |
|
P24D |
3 & 4 |
3 & 4 |
Open |
Open |
Open |
|
P24T |
2 & 3 |
3 & 4, 5 & 6 |
1 & 2 |
2 & 3 |
Open |
|
CX 5X86 |
3 & 4 |
3 & 4 |
Open |
Open |
Open |
|
AM 5X86 |
3 & 4 |
3 & 4 |
Open |
Open |
Open |
|
Note: Pins designated should be in the closed position. | |||||
|
CPU TYPE SELECTION (CON’T) | |||||
|
Type |
J20 |
J21 |
J22 |
J23 |
J24 |
|
80486SX |
Open |
Open |
Open |
Open |
Open |
|
UMC486DX |
1 & 2 |
2 & 3 |
Open |
1 & 2 |
Open |
|
AM486DX |
Open |
Open |
Open |
Open |
Open |
|
80486DX |
Open |
Open |
Open |
Open |
Open |
|
SL80486DX |
1 & 2 |
2 & 3 |
Open |
1 & 2 |
Open |
|
UMC486DX2 |
1 & 2 |
2 & 3 |
Open |
1 & 2 |
Open |
|
CX486DX2 |
2 & 3 |
Open |
Open |
1 & 2 |
Open |
|
IBM486DX2 |
2 & 3 |
Open |
Open |
1 & 2 |
Open |
|
TI486DX2 |
2 & 3 |
Open |
Open |
1 & 2 |
Open |
|
AM486DX2 |
Open |
Open |
Open |
Open |
Open |
|
80486DX2 |
Open |
Open |
Open |
Open |
Open |
|
SL80486DX2 |
1 & 2 |
2 & 3 |
Open |
1 & 2 |
Open |
|
CX486DX4 |
2 & 3 |
Open |
Open |
1 & 2 |
Open |
|
IBM486DX4 |
2 & 3 |
Open |
Open |
1 & 2 |
Open |
|
TI486DX4 |
2 & 3 |
Open |
Open |
1 & 2 |
Open |
|
AM486DX4 |
Open |
Open |
Open |
Open |
Open |
|
(SL) AM486DX4 |
1 & 2 |
Open |
2 & 3 |
1 & 2 |
Closed |
|
SL80486DX4 |
1 & 2 |
Open |
Open |
1 & 2 |
Open |
|
P24D |
1 & 2 |
2 & 3 |
2 & 3 |
1 & 2 |
Closed |
|
P24T |
1 & 2 |
2 & 3 |
Open |
1 & 2 |
Open |
|
CX 5X86 |
1 & 2 |
Open |
2 & 3 |
1 & 2 |
Open |
|
AM 5X86 |
1 & 2 |
1 & 2 |
2 & 3 |
1 & 2 |
Closed |
|
Note: Pins designated should be in the closed position. | |||||
|
CPU TYPE SELECTION (CON’T) | |||
|
Type |
J25 |
J26 |
J27 |
|
80486SX |
Open |
Open |
Open |
|
UMC486DX |
Open |
Open |
Open |
|
AM486DX |
Open |
Open |
Open |
|
80486DX |
Open |
Open |
Open |
|
SL80486DX |
Open |
Open |
Open |
|
UMC486DX2 |
Open |
Open |
Open |
|
CX486DX2 |
Open |
Open |
Open |
|
IBM486DX2 |
Open |
Open |
Open |
|
TI486DX2 |
Open |
Open |
Open |
|
AM486DX2 |
Open |
Open |
Open |
|
80486DX2 |
Open |
Open |
Open |
|
SL80486DX2 |
Open |
Open |
Open |
|
CX486DX4 |
Open |
Open |
Open |
|
IBM486DX4 |
Open |
Open |
Open |
|
TI486DX4 |
Open |
Open |
Open |
|
AM486DX4 |
Open |
Open |
Open |
|
(SL) AM486DX4 |
Closed |
Closed |
Open |
|
SL80486DX4 |
Open |
Open |
Open |
|
P24D |
Closed |
Closed |
Open |
|
P24T |
Open |
Open |
Open |
|
CX 5X86 |
Closed |
Open |
Closed |
|
AM 5X86 |
Closed |
Closed |
Open |
|
CPU VOLTAGE SELECTION | |||
|
Voltage |
J8 |
J9 |
J35 |
|
3.3v |
Pins 2 & 3 closed |
Pins 2 & 3 closed |
Closed |
|
4v |
Pins 2 & 3 closed |
Pins 2 & 3 closed |
Open |
|
5v |
Pins 1 & 2 closed |
Pins 1 & 2 closed |
Open |