CHAINTECH COMPUTER COMPANY, LTD.

6ITM0.1

Processor

Pentium Pro

Processor Speed

150/166/180/200MHz

Chip Set

Intel

Video Chip Set

None

Maximum Onboard Memory

768MB (EDO supported)

Maximum Video Memory

None

Cache

256/512KB (located on Pentium Pro CPU)

BIOS

Award

Dimensions

305mm x 240mm

I/O Options

32-bit PCI slots (4), floppy drive interface, green PC connector, IDE interfaces (2), parallel port, PS/2 mouse port, serial ports (2), IR connector, USB connector, ATX power connector

NPU Options

None

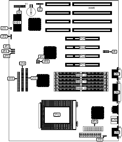
CONNECTIONS

Purpose

Location

Purpose

Location

ATX power connector

ATX

Green PC LED

J8/pins 16 & 17

Serial port 2

CN1

Reset switch

J8/pins 19 & 20

Parallel port

CN2

Soft off power supply

J11

PS/2 mouse port

CN3

IDE interface LED

J12

Serial port 1

CN4

IDE interface 1

J13

USB connector

J6

IDE interface 2

J14

IR connector

J7

Floppy drive interface

J15

Power LED & keylock

J8/pins 1 - 5

Chassis fan power

J18

Speaker

J8/pins 7 - 10

32-bit PCI slots

PC1 – PC4

Green PC connector

J8/pins 14 & 15

   

DRAM CONFIGURATION

Size

Bank 0

Bank 1

Bank 2

8MB

(2) 1M x 36

None

None

16MB

(2) 1M x 36

(2) 1M x 36

None

16MB

(2) 2M x 36

None

None

24MB

(2) 2M x 36

(2) 1M x 36

None

24MB

(2) 1M x 36

(2) 1M x 36

(2) 1M x 36

32MB

(2) 4M x 36

None

None

32MB

(2) 2M x 36

(2) 2M x 36

None

40MB

(2) 4M x 36

(2) 1M x 36

None

48MB

(2) 4M x 36

(2) 2M x 36

None

48MB

(2) 4M x 36

(2) 1M x 36

(2) 1M x 36

64MB

(2) 8M x 36

None

None

64MB

(2) 4M x 36

(2) 4M x 36

None

80MB

(2) 8M x 36

(2) 2M x 36

None

80MB

(2) 8M x 36

(2) 1M x 36

(2) 1M x 36

96MB

(2) 8M x 36

(2) 4M x 36

None

96MB

(2) 4M x 36

(2) 4M x 36

(2) 4M x 36

96MB

(2) 8M x 36

(2) 2M x 36

(2) 2M x 36

128MB

(2) 8M x 36

(2) 4M x 36

(2) 4M x 36

128MB

(2) 16M x 36

None

None

128MB

(2) 8M x 36

(2) 8M x 36

None

136MB

(2) 8M x 36

(2) 8M x 36

(2) 1M x 36

136MB

(2) 16M x 36

(2) 1M x 36

None

144MB

(2) 16M x 36

(2) 2M x 36

None

144MB

(2) 16M x 36

(2) 1M x 36

(2) 1M x 36

152MB

(2) 16M x 36

(2) 2M x 36

(2) 1M x 36

160MB

(2) 16M x 36

(2) 4M x 36

None

160MB

(2) 16M x 36

(2) 2M x 36

(2) 2M x 36

168MB

(2) 16M x 36

(2) 4M x 36

(2) 1M x 36

176MB

(2) 16M x 36

(2) 4M x 36

(2) 2M x 36

DRAM CONFIGURATION (CON’T)

Size

Bank 0

Bank 1

Bank 2

192MB

(2) 16M x 36

(2) 8M x 36

None

192MB

(2) 16M x 36

(2) 4M x 36

(2) 4M x 36

208MB

(2) 16M x 36

(2) 8M x 36

(2) 2M x 36

224MB

(2) 16M x 36

(2) 8M x 36

(2) 4M x 36

256MB

(2) 16M x 36

(2) 16M x 36

None

256MB

(2) 16M x 36

(2) 8M x 36

(2) 8M x 36

256MB

(2) 32M x 36

None

None

264MB

(2) 16M x 36

(2) 16M x 36

(2) 1M x 36

264MB

(2) 32M x 36

(2) 1M x 36

None

272MB

(2) 16M x 36

(2) 16M x 36

(2) 2M x 36

272MB

(2) 32M x 36

(2) 2M x 36

None

288MB

(2) 16M x 36

(2) 16M x 36

(2) 4M x 36

288MB

(2) 32M x 36

(2) 4M x 36

None

320MB

(2) 16M x 36

(2) 16M x 36

(2) 8M x 36

320MB

(2) 32M x 36

(2) 8M x 36

None

384MB

(2) 16M x 36

(2) 16M x 36

(2) 16M x 36

384MB

(2) 32M x 36

(2) 16M x 36

None

512MB

(2) 32M x 36

(2) 32M x 36

None

520MB

(2) 32M x 36

(2) 32M x 36

(2) 1M x 36

528MB

(2) 32M x 36

(2) 32M x 36

(2) 2M x 36

544MB

(2) 32M x 36

(2) 32M x 36

(2) 4M x 36

576MB

(2) 32M x 36

(2) 32M x 36

(2) 8M x 36

640MB

(2) 32M x 36

(2) 32M x 36

(2) 16M x 36

768MB

(2) 32M x 36

(2) 32M x 36

(2) 32M x 36

Note: Board accepts EDO memory. Board also accepts x 32 SIMMs.

CACHE CONFIGURATION

Note: 256KB/512KB cache is located on the Pentium Pro CPU.

CPU SPEED SELECTION

CPU speed

Clock speed

Multiplier

JP3

JP4

JP5

JP6

JP7

150MHz

60MHz

2.5x

2 & 3

2 & 3

1 & 2

1 & 2

2 & 3

166MHz

66MHz

2.5x

2 & 3

2 & 3

1 & 2

2 & 3

1 & 2

180MHz

60MHz

3x

2 & 3

1 & 2

2 & 3

1 & 2

2 & 3

200MHz

66MHz

3x

2 & 3

1 & 2

2 & 3

2 & 3

1 & 2

Note: Pins designated should be in the closed position.