DIAMOND FLOWER, INC.

P2XLX (REV. A+)

Processor

Pentium II

Processor Speed

233/266/300/333MHz

Chip Set

Intel

Video Chip Set

None

Maximum Onboard Memory

384MB (EDO supported)

Maximum Video Memory

None

Cache

256/512KB (located on Pentium II CPU)

BIOS

Award

Dimensions

305mm x 244mm

I/O Options

32-bit PCI slots (4), floppy drive interface, green PC connector, IDE interfaces (2), parallel port, PS/2 mouse port, serial ports (2), IR connector, USB connectors (2), ATX power connector, AGP slot

NPU Options

None

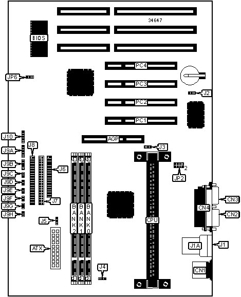
CONNECTIONS

Purpose

Location

Purpose

Location

AGP slot

AGP

IDE interface 2

J7

ATX power connector

ATX

IDE interface 1

J8

PS/2 mouse port

CN1

Power LED & keylock

J9A

Serial port 2

CN2

Speaker

J9B

Serial port 1

CN3

Reset switch

J9C

Parallel port

CN4

Green PC connector

J9D

USB connector 1

J1

Soft off power supply

J9E

USB connector 2

J1A

Green PC LED

J9F

Wake on LAN connector

J2

IDE interface LED

J9G

AGP fan power

J3

ATX LED

J9H

CPU fan power

J4

IR connector

J10

Chassis fan power

J5

32-bit PCI slots

PC1 – PC4

Floppy drive interface

J6

   

USER CONFIGURABLE SETTINGS

Function

Label

Position

»

CMOS memory normal operation

JP6

Pins 1 & 2 closed

 

CMOS memory clear

JP6

Pins 2 & 3 closed

DIMM CONFIGURATION

Size

Bank 0

Bank 1

Bank 2

8MB

(1) 1M x 64

None

None

16MB

(1) 2M x 64

None

None

16MB

(1) 1M x 64

(1) 1M x 64

None

24MB

(1) 2M x 64

(1) 1M x 64

None

24MB

(1) 1M x 64

(1) 1M x 64

(1) 1M x 64

32MB

(1) 4M x 64

None

None

32MB

(1) 2M x 64

(1) 2M x 64

None

40MB

(1) 4M x 64

(1) 1M x 64

None

48MB

(1) 4M x 64

(1) 2M x 64

None

48MB

(1) 2M x 64

(1) 2M x 64

(1) 2M x 64

64MB

(1) 8M x 64

None

None

64MB

(1) 4M x 64

(1) 4M x 64

None

72MB

(1) 8M x 64

(1) 1M x 64

None

80MB

(1) 8M x 64

(1) 2M x 64

None

96MB

(1) 8M x 64

(1) 4M x 64

None

96MB

(1) 4M x 64

(1) 4M x 64

(1) 4M x 64

128MB

(1) 16M x 64

None

None

128MB

(1) 8M x 64

(1) 8M x 64

None

136MB

(1) 16M x 64

(1) 1M x 64

None

DIMM CONFIGURATION (CON’T)

Size

Bank 0

Bank 1

Bank 2

144MB

(1) 16M x 64

(1) 2M x 64

None

160MB

(1) 16M x 64

(1) 4M x 64

None

192MB

(1) 16M x 64

(1) 8M x 64

None

192MB

(1) 8M x 64

(1) 8M x 64

(1) 8M x 64

256MB

(1) 16M x 64

(1) 16M x 64

None

384MB

(1) 16M x 64

(1) 16M x 64

(1) 16M x 64

Note: Board accepts EDO memory.

CACHE CONFIGURATION

Note: 256KB/512KB cache is located on the Pentium II CPU.

CPU SPEED SELECTION

CPU speed

Clock speed

Multiplier

JP2/pins 1 & 2

JP2/pins 3 & 4

233MHz

66MHz

3.5x

Open

Open

266MHz

66MHz

4x

Closed

Closed

300MHz

66MHz

4.5

Open

Closed

333MHz

66MHz

5x

Closed

Open

CPU SPEED SELECTION

CPU speed

Clock speed

Multiplier

JP2/pins 5 & 6

JP2/pins 7 & 8

233MHz

66MHz

3.5x

Closed

Closed

266MHz

66MHz

4x

Open

Closed

300MHz

66MHz

4.5

Open

Closed

333MHz

66MHz

5x

Open

Closed