EPOX COMPUTER CO., LTD.

KP6-FX

Processor

Pentium II

Processor Speed

200/233/266/300MHz

Chip Set

Intel

Video Chip Set

None

Maximum Onboard Memory

1GB (EDO supported)

Maximum Video Memory

None

Cache

Unidentified

BIOS

Award

Dimensions

305mm x 244mm

I/O Options

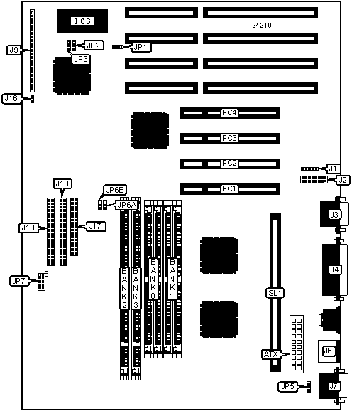
32-bit PCI slots (4), floppy drive interface, green PC connector, IDE interfaces (2), parallel port, PS/2 mouse port, serial ports (2), IR connector, USB connector, ATX power connector

NPU Options

None

CONNECTIONS

Purpose

Location

Purpose

Location

ATX power connector

ATX

Green PC connector

J9/pins 18 & 19

IR connector

J1

Green PC LED

J9/pins 21 & 22

USB connector

J2

IDE interface LED

J9/pins 24 & 25

Serial port 2

J3

Soft off power supply

J16

Parallel port

J4

Floppy drive interface

J17

PS/2 mouse port

J6

IDE interface 1

J18

Serial port 1

J7

IDE interface 2

J19

Power LED & keylock

J9/pins 1 – 5

Chassis fan power

JP5

Speaker

J9/pins 7 - 10

32-bit PCI slots

PC1 – PC4

Reset switch

J9/pins 12 & 13

CPU Slot 1

SL1

Turbo LED

J9/pins 15 & 16

   

USER CONFIGURABLE SETTINGS

Function

Label

Position

»

CMOS memory normal operation

JP1

Pins 1 & 2 closed

 

CMOS memory clear

JP1

Pins 2 & 3 closed

DIMM/DRAM CONFIGURATION

Size

Bank 0

Bank 1

Bank 2

Bank 3

8MB

(2) 1M x 36

None

None

None

8MB

None

(2) 1M x 36

None

None

8MB

None

None

(1) 1M x 64

None

16MB

(2) 2M x 36

None

None

None

16MB

None

None

(1) 2M x 64

None

16MB

(2) 1M x 36

(2) 1M x 36

None

None

16MB

(2) 1M x 36

None

None

(1) 1M x 64

16MB

None

None

(1) 1M x 64

(1) 1M x 64

24MB

None

(2) 2M x 36

(1) 1M x 64

None

32MB

(2) 4M x 36

None

None

None

32MB

None

None

(1) 4M x 64

None

32MB

(2) 2M x 36

None

None

(1) 2M x 64

32MB

None

(2) 2M x 36

(1) 2M x 64

None

40MB

(2) 4M x 36

(2) 1M x 36

None

None

40MB

(2) 4M x 36

None

None

(1) 1M x 64

48MB

(2) 2M x 36

None

None

(1) 4M x 64

48MB

(2) 4M x 36

(2) 2M x 36

None

None

48MB

(2) 4M x 36

None

None

(1) 2M x 64

64MB

(2) 8M x 36

None

None

None

64MB

None

None

None

(1) 8M x 64

64MB

(2) 4M x 36

(2) 4M x 36

None

None

64MB

(2) 4M x 36

None

None

(1) 4M x 64

64MB

None

None

(1) 4M x 64

(1) 4M x 64

DIMM/DRAM CONFIGURATION (CON’T)

Size

Bank 0

Bank 1

Bank 2

Bank 3

72MB

(2) 8M x 36

(2) 1M x 36

None

None

72MB

(2) 8M x 36

None

None

(1) 1M x 64

80MB

None

(2) 2M x 36

(1) 8M x 64

None

80MB

(2) 2M x 36

None

None

(1) 8M x 64

80MB

(2) 8M x 36

(2) 2M x 36

None

None

80MB

(2) 8M x 36

None

None

(1) 2M x 64

96MB

(2) 4M x 36

None

None

(1) 8M x 64

96MB

(2) 8M x 36

(2) 4M x 36

None

None

96MB

(2) 8M x 36

None

None

(1) 4M x 64

96MB

None

(2) 8M x 36

(1) 4M x 64

None

128MB

None

None

(1) 8M x 64

(1) 8M x 64

128MB

(2) 8M x 36

(2) 8M x 36

None

None

128MB

(2) 8M x 36

None

None

(1) 8M x 64

128MB

(2) 16M x 36

None

None

None

128MB

None

None

(1) 16M x 64

None

136MB

(2) 16M x 36

(2) 1M x 36

None

None

136MB

None

None

(1) 16M x 64

(1) 1M x 64

144MB

(2) 16M x 36

(2) 2M x 36

None

None

144MB

None

None

(1) 16M x 64

(1) 2M x 64

160MB

(2) 16M x 36

(2) 4M x 36

None

None

160MB

None

None

(1) 16M x 64

(1) 4M x 64

192MB

(2) 16M x 36

(2) 8M x 36

None

None

192MB

None

None

(1) 16M x 64

(1) 8M x 64

256MB

(2) 16M x 36

(2) 16M x 36

None

None

256MB

(2) 32M x 36

None

None

None

256MB

None

None

(1) 16M x 64

(1) 16M x 64

264MB

(2) 32M x 36

(2) 1M x 36

None

None

272MB

(2) 32M x 36

(2) 2M x 36

None

None

288MB

(2) 32M x 36

(2) 4M x 36

None

None

320MB

(2) 32M x 36

(2) 8M x 36

None

None

384MB

(2) 32M x 36

(2) 16M x 36

None

None

512MB

(2) 32M x 36

(2) 32M x 36

None

None

512MB

None

None

(1) 64M x 64

None

520MB

None

None

(1) 64M x 64

(1) 1M x 64

528MB

None

None

(1) 64M x 64

(1) 2M x 64

544MB

None

None

(1) 64M x 64

(1) 4M x 64

576MB

None

None

(1) 64M x 64

(1) 8M x 64

640MB

None

None

(1) 64M x 64

(1) 16M x 64

1GB

(2) 32M x 36

(2) 32M x 36

(1) 64M x 64

None

1GB

None

None

(1) 64M x 64

(1) 64M x 64

Note: Board accepts EDO memory. Board also accepts x 32 SIMMs.

DIMM VOLTAGE CONFIGURATION

Voltage

JP6A

JP6B

»

3.3v

Pins 2 & 3 closed

Pins 2 & 3 closed

 

Reserved

Pins 1 & 2 closed

Pins 1 & 2 closed

CACHE CONFIGURATION

Note: The size of the cache is unidentified.

CPU SPEED SELECTION

Speed

JP7

200MHz

Pins 1 & 6 closed

233MHz

Pins 2 & 7 closed

266MHz

Pins 3 & 8 closed

300MHz

Pins 4 & 9 closed

FLASH BIOS VOLTAGE SELECTION

Voltage

JP2

JP3

»

5v

Pins 2 & 3 closed

Pins 2 & 3 closed

 

12v

Pins 1 & 2 closed

Pins 1 & 2 closed