GEMLIGHT COMPUTER LTD.
GMB-P57SAX (VER. 1.20)
|
Device Type |
Mainboard |
|
Processor |
CX 6X86/IBM 6X86/CX 6X86L/IBM 6X86L/CX 6X86MX/IBM 6X86MX/AM K5/AM K6/Pentium/Pentium MMX |
|
Processor Speed |
90/100/120/133/150/166/200/233/266MHz |
|
Chip Set |
SIS 5598 |
|
Maximum Onboard Memory |
384MB (EDO & SDRAM supported) |
|
Cache |
512KB |
|
BIOS |
Award |
|
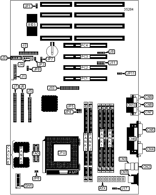
I/O Options |
32-bit PCI slots (4), CD-ROM interface (2), floppy drive interface, game port, IDE interfaces (2), parallel port, PS/2 mouse port, serial ports (2), VGA feature connector, VGA port, IR connector, USB connectors (2), wavetable connector, ATX power connector, microphone in, line in, line out |
|
CONNECTIONS | |||
|
Purpose |
Location |
Purpose |
Location |
|
ATX power connector |
ATX |
Reset switch |
J1/pins 9 & 10 |
|
PS/2 mouse port |
CN1 |
Power LED & keylock |
J1/pins 11-15 |
|
USB connector 1 |
CN2 |
Speaker |
J1/pins 16-20 |
|
USB connector 2 |
CN3 |
Wavetable connector |
J2 |
|
Serial port 1 |
CN4 |
Audio in - CD-ROM (Panasonic/Mitsumi) |
J3 |
|
VGA port |
CN5 |
Audio in - CD-ROM (Sony) |
J4 |
|
Parallel port |
CN6 |
Floppy drive interface |
J5 |
|
External speaker |
CN7 |
IDE interface 1 |
J6 |
|
Line in |
CN8 |
IDE interface 2 |
J7 |
|
Microphone in |
CN9 |
IR connector |
J8 |
|
Game port |
CN10 |
VGA feature connector |
J10 |
|
IDE interface LED |
J1/pins 1 & 2 |
Serial port 2 |
J11 |
|
Suspend LED |
J1/pins 3 & 4 |
Chassis fan power |
J17 |
|
Suspend switch |
J1/pins 5 & 6 |
Internal modem ring-in connector |
JP11 |
|
Power switch |
J1/pins 7 & 8 |
32-bit PCI slots |
PC1 - PC4 |
|
USER CONFIGURABLE SETTINGS | |||
|
Function |
Label |
Position | |
|
Flash BIOS voltage select 12v |
JP1 |
Pins 1 & 2 closed | |
|
Flash BIOS voltage select 5v |
JP1 |
Pins 2 & 3 closed | |
|
Onboard audio enabled |
JP3 |
Closed | |
|
Onboard audio disabled |
JP3 |
Open | |
|
» |
Factory configured - do not alter |
JP6 |
Open |
|
» |
CMOS memory normal operation |
JP8 |
Pins 1 & 2 closed |
|
CMOS memory clear |
JP8 |
Pins 2 & 3 closed | |
|
VGA SETTINGS | ||
|
Function |
JP4 |
JP5 |
|
Onboard VGA enabled |
Pins 2 & 3 closed |
Pins 1 & 2 closed |
|
Onboard VGA disabled |
Pins 1 & 2 closed |
Pins 2 & 3 closed |
|
SIMM CONFIGURATION | ||
|
Size |
Bank 0 |
Bank 1 |
|
8MB |
(2) 1MB x 36 |
None |
|
16MB |
(2) 1MB x 36 |
(2) 1MB x 36 |
|
16MB |
(2) 2MB x 36 |
None |
|
24MB |
(2) 2MB x 36 |
(2) 1MB x 36 |
|
32MB |
(2) 2MB x 36 |
(2) 2MB x 36 |
|
32MB |
(2) 4MB x 36 |
None |
|
40MB |
(2) 4MB x 36 |
(2) 1MB x 36 |
|
48MB |
(2) 4MB x 36 |
(2) 2MB x 36 |
|
64MB |
(2) 4MB x 36 |
(2) 4MB x 36 |
|
64MB |
(2) 8MB x 36 |
None |
|
72MB |
(2) 8MB x 36 |
(2) 1MB x 36 |
|
80MB |
(2) 8MB x 36 |
(2) 2MB x 36 |
|
96MB |
(2) 8MB x 36 |
(2) 4MB x 36 |
|
128MB |
(2) 8MB x 36 |
(2) 8MB x 36 |
|
128MB |
(2) 16MB x 36 |
None |
|
136MB |
(2) 16MB x 36 |
(2) 1MB x 36 |
|
144MB |
(2) 16MB x 36 |
(2) 2MB x 36 |
|
160MB |
(2) 16MB x 36 |
(2) 4MB x 36 |
|
192MB |
(2) 16MB x 36 |
(2) 8MB x 36 |
|
256MB |
(2) 16MB x 36 |
(2) 16MB x 36 |
|
Note: Board accepts EDO memory. | ||
|
DIMM CONFIGURATION | ||
|
Size |
Bank 2 |
Bank 3 |
|
8MB |
(1) 1MB x 64 |
None |
|
16MB |
(1) 1MB x 64 |
(1) 1MB x 64 |
|
16MB |
(1) 2MB x 64 |
None |
|
24MB |
(1) 2MB x 64 |
(1) 1MB x 64 |
|
32MB |
(1) 2MB x 64 |
(1) 2MB x 64 |
|
32MB |
(1) 4MB x 64 |
None |
|
40MB |
(1) 4MB x 64 |
(1) 1MB x 64 |
|
48MB |
(1) 4MB x 64 |
(1) 2MB x 64 |
|
64MB |
(1) 4MB x 64 |
(1) 4MB x 64 |
|
64MB |
(1) 8MB x 64 |
None |
|
72MB |
(1) 8MB x 64 |
(1) 1MB x 64 |
|
80MB |
(1) 8MB x 64 |
(1) 2MB x 64 |
|
96MB |
(1) 8MB x 64 |
(1) 4MB x 64 |
|
128MB |
(1) 8MB x 64 |
(1) 8MB x 64 |
|
128MB |
(1) 16MB x 64 |
None |
|
136MB |
(1) 16MB x 64 |
(1) 1MB x 64 |
|
144MB |
(1) 16MB x 64 |
(1) 2MB x 64 |
|
160MB |
(1) 16MB x 64 |
(1) 4MB x 64 |
|
192MB |
(1) 16MB x 64 |
(1) 8MB x 64 |
|
256MB |
(1) 16MB x 64 |
(1) 16MB x 64 |
|
Note: Board accepts EDO and SDRAM. Bank 2 cannot be used in conjunction with SIMM banks. | ||
|
CPU SPEED SELECTION (CX 6X86) | ||||||||
|
Speed |
Clock speed |
Multiplier |
SW1/3 |
SW1/4 |
SW1/5 |
SW1/6 |
SW1/7 |
SW1/8 |
|
150MHz |
60MHz |
2x |
On |
Off |
Off |
On |
Off |
Off |
|
166MHz |
66MHz |
2x |
On |
Off |
Off |
Off |
Off |
Off |
|
200MHz |
75MHz |
2x |
On |
Off |
Off |
Off |
On |
Off |
|
CPU SPEED SELECTION (IBM 6X86) | ||||||||
|
Speed |
Clock speed |
Multiplier |
SW1/3 |
SW1/4 |
SW1/5 |
SW1/6 |
SW1/7 |
SW1/8 |
|
150MHz |
60MHz |
2x |
On |
Off |
Off |
On |
Off |
Off |
|
166MHz |
66MHz |
2x |
On |
Off |
Off |
Off |
Off |
Off |
|
200MHz |
75MHz |
2x |
On |
Off |
Off |
Off |
On |
Off |
|
CPU SPEED SELECTION (CX 6X86L) | ||||||||
|
Speed |
Clock speed |
Multiplier |
SW1/3 |
SW1/4 |
SW1/5 |
SW1/6 |
SW1/7 |
SW1/8 |
|
150MHz |
60MHz |
2x |
On |
Off |
Off |
On |
Off |
Off |
|
166MHz |
66MHz |
2x |
On |
Off |
Off |
Off |
Off |
Off |
|
200MHz |
75MHz |
2x |
On |
Off |
Off |
Off |
On |
Off |
|
CPU SPEED SELECTION (IBM 6X86L) | ||||||||
|
Speed |
Clock speed |
Multiplier |
SW1/3 |
SW1/4 |
SW1/5 |
SW1/6 |
SW1/7 |
SW1/8 |
|
150MHz |
60MHz |
2x |
On |
Off |
Off |
On |
Off |
Off |
|
166MHz |
66MHz |
2x |
On |
Off |
Off |
Off |
Off |
Off |
|
200MHz |
75MHz |
2x |
On |
Off |
Off |
Off |
On |
Off |
|
CPU SPEED SELECTION (CX 6X86MX) | ||||||||
|
Speed |
Clock speed |
Multiplier |
SW1/3 |
SW1/4 |
SW1/5 |
SW1/6 |
SW1/7 |
SW1/8 |
|
166MHz |
60MHz |
2.5x |
On |
On |
Off |
On |
Off |
Off |
|
200MHz |
75MHz |
2x |
On |
Off |
Off |
Off |
On |
Off |
|
CPU SPEED SELECTION (IBM 6X86MX) | ||||||||
|
Speed |
Clock speed |
Multiplier |
SW1/3 |
SW1/4 |
SW1/5 |
SW1/6 |
SW1/7 |
SW1/8 |
|
166MHz |
60MHz |
2.5x |
On |
On |
Off |
On |
Off |
Off |
|
200MHz |
75MHz |
2x |
On |
Off |
Off |
Off |
On |
Off |
|
CPU SPEED SELECTION (AM K5) | ||||||||
|
Speed |
Clock speed |
Multiplier |
SW1/3 |
SW1/4 |
SW1/5 |
SW1/6 |
SW1/7 |
SW1/8 |
|
120MHz |
60MHz |
2x |
On |
Off |
Off |
On |
Off |
Off |
|
133MHz |
66MHz |
2x |
On |
Off |
Off |
Off |
Off |
Off |
|
166MHz |
66MHz |
2.5x |
On |
On |
Off |
Off |
Off |
Off |
|
CPU SPEED SELECTION (AM K6) | ||||||||
|
Speed |
Clock speed |
Multiplier |
SW1/3 |
SW1/4 |
SW1/5 |
SW1/6 |
SW1/7 |
SW1/8 |
|
166MHz |
66MHz |
2.5x |
On |
On |
Off |
Off |
Off |
Off |
|
200MHz |
66MHz |
3x |
Off |
On |
Off |
Off |
Off |
Off |
|
233MHz |
66MHz |
3.5x |
Off |
Off |
Off |
Off |
Off |
Off |
|
266MHz |
66MHz |
4x |
Off |
Off |
On |
Off |
Off |
Off |
|
CPU SPEED SELECTION (PENTIUM) | ||||||||
|
Speed |
Clock speed |
Multiplier |
SW1/3 |
SW1/4 |
SW1/5 |
SW1/6 |
SW1/7 |
SW1/8 |
|
90MHz |
60MHz |
1.5x |
Off |
Off |
Off |
On |
Off |
Off |
|
100MHz |
66MHz |
1.5x |
Off |
Off |
Off |
Off |
Off |
Off |
|
120MHz |
60MHz |
2x |
On |
Off |
Off |
On |
Off |
Off |
|
133MHz |
66MHz |
2x |
On |
Off |
Off |
Off |
Off |
Off |
|
150MHz |
60MHz |
2.5x |
On |
On |
Off |
On |
Off |
Off |
|
166MHz |
66MHz |
2.5x |
On |
On |
Off |
Off |
Off |
Off |
|
200MHz |
66MHz |
3x |
Off |
On |
Off |
Off |
Off |
Off |
|
CPU SPEED SELECTION (PENTIUM MMX) | ||||||||
|
Speed |
Clock speed |
Multiplier |
SW1/3 |
SW1/4 |
SW1/5 |
SW1/6 |
SW1/7 |
SW1/8 |
|
166MHz |
66MHz |
2.5x |
On |
On |
Off |
Off |
Off |
Off |
|
200MHz |
66MHz |
3x |
Off |
On |
Off |
Off |
Off |
Off |
|
233MHz |
66MHz |
3.5x |
Off |
Off |
Off |
Off |
Off |
Off |
|
CPU VOLTAGE SELECTION | ||
|
Voltage |
SW1/1 |
SW1/2 |
|
Auto detection |
Off |
Off |
|
Note: Using the auto detection mode, CPU voltage is selected from within the BIOS. No alternative settings are provided. | ||