MICRO-STAR INTERNATIONAL CO., LTD.
MS-6110
|
Device Type |
Mainboard |
|
Processor |
Pentium II |
|
Processor Speed |
233/266MHz |
|
Chip Set |
Intel |
|
Video Chip Set |
None |
|
Maximum Onboard Memory |
1GB (EDO supported) |
|
Maximum Video Memory |
None |
|
Cache |
256/512KB (located on Pentium II CPU) |
|
BIOS |
Unidentified |
|
Dimensions |
300mm x 250mm |
|
I/O Options |
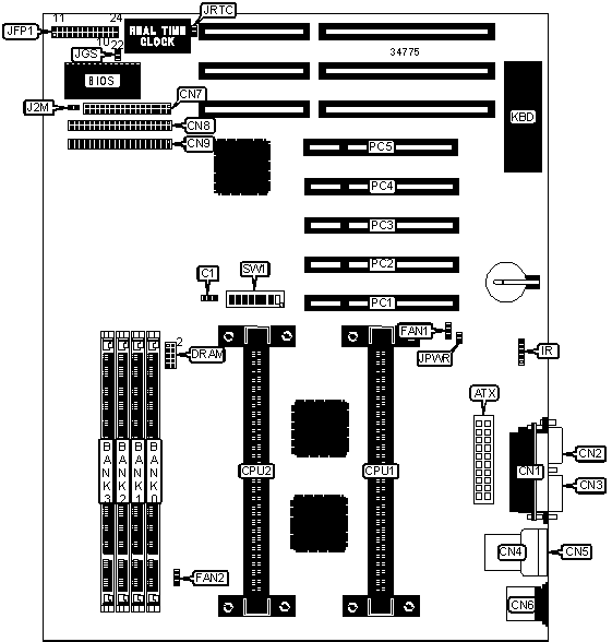
32-bit PCI slots (5), floppy drive interface, green PC connector, IDE interfaces (2), parallel port, PS/2 mouse port, serial ports (2), IR connector, USB connectors (2), ATX power connector |
|
NPU Options |
None |
|
CONNECTIONS | |||
|
Purpose |
Location |
Purpose |
Location |
|
ATX power connector |
ATX |
CPU fan power 2 |
FAN2 |
|
Parallel port |
CN1 |
IR connector |
IR |
|
Serial port 2 |
CN2 |
Power LED & keylock |
JFP1/pins 1 - 5 |
|
Serial port 1 |
CN3 |
Speaker |
JFP1/pins 7 - 10 |
|
USB connector 1 |
CN4 |
Turbo LED |
JFP1/pins 12 & 13 |
|
USB connector 2 |
CN5 |
Reset switch |
JFP1/pins 19 & 20 |
|
PS/2 mouse port |
CN6 |
IDE interface LED |
JFP1/pins 22 & 24 |
|
Floppy drive interface |
CN7 |
Green PC connector |
JGS |
|
IDE interface 2 |
CN8 |
Soft off power supply |
JPWR |
|
IDE interface 1 |
CN9 |
32-bit PCI slots |
PC1 – PC5 |
|
CPU fan power 1 |
FAN1 | ||
|
USER CONFIGURABLE SETTINGS | |||
|
Function |
Label |
Position | |
|
» |
Factory configured - do not alter |
C1 |
Unidentified |
|
» |
Flash BIOS voltage select 5v |
J2M |
Open |
|
Flash BIOS voltage select 12v |
J2M |
Closed | |
|
» |
CMOS memory normal operation |
JRTC |
Open |
|
CMOS memory clear |
JRTC |
Closed | |
|
DIMM CONFIGURATION | ||||
|
Size |
Bank 0 |
Bank 1 |
Bank 2 |
Bank 3 |
|
8MB |
(1) 1M x 64 |
None |
None |
None |
|
16MB |
(1) 2M x 64 |
None |
None |
None |
|
16MB |
(1) 1M x 64 |
(1) 1M x 64 |
None |
None |
|
24MB |
(1) 2M x 64 |
(1) 1M x 64 |
None |
None |
|
24MB |
(1) 1M x 64 |
(1) 1M x 64 |
(1) 1M x 64 |
None |
|
32MB |
(1) 4M x 64 |
None |
None |
None |
|
32MB |
(1) 2M x 64 |
(1) 2M x 64 |
None |
None |
|
32MB |
(1) 1M x 64 |
(1) 1M x 64 |
(1) 1M x 64 |
(1) 1M x 64 |
|
40MB |
(1) 4M x 64 |
(1) 1M x 64 |
None |
None |
|
48MB |
(1) 4M x 64 |
(1) 2M x 64 |
None |
None |
|
48MB |
(1) 2M x 64 |
(1) 2M x 64 |
(1) 2M x 64 |
None |
|
64MB |
(1) 8M x 64 |
None |
None |
None |
|
64MB |
(1) 4M x 64 |
(1) 4M x 64 |
None |
None |
|
64MB |
(1) 2M x 64 |
(1) 2M x 64 |
(1) 2M x 64 |
(1) 2M x 64 |
|
72MB |
(1) 8M x 64 |
(1) 1M x 64 |
None |
None |
|
80MB |
(1) 8M x 64 |
(1) 2M x 64 |
None |
None |
|
96MB |
(1) 8M x 64 |
(1) 4M x 64 |
None |
None |
|
96MB |
(1) 4M x 64 |
(1) 4M x 64 |
(1) 4M x 64 |
None |
|
128MB |
(1) 16M x 64 |
None |
None |
None |
|
DIMM CONFIGURATION (CON’T) | ||||
|
Size |
Bank 0 |
Bank 1 |
Bank 2 |
Bank 3 |
|
128MB |
(1) 8M x 64 |
(1) 8M x 64 |
None |
None |
|
128MB |
(1) 4M x 64 |
(1) 4M x 64 |
(1) 4M x 64 |
(1) 4M x 64 |
|
136MB |
(1) 16M x 64 |
(1) 1M x 64 |
None |
None |
|
144MB |
(1) 16M x 64 |
(1) 2M x 64 |
None |
None |
|
160MB |
(1) 16M x 64 |
(1) 4M x 64 |
None |
None |
|
192MB |
(1) 16M x 64 |
(1) 8M x 64 |
None |
None |
|
192MB |
(1) 8M x 64 |
(1) 8M x 64 |
(1) 8M x 64 |
None |
|
256MB |
(1) 16M x 64 |
(1) 16M x 64 |
None |
None |
|
256MB |
(1) 8M x 64 |
(1) 8M x 64 |
(1) 8M x 64 |
(1) 8M x 64 |
|
256MB |
(1) 32M x 64 |
None |
None |
None |
|
288MB |
(1) 32M x 64 |
(1) 4M x 64 |
None |
None |
|
320MB |
(1) 32M x 64 |
(1) 8M x 64 |
None |
None |
|
320MB |
(1) 32M x 64 |
(1) 4M x 64 |
(1) 4M x 64 |
None |
|
352MB |
(1) 32M x 64 |
(1) 4M x 64 |
(1) 4M x 64 |
(1) 4M x 64 |
|
384MB |
(1) 32M x 64 |
(1) 16M x 64 |
None |
None |
|
384MB |
(1) 32M x 64 |
(1) 8M x 64 |
(1) 8M x 64 |
None |
|
384MB |
(1) 16M x 64 |
(1) 16M x 64 |
(1) 16M x 64 |
None |
|
448MB |
(1) 32M x 64 |
(1) 8M x 64 |
(1) 8M x 64 |
(1) 8M x 64 |
|
512MB |
(1) 32M x 64 |
(1) 16M x 64 |
(1) 16M x 64 |
None |
|
512MB |
(1) 16M x 64 |
(1) 16M x 64 |
(1) 16M x 64 |
(1) 16M x 64 |
|
512MB |
(1) 32M x 64 |
(1) 32M x 64 |
None |
None |
|
640MB |
(1) 32M x 64 |
(1) 16M x 64 |
(1) 16M x 64 |
(1) 16M x 64 |
|
768MB |
(1) 32M x 64 |
(1) 32M x 64 |
(1) 32M x 64 |
None |
|
1024MB |
(1) 32M x 64 |
(1) 32M x 64 |
(1) 32M x 64 |
(1) 32M x 64 |
|
Note: Board accepts EDO memory. | ||||
|
DIMM VOLTAGE SELECTION | |
|
Voltage |
DRAM |
|
3.3v |
Pins 1 & 2, 3 & 4 closed |
|
5v |
Pins 7 & 8, 9 & 10 closed |
|
CACHE CONFIGURATION |
|
Note: 256KB/512KB cache is located on the Pentium II CPU. |
|
CPU BUS SPEED SELECTION | ||||
|
Speed |
SW1/1 |
SW1/2 |
SW1/3 |
SW1/4 |
|
60MHz |
Off |
Off |
On |
On |
|
66MHz |
On |
On |
Off |
Off |
|
CPU MULTIPLIER SELECTION | ||||
|
Multiplier |
SW1/5 |
SW1/6 |
SW1/7 |
SW1/8 |
|
2x |
On |
On |
On |
On |
|
2.5x |
Off |
On |
On |
On |
|
3x |
On |
Off |
On |
On |
|
3.5x |
Off |
Off |
On |
On |
|
4x |
On |
On |
Off |
On |
|
4.5x |
Off |
On |
Off |
On |
|
5x |
On |
Off |
Off |
On |
|
5.5x |
Off |
Off |
Off |
Off |
|
6x |
On |
On |
On |
On |
|
6.5x |
Off |
On |
On |
On |
|
MISCELLANEOUS TECHNICAL NOTE |
|
If only one CPU is installed, a CPU terminator must be installed in the 2 nd slot. |