CALIFORNIA GRAPHICS & PERIPHERALS, INC.

POWER PRO II AGP VIDEO

Device Type

Mainboard

Processor

Pentium II

Processor Speed

233/266/300MHz

Chip Set

Intel 440LX

Video Chip Set

S3

Maximum Onboard Memory

384MB DRAM (EDO & SDRAM supported)

Maximum Video Memory

4MB DRAM

Cache

512KB cache (located on the Pentium II CPU)

BIOS

AMI

Dimensions

307mm x 241mm

I/O Options

PS/2 mouse port, USB port (2), serial ports (2), parallel port, VGA port, line out, line in, microphone, game port, TV out connector, audio in - CD-ROM (2), Wave table connector, VGA feature connector, IR connector

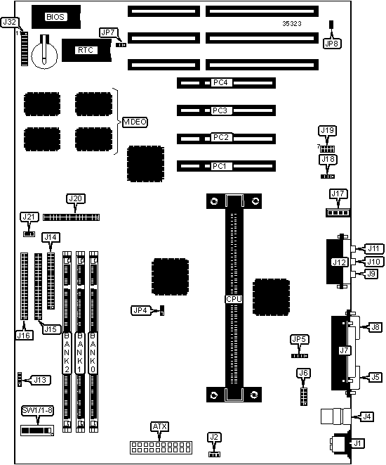
CONNECTIONS

Purpose

Location

Purpose

Location

ATX Connector

ATX

IDE interface 2

J16

PS/2 mouse port

J1

Audio in - CD-ROM

J17

CPU fan power

J2

Audio in - CD-ROM

J18

USB port 1

J4

Wave table connector

J19

USB port 2

J4

VGA feature connector

J20

Serial port 1

J5

Chassis fan power

J21

Serial port 2

J6

Speaker

J32/pins 1 - 4

Parallel port

J7

Soft off power supply

J32/pins 6 & 16

VGA port

J8

Power switch

J32/pins 7 & 17

Line out

J9

Turbo LED

J32/pins 8 & 18

Line in

J10

Reset switch

J32/pins 9 & 19

Microphone

J11

IDE interface LED

J32/pins 10 & 20

Game port

J12

Power LED & keylock

J32/pins 11 - 15

TV out connector

J13

Chassis intrusion monitoring

JP4

Floppy drive interface

J14

IR connector

JP5

IDE interface 1

J15

32-bit PCI slots

PC1 - PC4

USER CONFIGURABLE SETTINGS

Function

Label

Position

»

CMOS memory normal operation

JP7

Pins 1 & 2 closed

 

CMOS memory clear

JP7

Pins 2 & 3 closed

»

Onboard audio enabled

JP8

Closed

 

Onboard audio disabled

JP8

Open

DIMM CONFIGURATION

Size

Bank 0

Bank 1

Bank 2

8MB

(1) 1MB x 64

None

None

16MB

(1) 1MB x 64

(1) 1MB x 64

None

16MB

(1) 2MB x 64

None

None

24MB

(1) 1MB x 64

(1) 1MB x 64

(1) 1MB x 64

24MB

(1) 2MB x 64

(1) 1MB x 64

None

32MB

(1) 2MB x 64

(1) 2MB x 64

None

32MB

(1) 4MB x 64

None

None

32MB

(1) 2MB x 64

(1) 1MB x 64

(1) 1MB x 64

40MB

(1) 4MB x 64

(1) 1MB x 64

None

48MB

(1) 2MB x 64

(1) 2MB x 64

(1) 2MB x 64

48MB

(1) 4MB x 64

(1) 2MB x 64

None

48MB

(1) 4MB x 64

(1) 1MB x 64

(1) 1MB x 64

56MB

(1) 4MB x 64

(1) 2MB x 64

(1) 1MB x 64

64MB

(1) 4MB x 64

(1) 4MB x 64

None

64MB

(1) 8MB x 64

None

None

64MB

(1) 4MB x 64

(1) 2MB x 64

(1) 2MB x 64

72MB

(1) 8MB x 64

(1) 1MB x 64

None

DIMM CONFIGURATION (CONT.)

Size

Bank 0

Bank 1

Bank 2

80MB

(1) 8MB x 64

(1) 2MB x 64

None

80MB

(1) 8MB x 64

(1) 1MB x 64

(1) 1MB x 64

96MB

(1) 4MB x 64

(1) 4MB x 64

(1) 4MB x 64

96MB

(1) 8MB x 64

(1) 4MB x 64

None

96MB

(1) 8MB x 64

(1) 2MB x 64

(1) 2MB x 64

104MB

(1) 8MB x 64

(1) 4MB x 64

(1) 1MB x 64

112MB

(1) 8MB x 64

(1) 4MB x 64

(1) 2MB x 64

128MB

(1) 8MB x 64

(1) 8MB x 64

None

128MB

(1) 16MB x 64

None

None

128MB

(1) 8MB x 64

(1) 4MB x 64

(1) 4MB x 64

136MB

(1) 16MB x 64

(1) 1MB x 64

None

144MB

(1) 16MB x 64

(1) 2MB x 64

None

144MB

(1) 16MB x 64

(1) 1MB x 64

(1) 1MB x 64

152MB

(1) 16MB x 64

(1) 2MB x 64

(1) 1MB x 64

160MB

(1) 16MB x 64

(1) 2MB x 64

(1) 2MB x 64

168MB

(1) 16MB x 64

(1) 4MB x 64

None

168MB

(1) 16MB x 64

(1) 4MB x 64

(1) 1MB x 64

176MB

(1) 16MB x 64

(1) 4MB x 64

(1) 2MB x 64

192MB

(1) 8MB x 64

(1) 8MB x 64

(1) 8MB x 64

192MB

(1) 16MB x 64

(1) 8MB x 64

None

192MB

(1) 16MB x 64

(1) 4MB x 64

(1) 4MB x 64

200MB

(1) 16MB x 64

(1) 8MB x 64

(1) 1MB x 64

208MB

(1) 16MB x 64

(1) 8MB x 64

(1) 2MB x 64

224MB

(1) 16MB x 64

(1) 8MB x 64

(1) 4MB x 64

256MB

(1) 16MB x 64

(1) 16MB x 64

None

256MB

(1) 16MB x 64

(1) 8MB x 64

(1) 8MB x 64

384MB

(1) 16MB x 64

(1) 16MB x 64

(1) 16MB x 64

CPU SPEED SELECTION

Speed

Clock speed

Multiplier

SW1/1

SW1/2

SW1/3

SW1/4

233MHz

66MHz

3.5x

Off

Off

On

Off

266MHz

66MHz

4x

Off

Off

Off

On

300MHz

66MHz

4.5x

Off

Off

Off

On

CPU SPEED SELECTION (CONT.)

Speed

Clock speed

Multiplier

SW1/5

SW1/6

SW1/7

SW1/8

233MHz

66MHz

3.5x

Off

On

Off

Off

266MHz

66MHz

4x

On

On

Off

Off

300MHz

66MHz

4.5x

Off

On

Off

Off