TRIGEM MICROSYSTEMS, INC.
LN625
|
Device Type |
Mainboard |
|
Processor |
Pentium II |
|
Processor Speed |
233/266/300/333MHz |
|
Chip Set |
Intel 440LX |
|
Video Chip Set |
None |
|
Maximum Onboard Memory |
384MB (EDO & SDRAM supported) |
|
Maximum Video Memory |
None |
|
Cache |
512KB (located on Pentium II CPU) |
|
BIOS |
Unidentified |
|
Dimensions |
305mm x 244mm |
|
I/O Options |
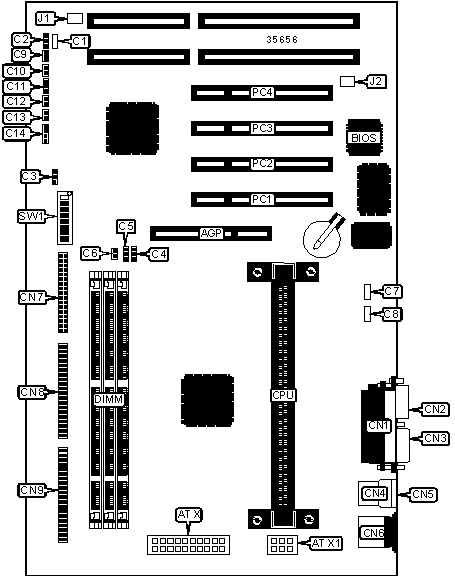
32-bit PCI slots (4), green PC connector, floppy drive interface, IDE interfaces (2), parallel port, PS/2 mouse port, serial ports (2), IR connector, USB connectors (2), ATX power connector, AGP slot |
|
CONNECTIONS | |||
|
Purpose |
Location |
Purpose |
Location |
|
AGP slot |
AGP |
Reset switch |
C12 |
|
ATX power connector |
ATX |
Green PC connector |
C13 |
|
ATX auxiliary power |
ATX1 |
Speaker |
C14 |
|
Chassis fan power |
C1 |
Parallel port |
CN1 |
|
Power LED |
C2 |
Serial port 2 |
CN2 |
|
Chassis fan power |
C3 |
Serial port 1 |
CN3 |
|
Chassis fan power |
C4 |
USB connector 1 |
CN4 |
|
Wake on ring connector |
C5 |
USB connector 2 |
CN5 |
|
Chassis security connector |
C6 |
PS/2 mouse port |
CN6 |
|
Wake on LAN connector |
C7 |
Floppy drive interface |
CN7 |
|
IR connector |
C8 |
IDE interface 1 |
CN8 |
|
IDE interface LED |
C9 |
IDE interface 2 |
CN9 |
|
Soft off power supply |
C10 |
32-bit PCI slots |
PC1 – PC4 |
|
Keylock |
C11 | ||
|
USER CONFIGURABLE SETTINGS | |||
|
Function |
Label |
Position | |
|
» |
Factory configured - do not alter |
J1 |
Unidentified |
|
» |
Factory configured - do not alter |
J2 |
Unidentified |
|
Floppy drive write protect disabled |
SW1/1 |
Off | |
|
Floppy drive write protect enabled |
SW1/1 |
On | |
|
Setup access enabled |
SW1/2 |
Off | |
|
Setup access disabled |
SW1/2 |
On | |
|
Password enabled |
SW1/3 |
Off | |
|
Password disabled |
SW1/3 |
On | |
|
» |
CMOS memory normal operation |
SW1/4 |
Off |
|
CMOS memory clear |
SW1/4 |
On | |
|
DIMM CONFIGURATION | |||
|
Size |
Bank 0 |
Bank 1 |
Bank 2 |
|
8MB |
(1) 1M x 64 |
None |
None |
|
16MB |
(1) 2M x 64 |
None |
None |
|
16MB |
(1) 1M x 64 |
(1) 1M x 64 |
None |
|
24MB |
(1) 2M x 64 |
(1) 1M x 64 |
None |
|
24MB |
(1) 1M x 64 |
(1) 1M x 64 |
(1) 1M x 64 |
|
32MB |
(1) 4M x 64 |
None |
None |
|
DIMM CONFIGURATION (CON’T) | |||
|
Size |
Bank 0 |
Bank 1 |
Bank 2 |
|
32MB |
(1) 2M x 64 |
(1) 1M x 64 |
(1) 1M x 64 |
|
32MB |
(1) 2M x 64 |
(1) 2M x 64 |
None |
|
40MB |
(1) 4M x 64 |
(1) 1M x 64 |
None |
|
40MB |
(1) 2M x 64 |
(1) 2M x 64 |
(1) 1M x 64 |
|
48MB |
(1) 4M x 64 |
(1) 1M x 64 |
(1) 1M x 64 |
|
48MB |
(1) 4M x 64 |
(1) 2M x 64 |
None |
|
48MB |
(1) 2M x 64 |
(1) 2M x 64 |
(1) 2M x 64 |
|
56MB |
(1) 4M x 64 |
(1) 2M x 64 |
(1) 1M x 64 |
|
64MB |
(1) 8M x 64 |
None |
None |
|
64MB |
(1) 4M x 64 |
(1) 2M x 64 |
(1) 2M x 64 |
|
64MB |
(1) 4M x 64 |
(1) 4M x 64 |
None |
|
72MB |
(1) 8M x 64 |
(1) 1M x 64 |
None |
|
72MB |
(1) 4M x 64 |
(1) 4M x 64 |
(1) 1M x 64 |
|
80MB |
(1) 8M x 64 |
(1) 1M x 64 |
(1) 1M x 64 |
|
80MB |
(1) 8M x 64 |
(1) 2M x 64 |
None |
|
80MB |
(1) 4M x 64 |
(1) 4M x 64 |
(1) 2M x 64 |
|
88MB |
(1) 8M x 64 |
(1) 2M x 64 |
(1) 1M x 64 |
|
96MB |
(1) 8M x 64 |
(1) 2M x 64 |
(1) 2M x 64 |
|
96MB |
(1) 8M x 64 |
(1) 4M x 64 |
None |
|
96MB |
(1) 4M x 64 |
(1) 4M x 64 |
(1) 4M x 64 |
|
104MB |
(1) 8M x 64 |
(1) 4M x 64 |
(1) 1M x 64 |
|
112MB |
(1) 8M x 64 |
(1) 4M x 64 |
(1) 2M x 64 |
|
128MB |
(1) 16M x 64 |
None |
None |
|
128MB |
(1) 8M x 64 |
(1) 4M x 64 |
(1) 4M x 64 |
|
128MB |
(1) 8M x 64 |
(1) 8M x 64 |
None |
|
136MB |
(1) 16M x 64 |
(1) 1M x 64 |
None |
|
136MB |
(1) 8M x 64 |
(1) 8M x 64 |
(1) 1M x 64 |
|
144MB |
(1) 16M x 64 |
(1) 1M x 64 |
(1) 1M x 64 |
|
144MB |
(1) 16M x 64 |
(1) 2M x 64 |
None |
|
144MB |
(1) 8M x 64 |
(1) 8M x 64 |
(1) 2M x 64 |
|
152MB |
(1) 16M x 64 |
(1) 2M x 64 |
(1) 1M x 64 |
|
160MB |
(1) 16M x 64 |
(1) 2M x 64 |
(1) 2M x 64 |
|
160MB |
(1) 16M x 64 |
(1) 4M x 64 |
None |
|
DIMM CONFIGURATION (CON’T) | |||
|
Size |
Bank 0 |
Bank 1 |
Bank 2 |
|
160MB |
(1) 8M x 64 |
(1) 8M x 64 |
(1) 4M x 64 |
|
168MB |
(1) 16M x 64 |
(1) 4M x 64 |
(1) 1M x 64 |
|
176MB |
(1) 16M x 64 |
(1) 4M x 64 |
(1) 2M x 64 |
|
192MB |
(1) 16M x 64 |
(1) 4M x 64 |
(1) 4M x 64 |
|
192MB |
(1) 16M x 64 |
(1) 8M x 64 |
None |
|
192MB |
(1) 8M x 64 |
(1) 8M x 64 |
(1) 8M x 64 |
|
200MB |
(1) 16M x 64 |
(1) 8M x 64 |
(1) 1M x 64 |
|
208MB |
(1) 16M x 64 |
(1) 8M x 64 |
(1) 2M x 64 |
|
224MB |
(1) 16M x 64 |
(1) 8M x 64 |
(1) 4M x 64 |
|
256MB |
(1) 16M x 64 |
(1) 8M x 64 |
(1) 8M x 64 |
|
384MB |
(1) 16M x 64 |
(1) 16M x 64 |
(1) 16M x 64 |
|
Note: Board accepts EDO & SDRAM memory. | |||
|
CACHE CONFIGURATION |
|
Note: 256KB/512KB cache is located on the Pentium II CPU. |
|
CPU SPEED SELECTION | ||||||
|
CPU speed |
Clock speed |
Multiplier |
SW1/5 |
SW1/6 |
SW1/7 |
SW1/8 |
|
233MHz |
66MHz |
3.5x |
On |
Off |
Off |
On |
|
266MHz |
66MHz |
4x |
Off |
On |
On |
On |
|
300MHz |
66MHz |
4.5x |
Off |
On |
Off |
On |
|
333MHz |
66MHz |
5x |
Off |
Off |
On |
On |