TYAN COMPUTER CORPORATION
S1894SLA (BX)
|
Device Type |
Mainboard |
|
Processor |
Pentium II/Celeron |
|
Processor Speed |
233/266/300/333/350/400/450MHz |
|
Chip Set |
Intel 440BX |
|
Maximum Onboard Memory |
768MB (SDRAM supported) |
|
Audio Chip Set |
Ensoniq |
|
Cache |
0/128/256/512KB (located on the CPU) |
|
BIOS |
Award |
|
Dimensions |
305mm x 244mm |
|
I/O Options |
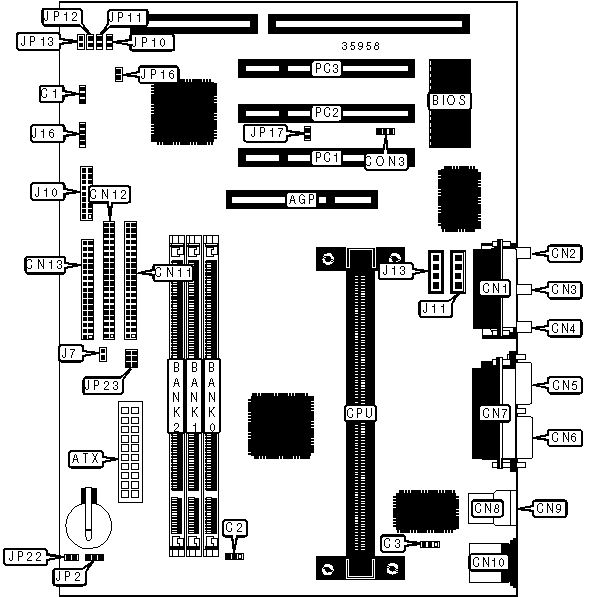
32-bit PCI slots (3), floppy drive interface, game/MIDI port, green PC connector, IDE interfaces (2), parallel port, PS/2 mouse port, serial ports (2), IR connector, USB connectors (2), ATX power connector, AGP slot, line in, line out, microphone in, audio in - CD-ROMs (2), wake on LAN connector |

|
CONNECTIONS |
|||
|
Purpose |
Location |
Purpose |
Location |
|
AGP slot |
AGP |
IDE interface 2 |
CN11 |
|
ATX power connector |
ATX |
IDE interface 1 |
CN12 |
|
Chassis fan power |
C1 |
Floppy drive interface |
CN13 |
|
Chassis fan power |
C2 |
Wake on LAN connector |
CON3 |
|
Chassis fan power |
C3 |
Chassis intrusion |
J7 |
|
Game/MIDI port |
CN1 |
IDE interface LED |
J10/pins 1 -3 |
|
Microphone in |
CN2 |
Power LED |
J10/pins 2 & 4 |
|
Line in |
CN3 |
Reset switch |
J10/pins 5 & 7 or 7 & 8 |
|
Line out |
CN4 |
Soft off power supply |
J10/pins 6 & 8, 5 & 6 |
|
Serial port 2 |
CN5 |
Audio in - CD-ROM |
J11 |
|
Serial port 1 |
CN6 |
Audio in - CD-ROM |
J13 |
|
Parallel port |
CN7 |
Speaker |
J16 |
|
USB connector 1 |
CN8 |
Green PC connector |
JP16 |
|
USB connector 2 |
CN9 |
Power fan power |
JP23 |
|
PS/2 mouse port |
CN10 |
32-bit PCI slots |
PC1 - PC3 |
|
USER CONFIGURABLE SETTINGS |
|||
|
Function |
Label |
Position |
|
|
» |
CMOS memory normal operation |
JP2 |
Pins 1 & 2 closed |
|
|
CMOS memory clear |
JP2 |
Pins 2 & 3 closed |
|
|
On board sound enabled |
JP17 |
Open |
|
|
On board sound disabled |
JP17 |
Closed |
|
» |
Factory configured - do not alter |
JP22 |
Unidentified |
|
DIMM CONFIGURATION |
|||
|
Size |
Bank 0 |
Bank 1 |
Bank 2 |
|
8MB |
(1) 1M x 64 |
None |
None |
|
16MB |
(1) 1M x 64 |
(1) 1M x 64 |
None |
|
16MB |
(1) 2M x 64 |
None |
None |
|
24MB |
(1) 1M x 64 |
(1) 1M x 64 |
(1) 1M x 64 |
|
32MB |
(1) 2M x 64 |
(1) 2M x 64 |
None |
|
32MB |
(1) 4M x 64 |
None |
None |
|
48MB |
(1) 2M x 64 |
(1) 2M x 64 |
(1) 2M x 64 |
|
64MB |
(1) 4M x 64 |
(1) 4M x 64 |
None |
|
64MB |
(1) 8M x 64 |
None |
None |
|
96MB |
(1) 4M x 64 |
(1) 4M x 64 |
(1) 4M x 64 |
|
128MB |
(1) 8M x 64 |
(1) 8M x 64 |
None |
|
128MB |
(1) 16M x 64 |
None |
None |
|
164MB |
(1) 16M x 64 |
(1) 1M x 64 |
None |
|
144MB |
(1) 16M x 64 |
(1) 1M x 64 |
(1) 1M x 64 |
|
DIMM CONFIGURATION (CON'T) |
|||||||
|
Size |
Bank 0 |
Bank 1 |
Bank 2 |
||||
|
144MB |
(1) 16M x 64 |
(1) 2M x 64 |
None |
||||
|
160MB |
(1) 16M x 64 |
(1) 2M x 64 |
(1) 2M x 64 |
||||
|
160MB |
(1) 16M x 64 |
(1) 4M x 64 |
None |
||||
|
192MB |
(1) 16M x 64 |
(1) 4M x 64 |
(1) 4M x 64 |
||||
|
192MB |
(1) 16M x 64 |
(1) 8M x 64 |
None |
||||
|
192MB |
(1) 8M x 64 |
(1) 8M x 64 |
(1) 8M x 64 |
||||
|
256MB |
(1) 16M x 64 |
(1) 8M x 64 |
(1) 8M x 64 |
||||
|
256MB |
(1) 16M x 64 |
(1) 16M x 64 |
None |
||||
|
256MB |
(1) 32M x 64 |
None |
None |
||||
|
264MB |
(1) 32M x 64 |
(1) 1M x 64 |
None |
||||
|
272MB |
(1) 32M x 64 |
(1) 1M x 64 |
(1) 1M x 64 |
||||
|
272MB |
(1) 32M x 64 |
(1) 2M x 64 |
None |
||||
|
288MB |
(1) 32M x 64 |
(1) 2M x 64 |
(1) 2M x 64 |
||||
|
288MB |
(1) 32M x 64 |
(1) 4M x 64 |
None |
||||
|
320MB |
(1) 32M x 64 |
(1) 4M x 64 |
(1) 4M x 64 |
||||
|
320MB |
(1) 32M x 64 |
(1) 8M x 64 |
None |
||||
|
384MB |
(1) 32M x 64 |
(1) 8M x 64 |
(1) 8M x 64 |
||||
|
384MB |
(1) 32M x 64 |
(1) 16M x 64 |
None |
||||
|
384MB |
(1) 16M x 64 |
(1) 16M x 64 |
(1) 16M x 64 |
||||
|
512MB |
(1) 32M x 64 |
(1) 16M x 64 |
(1) 16M x 64 |
||||
|
512MB |
(1) 32M x 64 |
(1) 32M x 64 |
None |
||||
|
768MB |
(1) 32M x 64 |
(1) 32M x 64 |
(1) 32M x 64 |
||||
|
Note: Board accepts EDO & SDRAM memory. |
|||||||
|
CACHE CONFIGURATION |
|
Note: 256KB/512KB cache is located on the Pentium II CPU. 128KB cache is located on the Celeron 300A & 333 CPU. |
|
CPU SPEED SELECTION |
||||||
|
CPU speed |
Clock speed |
Multiplier |
JP10 |
JP11 |
JP12 |
JP13 |
|
233MHz |
66MHz |
3.5x |
Closed |
Open |
Open |
Closed |
|
266MHz |
66MHz |
4x |
Open |
Closed |
Closed |
Closed |
|
300MHz |
66MHz |
4.5x |
Open |
Closed |
Open |
Closed |
|
333MHz |
66MHz |
5x |
Open |
Open |
Closed |
Closed |
|
350MHz |
100MHz |
3.5x |
Closed |
Open |
Open |
Closed |
|
400MHz |
100MHz |
4x |
Open |
Closed |
Closed |
Closed |
|
450MHz |
100MHz |
4.5x |
Open |
Closed |
Open |
Closed |