VEXTREC TECHNOLOGY, INC.
GMB-P57SAX (VER. 1.20)
|
Processor |
CX 6X86L/CX 6X86MX/AM K5/AM K6/Pentium/Pentium MMX |
|
Processor Speed |
90/100/120/133/150/166/200/233/266MHz |
|
Chip Set |
SIS |
|
Video Chip Set |
SIS |
|
Audio Chip Set |
ESS |
|
Maximum Onboard Memory |
384MB (EDO supported) |
|
Maximum Video Memory |
Unidentified |
|
Cache |
512KB |
|
BIOS |
Award |
|
Dimensions |
304mm x 210mm |
|
I/O Options |
32-bit PCI slots (4), floppy drive interface, game port, IDE interfaces (2), parallel port, PS/2 mouse port, serial ports (2), IR connector, USB connectors (2), ATX power connector, wavetable connector, microphone in, line in, speaker out, CPU fan connector |
|
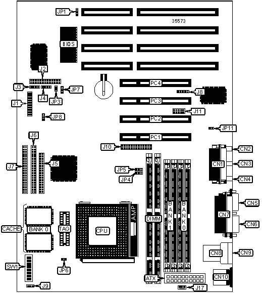
CONNECTIONS | |||
|
Purpose |
Location |
Purpose |
Location |
|
ATX power connector |
ATX |
Power LED & keylock |
J1/pins 11 - 15 |
|
Game port |
CN1 |
Speaker |
J1/pins 17 - 20 |
|
Microphone in |
CN2 |
Wavetable connector |
J2 |
|
Line in |
CN3 |
Audio in CD–ROM (Panasonic) |
J3 |
|
Speaker out |
CN4 |
Audio in CD–ROM (Sony) |
J4 |
|
VGA port |
CN5 |
Floppy drive interface |
J5 |
|
Serial port 1 |
CN6 |
IDE interface 1 |
J6 |
|
Parallel port |
CN7 |
IDE interface 2 |
J7 |
|
USB connector 1 |
CN8 |
IR connector |
J8 |
|
USB connector 2 |
CN9 |
Chassis fan power |
J9 |
|
PS/2 mouse port |
CN10 |
VGA feature connector |
J10 |
|
IDE interface LED |
J1/pins 1 & 2 |
Serial port 2 |
J11 |
|
ACPI LED |
J1/pins 3 & 4 |
CPU fan connector |
J17 |
|
Power button |
J1/pins 5 & 6 |
Internal modem ring in connector |
JP11 |
|
Power switch |
J1/pins 7 & 8 |
32-bit PCI slots |
PCI – PC4 |
|
Reset switch |
J1/pins 9 & 10 | ||
|
USER CONFIGURABLE SETTINGS | |||
|
Function |
Label |
Position | |
|
Flash BIOS voltage select 12v |
JP1 |
Pins 1 & 2 closed | |
|
Flash BIOS voltage select 5v |
JP1 |
Pins 2 & 3 closed | |
|
On board audio enabled |
JP3 |
Closed | |
|
On board audio disabled |
JP3 |
Open | |
|
» |
Factory configured - do not alter |
JP6 |
Open |
|
» |
Factory configured - do not alter |
JP7 |
Pins 2 & 3 closed |
|
» |
CMOS memory normal operation |
JP8 |
Pins 1 & 2 closed |
|
CMOS memory clear |
JP8 |
Pins 2 & 3 closed | |
|
DIMM/DRAM CONFIGURATION | ||||
|
Size |
Bank 0 |
Bank 1 |
Bank 2 |
Bank 3 |
|
8MB |
(2) 1M x 32 |
None |
None |
None |
|
8MB |
None |
None |
(1) 1M x 64 |
None |
|
16MB |
(2) 2M x 32 |
None |
None |
None |
|
16MB |
None |
None |
(1) 2M x 64 |
None |
|
16MB |
(2) 1M x 32 |
(2) 1M x 32 |
None |
None |
|
16MB |
(2) 1M x 32 |
None |
None |
(1) 1M x 64 |
|
16MB |
None |
None |
(1) 1M x 64 |
(1) 1M x 64 |
|
24MB |
None |
(2) 2M x 32 |
(1) 1M x 64 |
None |
|
32MB |
(2) 4M x 32 |
None |
None |
None |
|
32MB |
None |
None |
(1) 4M x 64 |
None |
|
32MB |
(2) 2M x 32 |
None |
None |
(1) 2M x 64 |
|
DIMM/DRAM CONFIGURATION (CON’T) | ||||
|
Size |
Bank 0 |
Bank 1 |
Bank 2 |
Bank 3 |
|
40MB |
(2) 4M x 32 |
(2) 1M x 32 |
None |
None |
|
40MB |
(2) 4M x 32 |
None |
None |
(1) 1M x 64 |
|
48MB |
(2) 2M x 32 |
None |
None |
(1) 4M x 64 |
|
48MB |
(2) 4M x 32 |
(2) 2M x 32 |
None |
None |
|
48MB |
(2) 4M x 32 |
None |
None |
(1) 2M x 64 |
|
64MB |
(2) 8M x 32 |
None |
None |
None |
|
64MB |
None |
None |
None |
(1) 8M x 64 |
|
64MB |
(2) 4M x 32 |
(2) 4M x 32 |
None |
None |
|
64MB |
(2) 4M x 32 |
None |
None |
(1) 4M x 64 |
|
72MB |
(2) 8M x 32 |
(2) 1M x 32 |
None |
None |
|
72MB |
(2) 8M x 32 |
None |
None |
(1) 1M x 64 |
|
80MB |
(2) 2M x 32 |
None |
None |
(1) 8M x 64 |
|
80MB |
(2) 8M x 32 |
(2) 2M x 32 |
None |
None |
|
80MB |
(2) 8M x 32 |
None |
None |
(1) 2M x 64 |
|
96MB |
(2) 4M x 32 |
None |
None |
(1) 8M x 64 |
|
96MB |
(2) 8M x 32 |
(2) 4M x 32 |
None |
None |
|
96MB |
(2) 8M x 32 |
None |
None |
(1) 4M x 64 |
|
128MB |
(2) 16M x 32 |
None |
None |
None |
|
128MB |
(2) 8M x 32 |
(2) 8M x 32 |
None |
None |
|
128MB |
(2) 8M x 32 |
None |
None |
(1) 8M x 64 |
|
136MB |
(2) 16M x 32 |
(2) 1M x 32 |
None |
None |
|
144MB |
(2) 16M x 32 |
(2) 2M x 32 |
None |
None |
|
144MB |
None |
(2) 16M x 32 |
None |
(1) 2M x 64 |
|
160MB |
(2) 16M x 32 |
(2) 4M x 32 |
None |
None |
|
160MB |
None |
(2) 16M x 32 |
None |
(1) 4M x 64 |
|
192MB |
(2) 16M x 32 |
(2) 8M x 32 |
None |
None |
|
192MB |
None |
(2) 16M x 32 |
None |
(1) 8M x 64 |
|
256MB |
(2) 16M x 32 |
(2) 16M x 32 |
None |
None |
|
264MB |
(2) 16M x 32 |
(2) 16M x 32 |
None |
(1) 1M x 64 |
|
384MB |
None |
(2) 16M x 32 |
(1) 16M x 64 |
(1) 16M x 64 |
|
Note: Board accepts EDO memory. | ||||
|
CACHE CONFIGURATION | ||
|
Size |
Bank 0 |
TAG |
|
512KB |
(2) 64K x 32 |
Unidentified |
|
CPU SPEED SELECTION (CX 6X86) | ||||||||
|
CPU speed |
Clock speed |
Multiplier |
SW1/3 |
SW1/4 |
SW1/5 |
SW1/6 |
SW1/7 |
SW1/8 |
|
133MHz |
55MHz |
2x |
On |
Off |
Off |
On |
On |
Off |
|
150MHz |
60MHz |
2x |
On |
Off |
Off |
On |
Off |
Off |
|
CPU SPEED SELECTION (CX 6X86L) | ||||||||
|
CPU speed |
Clock speed |
Multiplier |
SW1/3 |
SW1/4 |
SW1/5 |
SW1/6 |
SW1/7 |
SW1/8 |
|
166MHz |
66MHz |
2x |
On |
Off |
Off |
Off |
Off |
Off |
|
200MHz |
75MHz |
2x |
On |
Off |
Off |
Off |
On |
Off |
|
CPU SPEED SELECTION (CX 6X86MX) | ||||||||
|
CPU speed |
Clock speed |
Multiplier |
SW1/3 |
SW1/4 |
SW1/5 |
SW1/6 |
SW1/7 |
SW1/8 |
|
166MHz |
66MHz |
2x |
On |
Off |
Off |
Off |
Off |
Off |
|
200MHz |
75MHz |
2x |
On |
Off |
Off |
Off |
On |
Off |
|
CPU SPEED SELECTION (AM K5) | ||||||||
|
CPU speed |
Clock speed |
Multiplier |
SW1/3 |
SW1/4 |
SW1/5 |
SW1/6 |
SW1/7 |
SW1/8 |
|
120MHz |
60MHz |
1.5x |
On |
Off |
Off |
On |
Off |
Off |
|
133MHz |
66MHz |
2x |
On |
Off |
Off |
Off |
Off |
Off |
|
166MHz |
66MHz |
2.5x |
On |
On |
Off |
Off |
Off |
Off |
|
CPU SPEED SELECTION (AM K6) | ||||||||
|
CPU speed |
Clock speed |
Multiplier |
SW1/3 |
SW1/4 |
SW1/5 |
SW1/6 |
SW1/7 |
SW1/8 |
|
166MHz |
66MHz |
2.5x |
On |
On |
Off |
Off |
Off |
Off |
|
200MHz |
66MHz |
3x |
Off |
On |
Off |
Off |
Off |
Off |
|
233MHz |
66MHz |
3.5x |
Off |
Off |
Off |
Off |
Off |
Off |
|
266MHz |
66MHz |
4x |
Off |
Off |
On |
Off |
Off |
Off |
|
CPU SPEED SELECTION (INTEL) | ||||||||
|
CPU speed |
Clock speed |
Multiplier |
SW1/3 |
SW1/4 |
SW1/5 |
SW1/6 |
SW1/7 |
SW1/8 |
|
90MHz |
60MHz |
1.5x |
Off |
Off |
Off |
On |
Off |
Off |
|
100MHz |
66MHz |
1.5x |
Off |
Off |
Off |
Off |
Off |
Off |
|
120MHz |
60MHz |
2x |
On |
Off |
Off |
On |
Off |
Off |
|
133MHz |
66MHz |
2x |
On |
Off |
Off |
Off |
Off |
Off |
|
150MHz |
60MHz |
2.5x |
On |
On |
Off |
On |
Off |
Off |
|
166MHz |
66MHz |
2.5x |
On |
On |
Off |
Off |
Off |
Off |
|
200MHz |
66MHz |
3x |
Off |
On |
Off |
Off |
Off |
Off |
|
CPU SPEED SELECTION (INTEL MMX) | ||||||||
|
CPU speed |
Clock speed |
Multiplier |
SW1/3 |
SW1/4 |
SW1/5 |
SW1/6 |
SW1/7 |
SW1/8 |
|
166MHz |
66MHz |
2.5x |
On |
On |
Off |
Off |
Off |
Off |
|
200MHz |
66MHz |
3x |
Off |
On |
Off |
Off |
Off |
Off |
|
233MHz |
66MHz |
3.5x |
Off |
Off |
Off |
Off |
Off |
Off |
|
CPU TYPE SELECTION | ||
|
Setting |
SW1/1 |
SW1/2 |
|
Auto-detect |
Off |
Off |
|
Pentium/AM K6-166,-200 |
On |
Off |
|
CX 6X86/AM K5 |
On |
On |
|
ON BOARD VGA SELECTION | ||
|
Setting |
JP4 |
JP5 |
|
Enabled |
Pins 2 & 3 closed |
Pins 1 & 2 closed |
|
Disabled |
Pins 1 & 2 closed |
Pins 2 & 3 closed |