MOTHERBOARDS Pentium (socket 4,5,7)

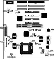
RELIALOGIC - TEXAS

RELIALOGIC CORPORATION PRIVATE, LTD.
Pentium
SI54A
32-bit PCI slots (4), floppy drive interface, IDE interfaces (2), parallel port, serial ports (2)
RELIALOGIC CORPORATION PRIVATE, LTD.
Pentium
SI54AEIO
Parallel port, serial ports (2), 32-bit PCI slots (4), floppy drive interface, IDE interfaces (2)
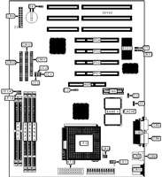
REPLY CORPORATION
Pentium
PROLINEA,VALUEPOINT,PS/1 PENTATHLON/PCI
Floppy drive interface, IDE interfaces (2), parallel port, PS/2 mouse port, serial ports (2), VGA port
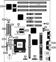
ROBOTECH, INC.
Pentium
COBRA RS P60
32-bit VESA local bus slots (3), green PC connector
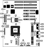
ROBOTECH, INC.
Pentium
COBRA-XLP-PCI
32-bit PCI slots (4), floppy drive interface, game port, green PC connector, IDE interfaces (2), SCSI connector, parallel port, serial ports (2)
ROBOTECH, INC.
Pentium
COBRA-XLT
32-bit PCI slots (4), floppy drive interface, IDE interfaces (2), SCSI interface, parallel port, serial ports (2), VRM connector, cache slot
ROBOTECH, INC.
Pentium
PENTIUM 60MHZ
32-bit PCI slots (4), green PC connectors (2)
SEANIX TECHNOLOGY, INC.
Pentium
ASI 9000
32-bit PCI slots (3), floppy drive interface, IDE interfaces (2), parallel port, serial ports (2), cache slot
SEANIX TECHNOLOGY, INC.
Pentium
OEM-I HX
32-bit PCI slots (4), floppy drive interface, green PC connector, IDE interfaces (2), parallel port, PS/2 mouse port, serial ports (2), IR connector, ATX power connector
SEANIX TECHNOLOGY, INC.
Pentium
P5-PCI-VL
32-bit VESA local bus slots (2), 32-bit PCI slots (3)
SEANIX TECHNOLOGY, INC.
Pentium
PC54CVIP (VER. 1.0)
32-bit VESA local bus slots (2), 32-bit PCI slots (4)
SEANIX TECHNOLOGY, INC.
Pentium
YUKON HX
32-bit PCI slots (4), floppy drive interface, green PC connector, IDE interfaces (2), SCSI interface, parallel port, PS/2 mouse interface, serial ports (2), IR connector, USB connector
SEANIX TECHNOLOGY, INC.
Pentium
YUKON SYSTEM BOARD
32-bit PCI slots (4), floppy drive interface, IDE interfaces (2), parallel port, serial port, serial port/IRDA, VGA feature connector, VRM connector, cache slot, IR connector, VGA - TV - PS/2 out connector, audio - MIDI connector, CD-ROM audio cable
SEANIX TECHNOLOGY, INC.
Pentium
YUKON TX
32-bit PCI slots (4), floppy drive interface, IDE interface, parallel port, PS/2 mouse port, serial ports (2), 10 Base-T/100 Base-TX LAN connector
SHUTTLE COMPUTER INTERNATIONAL, INC.
Pentium
HOT-503
32-bit VESA local bus slots (2)
SHUTTLE COMPUTER INTERNATIONAL, INC.
Pentium
HOT-523
32-bit VESA local bus slots (2), 32-bit PCI slots (3)
SHUTTLE COMPUTER INTERNATIONAL, INC.
Pentium
HOT-528
32-bit PCI slots (3)
SHUTTLE COMPUTER INTERNATIONAL, INC.
Pentium
HOT-539
32-bit PCI slots (4), floppy drive interface, IDE interface (2), parallel port, PS/2 mouse interface, serial ports (2)
SHUTTLE COMPUTER INTERNATIONAL, INC.
Pentium
HOT-541
PS/2 mouse port, parallel port, serial ports (2), 32-bit PCI slots (4), green PC connector, floppy drive interface, IDE interfaces (2), VRM connector
SHUTTLE COMPUTER INTERNATIONAL, INC.
Pentium
HOT-541 (REV. 1)
32-bit PCI slots (4), floppy drive interface, green PC connector, IDE interfaces (2), parallel port, PS/2 mouse interface, serial ports (2), VRM connector, cache slot
SHUTTLE COMPUTER INTERNATIONAL, INC.
Pentium
HOT-541 (VER. 2.2)
32-bit PCI slots (4), floppy drive interface, green PC connector, IDE interfaces (2), parallel port, PS/2 mouse interface, serial ports (2), VRM connector, cache slot, IR connector
SHUTTLE COMPUTER INTERNATIONAL, INC.
Pentium
HOT-543
32-bit VESA local bus slots (2), 32-bit PCI slots (4)
SHUTTLE COMPUTER INTERNATIONAL, INC.
Pentium
HOT-553
32-bit PCI slots (4), floppy drive interface, green PC connector, IDE interfaces (2), parallel port, PS/2 mouse interface, serial ports (2), cache slot, IR connector, VRM connector, USB connectors (2)
SHUTTLE COMPUTER INTERNATIONAL, INC.
Pentium
HOT-555
32-bit PCI slots (3), floppy drive interface, green PC connector, IDE interfaces (2), parallel port, PS/2 mouse interface, serial ports (2), IR connector, USB connector (2)
SHUTTLE COMPUTER INTERNATIONAL, INC.
Pentium
HOT-555A
32-bit PCI slots (4), floppy drive interface, green PC connector, IDE interfaces (2), parallel port, PS/2 mouse interface, serial ports (2), IR connector, USB connectors (2)
SHUTTLE COMPUTER INTERNATIONAL, INC.
Pentium
HOT-557
32-bit PCI slots (4), floppy drive interface, green PC connector, IDE interfaces (2), parallel port, PS/2 mouse interface, serial ports (2), cache slot, IR connector, USB connectors (2)
SHUTTLE COMPUTER INTERNATIONAL, INC.
Pentium
HOT-557 (VER. 1.5)
32-bit PCI slots (4), floppy drive interface, green PC connector, IDE interfaces (2), parallel port, PS/2 mouse interface, serial ports (2), cache slot, IR connector, USB connectors (2)
SHUTTLE COMPUTER INTERNATIONAL, INC.
Pentium
HOT-559
32-bit PCI slots (4), floppy drive interface, green PC connector, IDE interfaces (2), SCSI II interface, wide SCSI interface, parallel port, PS/2 mouse port, serial ports (2), cache slot, IR connector, Adaptec RAID slot
SHUTTLE COMPUTER INTERNATIONAL, INC.
Pentium
HOT-559 (VER. 1.3)
32-bit PCI slots (4), floppy drive interface, green PC connector, IDE interfaces (2), parallel port, PS/2 mouse port, serial ports (2), IR connector, USB connectors (2), ATX power connector
SHUTTLE COMPUTER INTERNATIONAL, INC.
Pentium
HOT-559S (VER. 1.3)
32-bit PCI slots (4), floppy drive interface, green PC connector, IDE interfaces (2), SCSI-2 interface, Wide Ultra SCSI interface, parallel port, PS/2 mouse port, serial ports (2), IR connector, USB connectors (2), ATX power connector, RAID slo
SHUTTLE COMPUTER INTERNATIONAL, INC.
Pentium
HOT-565
32-bit PCI slots (4), floppy drive interface, green PC connector, IDE interfaces (2), parallel port, PS/2 mouse interface, serial ports (2), IR connector, USB connectors (2)
SHUTTLE COMPUTER INTERNATIONAL, INC.
Pentium
HOT-566
32-bit PCI slots (4), floppy drive interface, green PC connector, IDE interfaces (2), parallel port, PS/2 mouse interface, serial ports (2), IR connector, USB connectors (2), ATX power connector
SHUTTLE COMPUTER INTERNATIONAL, INC.
Pentium
HOT-567
32-bit PCI slots (4), floppy drive interface, green PC connector, IDE interfaces (2), parallel port, PS/2 mouse interface, serial ports (2), IR connector, USB connectors (2), ATX power connector
SHUTTLE COMPUTER INTERNATIONAL, INC.
Pentium
HOT-569 (VER. 2.0)
32-bit PCI slots (4), floppy drive interface, green PC connector, IDE interfaces (2), parallel port, PS/2 mouse interface, serial ports (2), IR connector, USB connectors (2), ATX power connector
SHUTTLE COMPUTER INTERNATIONAL, INC.
Pentium
HOT-571
32-bit PCI slots (4), floppy drive interface, green PC connector, IDE interfaces (2), parallel port, PS/2 mouse interface, serial ports (2), IR connector, USB connectors (2), ATX power connector
SHUTTLE COMPUTER INTERNATIONAL, INC.
Pentium
HOT-579
32-bit PCI slots (4), floppy drive interface, green PC connector, IDE interfaces (2), parallel port, PS/2 mouse interface, serial ports (2), IR connector, USB connectors (2), ATX power connector
SHUTTLE COMPUTER INTERNATIONAL, INC.
Pentium
HOT-591
32-bit PCI slots (3), floppy drive interface, green PC connector, IDE interfaces (2), parallel port, PS/2 mouse interface, serial ports (2), IR connector, USB connectors (2), ATX power connector, AGP slot, wake on LAN connector
SHUTTLE COMPUTER INTERNATIONAL, INC.
Pentium
HOT-591P
32-bit PCI slots (3), floppy drive interface, green PC connector, IDE interfaces (2), parallel port, PS/2 mouse interface, serial ports (2), IR connector, USB connectors (2), ATX power connector, AGP slot, wake on LAN connector
SHUTTLE COMPUTER INTERNATIONAL, INC.
Pentium
HOT-595
32-bit PCI slots (4), floppy drive interface, green PC connector, IDE interfaces (2), parallel port, PS/2 mouse port, serial ports (2), IR connector, USB connectors (2), ATX power connector, AGP slot, wake on LAN connector
SHUTTLE COMPUTER INTERNATIONAL, INC.
Pentium
HOT-603
32-bit PCI slots (4), floppy drive interface, IDE interfaces (2), parallel port, PS/2 mouse port, PS/2 mouse interface, serial ports (2), IR connectors (2), VRM connector, USB connector, USB connectors (2), ATX power connector, AGP slot
SIEMENS NIXDORF
Pentium
SYSTEM BOARD D1034
32-bit PCI slots (4), floppy drive interface, game/MIDI port, IDE interfaces (2), parallel port, PS/2 mouse port, serial ports (2), IR connector, USB connectors (2), ATX power connector, line in, line out, microphone in, audio in – CD-ROM, wake on mo
SIEMENS NIXDORF
AM K6/Pentium MMX
SYSTEM BOARD D1042
32-bit PCI slots (4), floppy drive interface, game/MIDI port, IDE interfaces (2), parallel port, PS/2 mouse port, serial port, IR connector, USB connectors (2), ATX power connector, line in, line out, microphone in, audio in – CD-ROM, wake on LAN con
SIEMENS NIXDORF
Pentium
SYSTEM BOARD D873
32-bit PCI slots (4), floppy drive interface, IDE interface, parallel port, PS/2 mouse port, serial ports (2), VGA port, cache slot
SIEMENS NIXDORF INFORMATIONSSYSTEME AG
Pentium
S26361-D808-A21
32-bit PCI slots (3), floppy drive interface, IDE interfaces (2), parallel port, PS/2 mouse port, serial ports (2)
SIEMENS NIXDORF INFORMATIONSSYSTEME AG
Pentium
S26361-D818
Floppy drive interface, IDE interface, parallel port, PS/2 mouse port, serial ports (2), VGA feature connector, VGA port
SIEMENS NIXDORF INFORMATIONSSYSTEME AG
Pentium
S26361-D841
PS/2 mouse port, parallel port, serial ports (2), VGA port, VGA feature connector, floppy drive interface, IDE interface
SIEMENS NIXDORF INFORMATIONSSYSTEME AG
Pentium
S26361-D842
Parallel port, serial ports (2), 32-bit PCI slots (4), green PC connector, floppy drive interface, IDE interfaces (2)
SIEMENS NIXDORF INFORMATIONSSYSTEME AG
Pentium
S26361-D842
Parallel port, serial ports (2), 32-bit PCI slots (4), green PC connector, floppy drive interface, IDE interfaces (2)
SIEMENS NIXDORF INFORMATIONSSYSTEME AG
Pentium
S26361-D858
Microphone connector, audio input connector, game/MIDI port, parallel port, serial ports (2), PS/2 mouse port, floppy drive interface, IDE interfaces (2), wave table connector, PC extension, soft off power supply connector, CD audio input connector,
SIEMENS NIXDORF INFORMATIONSSYSTEME AG
Pentium
SYSTEM BOARD D823
32-bit PCI slots (3), floppy drive interface, green PC connector, IDE interfaces (2), parallel port, PS/2 mouse port, serial ports (2), soft off power switch, soft off power supply
SIEMENS NIXDORF INFORMATIONSSYSTEME AG
Pentium
SYSTEM BOARD D841
Floppy drive interface, IDE interfaces (2), parallel port, PS/2 mouse port, serial ports (2), VESA pass through connector, VGA port, riser slot, imageport interface, soft off power switch, soft off power supply
SIEMENS NIXDORF INFORMATIONSSYSTEME AG
Pentium
SYSTEM BOARD D912
Floppy drive interface, IDE interfaces (2), parallel port, PS/2 mouse port, serial port, VGA port, riser slot, cache slot, IR connector, microphone port, line in connector, line out connector, CD line in connector, soft off power supply, main switch
SIEMENS NIXDORF INFORMATIONSSYSTEME AG
Pentium
SYSTEM BOARD D943
Floppy drive interface, game/MIDI interface, IDE interfaces (2), parallel port, PS/2 mouse port, serial ports (2), feature connector, VGA port, riser slot, cache slot, IR connector, voice/modem connector, MPEG connector, wavetable connector, CD line
SIEMENS NIXDORF INFORMATIONSSYSTEME AG
Pentium
SYSTEM BOARD D963
32-bit PCI slots (4), floppy drive interface, IDE interface, parallel port, PS/2 mouse port, serial ports (2), VGA port, cache slot
SIEMENS NIXDORF INFORMATIONSSYSTEME AG
Pentium
SYSTEM BOARD D969
32-bit PCI slots (4), CD-ROM audio in connector, floppy drive interface, IDE interfaces (2), parallel port, PS/2 mouse port, serial ports (2), VGA feature connector, VGA port, cache slot, IR connector, USB connector, chip card reader, voice modem con
SIEMENS NIXDORF INFORMATIONSSYSTEME AG
Pentium
SYSTEM BOARD D983
Floppy drive interface, IDE interfaces (2), parallel port, PS/2 mouse port, serial ports (2), VGA feature connector, VGA port, riser slot, USB connectors (2), power on switch, chip card reader, voice modem/connector, CD line in connector, auxiliary i
SIEMENS NIXDORF INFORMATIONSSYSTEME AG
Pentium
SYSTEM BOARD PCD-5H
Floppy drive interface, IDE interface, parallel port, PS/2 mouse port, serial ports (2), VESA feature connector, VGA port, riser slot
SIEMENS-NIXDORF INFORMATIONSSYSTEME AG
Pentium
SYSTEM BOARD D1025
Ethernet 10BaseT connector, floppy drive interface, game/MIDI port, IDE interfaces (2), parallel port, PS/2 mouse port, serial port, VGA feature connector, VGA port, riser slot, IR connector, USB connectors (2), line in, line out, microphone i
SIEMENS-NIXDORF INFORMATIONSSYSTEME AG
Pentium
SYSTEM BOARD D990
32-bit PCI slots (4), floppy drive interface, game/MIDI port, IDE interfaces (2), parallel port, PS/2 mouse port, serial port, VGA feature connector, VGA port, cache slot, IR connector, USB connector, ATX power connector, audio in – CD-ROM
SILICON STAR INTERNATIONAL, INC.
Pentium
IT5H
32-bit PCI slots (4), floppy drive interface, green PC connector, IDE interfaces (2), parallel port, PS/2 mouse interface, serial ports (2), cache slot, IR connector, USB connector
SILICON STAR INTERNATIONAL, INC.
Pentium
IT5V
32-bit PCI slots (4), floppy drive interface, green PC connector, IDE interfaces (2), parallel port, PS/2 mouse interface, serial ports (2), cache slot, IR connector, USB connector
SILICON STAR INTERNATIONAL, INC.
Pentium
PE5 (REV. 1.2)
32-bit PCI slots (3), floppy drive interface, green PC connector, IDE interfaces (2), parallel port, PS/2 mouse port, serial ports (2)
SILICON STAR INTERNATIONAL, INC.
Pentium
PE5 (REV. 1B)
32-bit PCI slots (3), floppy drive interface, green PC connector, IDE interfaces (2), parallel port, PS/2 mouse port, serial ports (2)
SILICON STAR INTERNATIONAL, INC.
Pentium
PG5 PCI
32-bit PCI slots (2), floppy drive interface, green PC connector, IDE interfaces (2), parallel port, PS/2 mouse port, serial ports (2), cache slot, VGA slot, PISA slot
SILICON STAR INTERNATIONAL, INC.
Pentium
PH5 (REV. 1.1)
32-bit PCI slots (4), floppy drive interface, green PC connector, IDE interfaces (2), parallel port, PS/2 mouse port, serial ports (2), VRM module connector, cache slot
SILICON STAR INTERNATIONAL, INC.
Pentium
PK5 (REV. 1.1)
32-bit PCI slots (3), green PC connector
SILICON STAR INTERNATIONAL, INC.
Pentium
PK5 PCI
32-bit PCI bus slots (3), green PC connector
SILICON STAR INTERNATIONAL, INC.
Pentium
PN5
32-bit PCI slots (4), floppy drive interface, green PC connector, IDE interfaces (2), parallel port, PS/2 mouse port, serial ports (2), cache slot, IR connector, USB connector
SILICON STAR INTERNATIONAL, INC.
Pentium
PN5 (REV. 1.4)
32-bit PCI slots (3), floppy drive interface, green PC connector, IDE interfaces (2), parallel port, PS/2 mouse port, serial ports (2), cache slot, IR connector, USB connector
SILICON STAR INTERNATIONAL, INC.
Pentium
PN5 PCI (REV. 1.2)
32-bit PCI slots (3), floppy drive interface, green PC connector, IDE interfaces (2), parallel port, PS/2 mouse port, serial ports (2), cache slot, IR connector, USB connector
SILICON STAR INTERNATIONAL, INC.
Pentium
PR5 (REV. 1.01)
32-bit PCI slots (3), floppy drive interface, green PC connector, IDE interfaces (2), parallel port, PS/2 mouse port, serial ports (2), cache slot, IR connector, USB connector
SILICON STAR INTERNATIONAL, INC.
Pentium
PR5 PCI (REV. 1.0)
32-bit PCI slots (3), floppy drive interface, green PC connector, IDE interfaces (2), parallel port, PS/2 mouse port, serial ports (2), cache slot, IR connector, USB connector
SILICON STAR INTERNATIONAL, INC.
Pentium
PR5 R2 PCI (REV (2.01)
32-bit PCI slots (3), floppy drive interface, green PC connector, IDE interfaces (2), parallel port, PS/2 mouse port, serial ports (2), IR connector, USB connector
SILICON STAR INTERNATIONAL, INC.
Pentium
PR5B (REV. 1.01)
32-bit PCI slots (3), floppy drive interface, green PC connector, IDE interfaces (2), parallel port, PS/2 mouse port, serial ports (2), cache slot, IR connector, USB connector
SILICON STAR INTERNATIONAL, INC.
Pentium
PS5 PCI
32-bit PCI bus slots (3), green PC connector
SILICON STAR INTERNATIONAL, INC.
Pentium
PT5 R2 PCI
32-bit PCI slots (3), floppy drive interface, green PC connector, IDE interfaces (2), parallel port, PS/2 mouse port, serial ports (2), cache slot, IR connector
SILICON STAR INTERNATIONAL, INC.
Pentium
SM5
32-bit PCI slots (3), floppy drive interface, green PC connector, IDE interfaces (2), parallel port, PS/2 mouse interface, serial ports (2), cache slot, IR connector, USB connector
SILICON STAR INTERNATIONAL, INC.
Pentium
SM5-A
32-bit PCI slots (3), floppy drive interface, green PC connector, IDE interfaces (2), parallel port, PS/2 mouse interface, serial ports (2), IR connector, USB connector
SIMA TECHNOLOGY CO., LTD.
Pentium
I430VX MAINBOARD
32-bit PCI slots (4), floppy drive interface, green PC connector, IDE interfaces (2), parallel port, PS/2 mouse port, serial ports (2), cache slot, USB connector, VRM connector
SKYWELL TECHNOLOGY CORPORATION, LTD.
Pentium
I430VX
32-bit PCI slots (3), floppy drive interface, green PC connector, IDE interfaces (2), parallel port, serial ports (2), cache slot, VRM connector, USB connectors (2)
SKYWELL TECHNOLOGY CORPORATION, LTD.
Pentium
VT586TX
32-bit PCI slots (4), floppy drive interface, green PC connector, IDE interfaces (2), parallel port, PS/2 mouse interface, serial ports (2), IR connector, USB connectors (2), ATX power connector
SOLTEK COMPUTER ,INC.
Pentium
82430VX, P54CX/P55C
32-bit PCI slots (4), floppy drive interface, green PC connector, IDE interfaces (2), parallel port, PS/2 mouse port, serial ports (2), IR connector, USB connector
SOLTEK COMPUTER, INC.
Pentium
SL-53A2, SL-53A5
32-bit PCI slots (4), floppy drive interface, IDE interfaces (2), parallel port, PS/2 mouse port, serial ports (2), USB connectors (2), green PC connector
SOLTEK COMPUTER, INC.
Pentium
SL-53E5
32-bit PCI slots (3), floppy drive interface, IDE interfaces (2), parallel port, PS/2 mouse port, serial ports (2), USB connector, IR connector, green PC connector
SOLTEK COMPUTER, INC.
Pentium
SL-54A2-S, SL-54A5-S
32-bit PCI slots (4), floppy drive interface, green PC connector, IDE interfaces (2), parallel port, PS/2 mouse port, serial ports (2), IR connector, USB connector
SOLTEK COMPUTER, INC.
Pentium
SL-54T5
32-bit PCI slots (3), floppy drive interface, IDE interfaces (2), parallel port, PS/2 mouse interface, serial ports (2), IR connector, USB connector (2), ATX power connector
SOLTEK COMPUTER, INC.
Pentium
SL-54U5, SL-54U1
32-bit PCI slots (3), floppy drive interface, IDE interfaces (2), parallel port, PS/2 mouse connector, serial ports (2), USB connectors (2), IR connector, AGP slot, ATX power connector
SOLTEK COMPUTER, INC.
Pentium
SL-55A2, SL-55A5
32-bit PCI slots (4), floppy drive interface, green PC connector, IDE interfaces (2), parallel port, PS/2 mouse port, serial ports (2), cache slot, IR connector, USB connectors (2), ATX power connector, soft on power connector
SOLTEK, INC.
Pentium
SL-53D2, SL-53D5
32-bit PCI slots (4), floppy drive interface, green PC connector, IDE interfaces (2), parallel port, PS/2 mouse port, serial ports (2), IR connector, USB connector
SOLTEK, INC.
Pentium
SL-54P2, SL-54P5, SL-54R2, SL-54R5, SL-54S2, SL-54S5
32-bit PCI slots (4), floppy drive interface, green PC connector, IDE interfaces (2), parallel port, PS/2 mouse interface, serial ports (2), IR connector, USB connector, ATX power connector
SOLTEK, INC.
Pentium
SL-56A2, SL-56A5
32-bit PCI slots (4), floppy drive interface, green PC connector, IDE interfaces (2), parallel port, PS/2 mouse port, serial ports (2), IR connector, USB connector, ATX power connector
SOYO COMPUTER CO., LTD.
Pentium
5BT5
32-bit PCI slots (4), floppy drive interface, IDE interfaces (2), parallel port, PS/2 mouse port, serial ports (2), IR connector, USB connector, ATX power connector
SOYO COMPUTER CO., LTD.
Pentium
5EA5/A5C
32-bit PCI slots (3), floppy drive interface, green PC connector, IDE interfaces (2), parallel port, PS/2 mouse port, serial ports (2), IR connector, USB connector
SOYO COMPUTER CO., LTD.
Pentium
5EAS5
32-bit PCI slots (3), floppy drive interface, green PC connector, IDE interfaces (2), parallel port, PS/2 mouse port, serial ports (2), IR connector, USB connector
SOYO COMPUTER CO., LTD.
Pentium
5ED5, 5EDM
32-bit PCI slots (5), floppy drive interface, IDE interfaces (2), parallel port, PS/2 mouse port, serial ports (2), IR connector, USB connectors (2), ATX power connector, AGP slot
SOYO COMPUTER CO., LTD.
Pentium
5TF0/F2/F5
32-bit PCI slots (4), floppy drive interface, green PC connector, IDE interfaces (2), parallel port, PS/2 mouse port, serial ports (2), cache slot, USB connectors (2)
SOYO COMPUTER CO., LTD.
Pentium
5TH0/H2/H5
32-bit PCI slots (4), green PC connector, floppy drive interface, IDE interfaces (2), parallel port, PS/2 mouse port, serial ports (2), IR connector, USB connectors (2)
SOYO COMPUTER CO., LTD.
Pentium
5TS0/S2/S5
32-bit PCI slots (3), bus mouse port, floppy drive interface, IDE interfaces (2), parallel port, PS/2 mouse port, serial ports (2), VRM connector, USB connectors (2), VGA port, line out connector, TT connector, MPEG connector
SOYO COMPUTER CO., LTD.
Pentium
5TT5
32-bit PCI slots (4), floppy drive interface, IDE interfaces (2), parallel port, PS/2 mouse port, serial ports (2), IR connector, USB connector, ATX connector
SOYO COMPUTER CO., LTD.
Pentium
5TX2/X5
32-bit PCI slots (3), floppy drive interface, green PC connector, IDE interfaces (2), Fast SCSI interface, Wide SCSI interface, parallel port, PS/2 mouse port, serial ports (2), IR connector, USB connectors (2), ATX power connector, wavetable connect
SOYO COMPUTER CO., LTD.
Pentium
5V A0/A2/A5
32-bit PCI slots (4), floppy drive interface, green PC connector, IDE interfaces (2), parallel port, PS/2 mouse port, serial ports (2), cache slot
SOYO COMPUTER CO., LTD.
Pentium
5VC2/C5/C5M
32-bit PCI slots (4), floppy drive interface, green PC connector, IDE interfaces (2), parallel port, PS/2 mouse port, serial ports (2), IR connector, USB connectors (2)
SOYO COMPUTER CO., LTD.
Pentium
5VD2/D5
32-bit PCI slots (4), floppy drive interface, IDE interfaces (2), parallel port, PS/2 mouse port, serial ports (2), IR connector, USB connector
SOYO COMPUTER CO., LTD.
Pentium
5VM2/M5
32-bit PCI slots (4), floppy drive interface, green PC connector, IDE interfaces (2), parallel port, PS/2 mouse port, serial ports (2), IR connector, USB connector, ATX connector
SOYO COMPUTER CO., LTD.
Pentium
5VX0/X2/X5
32-bit PCI slots (3), CD-ROM connector, floppy drive interface, game port, green PC connector, IDE interfaces (2), parallel port, PS/2 mouse port, serial ports (2), IR connector, USB connectors (2), ATX power connector, speaker out, line in, micropho
SOYO COMPUTER CO., LTD.
Pentium
5XA5, 5XAE5
32-bit PCI slots (4), floppy drive interface, green PC connector, IDE interfaces (2), parallel port, PS/2 mouse port, serial ports (2), IR connector, USB connectors (2), ATX connector
SOYO COMPUTER CO., LTD.
Pentium
5XB5
32-bit PCI slots (4), floppy drive interface, green PC connector, IDE interfaces (2), parallel port, PS/2 mouse port, serial ports (2), IR connector, USB connector, ATX connector
SOYO COMPUTER CO., LTD.
Pentium
PENTIUM (P54C) PCI MAINBOARD
32-bit PCI bus slots (4), green PC connector
SOYO COMPUTER CO., LTD.
Pentium
SY-032 A2/A5/A1M
32-bit PCI slots (4)
SOYO COMPUTER CO., LTD.
Pentium
SY-033 A2/A5/A1M
32-bit PCI slots (4)
SOYO COMPUTER CO., LTD.
Pentium
SY-5BT5 (VER. 1.1)
32-bit PCI slots (4), floppy drive interface, IDE interfaces (2), parallel port, PS/2 mouse port, serial ports (2), IR connector, USB connector, ATX power connector
SOYO COMPUTER CO., LTD.
Pentium
SY-5EH5
32-bit PCI slots (3), floppy drive interface, IDE interfaces (2), parallel port, PS/2 mouse interface, serial ports (2), IR connector, USB connector, ATX power connector, AGP slot, wake on LAN connector
SOYO COMPUTER CO., LTD.
Pentium
SY-5EHM
32-bit PCI slots (3), floppy drive interface, IDE interfaces (2), parallel port, PS/2 mouse interface, serial ports (2), IR connector, USB connector, ATX power connector, AGP slot, wake on LAN connector
SOYO COMPUTER CO., LTD.
Pentium
SY-5EMA+
32-bit PCI slots (5), floppy drive interface, IDE interfaces (2), parallel port, PS/2 mouse port, serial ports (2), IR connector, USB connectors (2), ATX power connector, AGP slot, wake on LAN connector
SOYO COMPUTER CO., LTD.
Pentium
SY-5EMM
32-bit PCI slots (3), floppy drive interface, game/MIDI port, IDE interfaces (2), parallel port, PS/2 mouse port, serial ports (2), IR connector, USB connectors (2), ATX power connector, AGP slot, line in, line out, microphone in, audio in – CD-ROMs
SOYO COMPUTER CO., LTD.
Pentium
SY-5SM2/M5
32-bit PCI slots (3), green PC connector, floppy drive interface, IDE interfaces (2), parallel port, PS/2 mouse interface, serial ports (2), VGA feature connector, VGA interface, cache slot, audio connector, wave table connector, VRM connector
SOYO COMPUTER CO., LTD.
Pentium
SY-5STM
32-bit PCI slots (2), floppy drive interface, IDE interfaces (2), parallel port, PS/2 mouse port, serial ports (2), VGA port, IR connector, USB connectors (2), ATX power connector, line in, line out, microphone in, audio in – CD-ROMs (2), wake on LA
SOYO COMPUTER CO., LTD.
Pentium
SY-5TA2, SY-5TA5
32-bit PCI slots (4), green PC connector, floppy drive interface, IDE interfaces (2), parallel port, serial ports (2), VRM connector
SOYO COMPUTER CO., LTD.
Pentium
SY-5TC2/C5
PS/2 mouse port, parallel port, serial ports (2), 32-bit PCI slots (4), floppy drive interface, IDE interface, green PC connector
SOYO COMPUTER CO., LTD.
Pentium
SY-5TE2/E5/E0
32-bit PCI slots (4), floppy drive interface, green PC connector, IDE interfaces (2), parallel port, PS/2 mouse port, serial ports (2), VRM connector, cache slot
SOYO TECHNOLOGY COMPANY, INC.
Pentium
SY-05TA2/A5
32-bit PCI slots (4), floppy drive interface, IDE interface, parallel port, serial ports (2)
SOYO TECHNOLOGY COMPANY, LTD.
Pentium
PENTIUM (P54C) EISA PCI MAINBOARD
32-bit PCI slots (4)
SPRING CIRCLE COMPUTER, INC.
Pentium
ST586 REV. P550 PCI MB
32-bit PCI slots (4), floppy drive interface, green PC connector, IDE interfaces (2), parallel port, serial ports (2), cache slot, VRM connector
SPRINT MANUFACTURING CORPORATION
Pentium
MB-P5N DP
32-bit PCI slots (4)
SPRINT MANUFACTURING CORPORATION
Pentium
MB-P5N SP
32-bit PCI slots (4)
SPRINT MANUFACTURING CORPORATION
Pentium
MB-P5VI
32-bit VESA local bus slots (3), green PC connector
SUK JUNG ELECTRONIC CO., LTD.
Pentium
PTM VX2
32-bit PCI slots (3), floppy drive interface, green PC connector, IDE interfaces (2), parallel port, PS/2 mouse port, serial ports (2), cache slot, IR connector, USB connector
SUK JUNG ELECTRONIC CO., LTD.
Pentium
SJ-PTM HX
32-bit PCI slots (3), CD-ROM interface, floppy drive interface, game port, green PC connector, IDE interfaces (2), parallel port, PS/2 mouse interface, serial ports (2), cache slot, IR connector, USB connectors (2), audio connector
SUPER MICRO
Pentium
P54CT-PCI (REV. 1.2)
32-bit VESA local bus slot, 32-bit PCI slots (4), green PC connector
SUPER MICRO
Pentium
P54VL-PCI
32-bit PCI bus slots (4), 32-bit VESA local bus slots (2), green PC connector
SUPER MICRO
Pentium
P55CMA, P55CMS (REV. 2.0)
PS/2 mouse port, parallel port, serial ports (2), 32-bit PCI slots (4), floppy drive interface, IDE interfaces (2), cache slot, VRM connector, Legacy connector, IR connector
SUPER MICRO
Pentium
P55CMA/P55CMS (REV. 1.1)
PS/2 mouse port, parallel port, serial ports (2), 32-bit PCI slots (4), floppy drive interface, IDE interfaces (2), cache slot, VRM module connector, Legacy connector
SUPER MICRO
Pentium
P55CWA (REV. 1.3)
VRM module connector, IDE interfaces (2), Legacy connector, 32-bit PCI slots (4)
SUPER MICRO
Pentium
P55CWS (REV. 1.3)
VRM module connector, IDE interfaces (2), Legacy connector, 32-bit PCI slots (4)
SUPER MICRO
Pentium
P5MMA2
32-bit PCI slots (4), floppy drive interface, IDE interfaces (2), parallel port, PS/2 mouse port, serial ports (2), IR connector, USB connectors (2), ATX power connector
SUPER MICRO
Pentium
P5MMA98
32-bit PCI slots (4), floppy drive interface, IDE interfaces (2), parallel port, PS/2 mouse port, serial ports (2), IR connector, USB connectors (2), ATX power connector
SUPER MICRO
Pentium
P5MMS98, P5MMS2
32-bit PCI slots (4), floppy drive interface, IDE interfaces (2), parallel port, PS/2 mouse interface, serial ports (2), IR connectors (2), USB connectors (2), ATX power connector, SMM slot
SUPER MICRO
Pentium
P5STD
32-bit PCI slots (4), floppy drive interface, IDE interfaces (2), parallel port, PS/2 mouse interface, serial ports (2), IR connectors (2), VRM connector, USB connectors (2), legacy connector
SUPER MICRO
Pentium
P5STE
32-bit PCI slots (4), floppy drive interface, IDE interfaces (2), parallel port, PS/2 mouse interface, serial ports (2), IR connector, USB connectors (2)
SUPER MICRO
Pentium
P5VL-PCI
32-bit PCI bus slots (4), 32-bit VESA local bus slots (2), green PC connector
SUPERPOWER COMPUTER CO., LTD.
Pentium
SP-586TA
32-bit PCI slots (4), floppy drive interface, green PC connector, IDE interfaces (2), parallel port, PS/2 mouse port, serial ports (2), IR connector, USB connectors (2), ATX power connector, wake on LAN connector
SUPERPOWER COMPUTER CO., LTD.
Pentium
SP-586TB
32-bit PCI slots (4), floppy drive interface, green PC connector, IDE interfaces (2), parallel port, PS/2 mouse interface, serial ports (2), IR connector, USB connector, ATX power connector
SUPERPOWER COMPUTER CO., LTD.
Pentium
SP-A586B
32-bit PCI slots (3), floppy drive interface, green PC connector, IDE interfaces (2), parallel port, PS/2 mouse interface, serial ports (2), IR connector, USB connector, ATX power connector, AGP slot, wake on LAN connector
SUPERPOWER COMPUTER CO., LTD.
Pentium
SP-V586A
32-bit PCI slots (4), floppy drive interface, green PC connector, IDE interfaces (2), parallel port, PS/2 mouse port, serial ports (2), IR connector, USB connectors (2), ATX power connector, AGP slot, wake on modem connector
SUPERPOWER COMPUTER CO., LTD.
Pentium
SP-V586B
32-bit PCI slots (4), floppy drive interface, green PC connector, IDE interfaces (2), parallel port, PS/2 mouse interface, serial ports (2), IR connector, USB connector, ATX power connector, AGP slot, wake on modem connector
TAKEN CORPORATION
Pentium
ATX586
32-bit PCI slots (4), floppy drive interface, green PC connector, IDE interfaces (2), parallel port, PS/2 mouse port, serial ports (2), IR connector, USB connector, ATX power connector
TAKEN CORPORATION
Pentium
TX2
32-bit PCI slots (3), floppy drive interface, green PC connector, IDE interfaces (2), SCSI interface, Wide SCSI interface, parallel port, PS/2 mouse interface, serial ports (2), IR connector, USB connector, ATX power connector, RAID slot
TAKEN CORPORATION
Pentium
VX3
32-bit PCI slots (3), floppy drive interface, green PC connector, IDE interfaces (2), parallel port, PS/2 mouse interface, serial ports (2), IR connector, USB connectors (2)
TECHMEDIA COMPUTER SYSTEMS CORPORATION
Pentium
TMB-I430VX-ATX
32-bit PCI slots (3), floppy drive interface, green PC connector, IDE interfaces (2), parallel port, PS/2 mouse port, PS/2 mouse interface, serial ports (2), VGA port, cache slot, IR connector, USB connector, ATX power connector
TECHNOLAND, INC.
Pentium
PEAK 500I, 500P
Floppy drive interface, IDE interface, parallel port, PS/2 mouse port, serial ports (2), cache slot
TECHNOLAND, INC.
Pentium
PEAK 501I, 501P
Floppy drive interface, IDE interface, parallel port, PS/2 mouse port, serial ports (2), cache slot
TECHNOLAND, INC.
Pentium
PEAK 5020
Floppy drive interface, IDE interfaces (2), parallel port, PS/2 mouse port, serial ports (2), USB connector
TECHNOLAND, INC.
Pentium
PEAK 520
Floppy drive interface, IDE interfaces (2), parallel port, PS/2 mouse port, serial ports (2), VGA port, cache slot
TECHNOLAND, INC.
Pentium
PEAK 520S
Floppy drive interface, IDE interfaces (2), SCSI interface, parallel port, PS/2 mouse port, serial ports (2), VGA port, cache slot
TECHNOLAND, INC.
Pentium
PEAK 521
Floppy drive interface, IDE interfaces (2), parallel port, PS/2 mouse port, serial ports (2), cache slot
TECHNOLAND, INC.
Pentium
PEAK 521S
Floppy drive interface, IDE interfaces (2), SCSI interface, parallel port, PS/2 mouse port, serial ports (2), cache slot
TECHNOLAND, INC.
Pentium
PEAK 530
Floppy drive interface, IDE interfaces (2), parallel port, PS/2 mouse port, serial ports (2), IR connector, USB connector, PC/104 connectors (2)
TECHNOLAND, INC.
Pentium
PEAK 550
Floppy drive interface, IDE interface, parallel port, PS/2 mouse port, serial ports (2), VGA port, USB connector
TECHNOLAND, INC.
Pentium
PEAK 560
Floppy drive interface, IDE interfaces (2), parallel port, PS/2 mouse port, serial ports (2), VGA port, USB connector
TECHNOLAND, INC.
Pentium
PEAK 560S
Floppy drive interface, IDE interfaces (2), SCSI interface, Wide SCSI interface, parallel port, PS/2 mouse port, serial ports (2), VGA port, USB connector
TEKNOR INDUSTRIAL COMPUTERS, INC.
Pentium
AI5VG+ (100MHZ) (VER. 1.0B)
32-bit PCI slots (4), floppy drive interface, IDE interfaces (2), parallel port, PS/2 mouse interface, serial ports (2), IR connector, USB connector, ATX power connector, AGP slot, wake on LAN connector
TEKNOR INDUSTRIAL COMPUTERS, INC.
Pentium
PCI-934
Ethernet 10BaseT connector, floppy drive interface, IDE interfaces (2), parallel port, PS/2 mouse port, serial ports (2), VGA port, USB connectors (2)
TEKNOR INDUSTRIAL COMPUTERS, INC.
Pentium
PCI-935
Ethernet 10Base2 connector, Ethernet 10BaseT connector, floppy drive interface, IDE interfaces (2), SCSI interface, parallel port, PS/2 mouse interface, serial ports (2), VGA feature connector, VGA port
TEKNOR INDUSTRIAL COMPUTERS, INC.
Pentium
TEK 932
Floppy drive interface, IDE interface, PS/2 mouse interface, parallel port, serial ports (2), VGA port, cache slot, flat panel connector
TEKNOR INDUSTRIAL COMPUTERS, INC.
Pentium
TEK933
Ethernet 10Base2 connector, Ethernet 10BaseT connector, floppy drive interface, IDE interfaces (2), SCSI interface, parallel port, PS/2 mouse port, serial ports (2), flat panel connector
TEKNOR INDUSTRIAL COMPUTERS, INC.
Pentium
TEK936
Ethernet 10BaseT connector, floppy drive interface, IDE interfaces (2), SCSI interface, parallel port, PS/2 mouse port, serial ports (2), VGA port,
TEKNOR INDUSTRIAL COMPUTERS, INC.
Pentium
VIPER 820
Floppy drive interface, IDE interface, SCSI interface, green PC connector, parallel port, PS/2 mouse interface, serial ports (2), VGA port, VGA feature connector, flat panel connector, PC/104 connectors (2)
TEKNOR INDUSTRIAL COMPUTERS, INC.
Pentium
VIPER821
Ethernet 10BaseT connector, floppy drive interface, IDE interface, parallel port, PS/2 mouse interface, serial ports (2), VGA port, VGA interface, PC/104 connectors (2), USB connector
TEKRAM TECHNOLOGY CO., INC.
Pentium
P5H30-NS/WS
32-bit PCI slots (4), floppy drive interface, green PC connector, IDE interfaces (2), Ultra-Wide SCSI connector, Ultra SCSI connector, parallel port, PS/2 mouse interface, serial ports (2), IR connector, USB connector, Adaptec RAID slot
TEKRAM TECHNOLOGY CO., LTD.
Pentium
P5H30
32-bit PCI slots (4), floppy drive interface, green PC connector, IDE interfaces (2), Ultra SCSI interface, parallel port, PS/2 mouse interface, serial ports (2), IR connector, USB connector
TEKRAM TECHNOLOGY CO., LTD.
Pentium
P5H30-WS
32-bit PCI slots (4), floppy drive interface, green PC connector, IDE interfaces (2), Ultra SCSI interface, Ultra-Wide SCSI interface, parallel port, PS/2 mouse interface, serial ports (2), IR connector, USB connector, Adaptec RAID slot
TEKRAM TECHNOLOGY CO., LTD.
Pentium
P5MVP-A4
32-bit PCI slots (4), floppy drive interface, green PC connector, IDE interfaces (2), parallel port, PS/2 mouse port, serial ports (2), IR connector, USB connectors (2), ATX power connector, AGP slot, wake on LAN connector
TEKRAM TECHNOLOGY CO., LTD.
Pentium
P5MVP-B4
32-bit PCI slots (4), floppy drive interface, green PC connector, IDE interfaces (2), parallel port, PS/2 mouse interface, serial ports (2), IR connector, USB connector, ATX power connector, AGP slot, wake on LAN connector
TEKRAM TECHNOLOGY CO., LTD.
Pentium
P5T30-A4
32-bit PCI slots (4), floppy drive interface, green PC connector, IDE interfaces (2), parallel port, PS/2 mouse port, serial ports (2), IR connectors (2), USB connector, ATX power connector
TEKRAM TECHNOLOGY CO., LTD.
Pentium
P5T30-B4
32-bit PCI slots (4), floppy drive interface, green PC connector, IDE interfaces (2), parallel port, PS/2 mouse interface, serial ports (2), IR connectors (2), USB connector
TEKRAM TECHNOLOGY CO., LTD.
Pentium
P5T30-B4E
32-bit PCI slots (4), floppy drive interface, green PC connector, IDE interfaces (2), parallel port, PS/2 mouse interface, serial ports (2), IR connector, USB connector, ATX power connector
TEKRAM TECHNOLOGY CO., LTD.
Pentium
P5V30-B4
32-bit PCI slots (3), floppy drive interface, green PC connector, IDE interfaces (2), parallel port, PS/2 mouse interface, serial ports (2), IR connectors (2), USB connector
TEKRAM TECHNOLOGY CO., LTD.
Pentium
P5VP3-B3
32-bit PCI slots (3), floppy drive interface, green PC connector, IDE interfaces (2), parallel port, PS/2 mouse interface, serial ports (2), IR connector, USB connector, ATX power connector, AGP slot, wake on LAN connector
TEXAS MICRO SYSTEMS, INC.
Pentium
PE5000HX
32-bit PCI slots (4), PCI bus slot, floppy drive interface, IDE interface, parallel port, PS/2 mouse port, serial ports (2), cache slot
TEXAS MICRO, INC.
Pentium
L5000HX SBC
Floppy drive interface, IDE interfaces (2), parallel port, serial ports (2), cache slot
TEXAS MICRO, INC.
Pentium
P5000HX SBC
Floppy drive interface, IDE interface, SCSI interface, parallel port, PS/2 mouse interface, serial ports (2), cache slot, USB connectors (2)
TEXAS MICRO, INC.
Pentium
P5000HX WMB
32-bit PCI slots (4), floppy drive interface, IDE interfaces (2), parallel port, PS/2 mouse port, serial ports (2), cache slot
TEXAS MICRO, INC.
Pentium MMX
P5000HX-M SBC
Floppy drive interface, IDE interface, SCSI interface, parallel port, PS/2 mouse interface, serial ports (2), cache slot, USB connectors (2)
TEXAS MICRO, INC.
Pentium MMX
P5000HX-M-WMB
32-bit PCI slots (4), floppy drive interface, IDE interfaces (2), parallel port, PS/2 mouse port, serial ports (2), cache slot
TEXAS MICRO, INC.
Pentium
P5000HX2 SBC
Floppy drive interface, IDE interface, SCSI interface, parallel port, PS/2 mouse interface, serial ports (2), cache slot, USB connectors (2)
TEXAS MICRO, INC.
Pentium MMX
P5000HX2-M SBC
Floppy drive interface, IDE interface, SCSI interface, parallel port, PS/2 mouse interface, serial ports (2), cache slot, USB connectors (2)
TEXAS MICRO, INC.
Pentium
PF5000HX2 SBC
Floppy drive interface, IDE interface, parallel port, serial ports (2), cache slot
TEXAS MICRO, INC.
Pentium MMX
PF5000HX2-M SBC
Floppy drive interface, IDE interface, parallel port, serial ports (2), cache slot
TEXAS MICRO, INC.
Pentium
PV5000HX2 SBC
Floppy drive interface, game port, IDE interface, SCSI interface, parallel port, PS/2 mouse port, serial ports (2), VGA port, cache slot
TEXAS MICRO, INC.
Pentium MMX
PV5000HX2-M SBC
Floppy drive interface, game port, IDE interface, SCSI interface, parallel port, PS/2 mouse port, serial ports (2), VGA port, cache slot
TEXAS MICROSYSTEMS, INC.
Pentium
D560C
Floppy drive interface, IDE interface, SCSI interface, parallel port, PS/2 mouse interface, serial ports (2), PCI video module connector
TEXAS MICROSYSTEMS, INC.
Pentium
P5000HX
TEXAS MICROSYSTEMS, INC.
Pentium
P560C
AUI connector, floppy drive interface, IDE interface, SCSI interface, parallel port, PS/2 mouse port, serial ports (2)
TEXAS MICROSYSTEMS, INC.
Pentium
P575/90
Floppy drive interface, IDE interface, SCSI interface, parallel port, serial ports (2)
TEXAS MICROSYSTEMS, INC.
Pentium
PV5000HX