CABLETRON SYSTEMS, INC.
E4030 (FIBER ST/AUI)
|
Card Type |
Network Interface Card |
|
NIC Type |
Ethernet |
|
Maximum Onboard Memory |
Unidentified |
|
Boot ROM |
Not available |
|
Network Transfer Rate |
10Mbps |
|
Topology |
Linear Bus |
|
Wiring Type |
Fiber optic cable, AUI transceiver via DB-15 port |
|
Data Bus |
None |
|
CONNECTIONS | |||
|
Function |
Label |
Function |
Label |
|
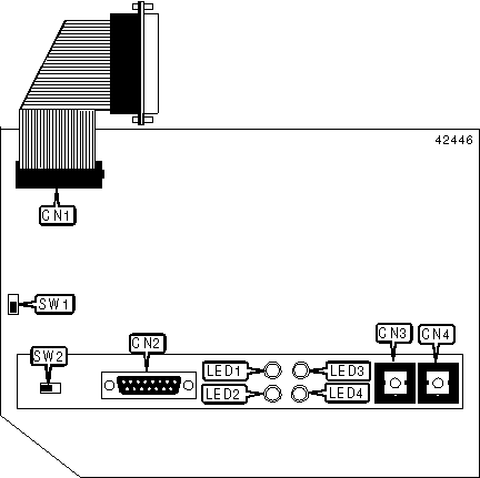
24 wire ribbon connector to control board |
CN1 |
ST connector |
CN3 |
|
AUI connector |
CN2 |
ST connector |
CN4 |
|
USER CONFIGURABLE SETTINGS | |||
|
Function |
Label |
Position | |
|
SQE enabled |
SW1 |
On | |
| » |
SQE disabled |
SW1 |
Off |
|
CABLE TYPE SELECTION | |
|
Type |
SW2 |
|
AUI transceiver via DB-15 port |
Off |
|
Fiber optic cable |
On |
|
DIAGNOSTIC LED(S) | |||
|
LED |
Color |
Status |
Condition |
|
LED1 |
Yellow |
Blinking |
Data is being received |
|
LED1 |
Yellow |
Off |
Data is not being received |
|
LED2 |
Green |
Blinking |
Connection error detected |
|
LED2 |
Green |
On |
Power is on, Network connection is good (RJ-45 connector) |
|
LED2 |
Green |
Off |
Power is off, Network connection is broken (RJ-45 connector) |
|
LED3 |
Green |
Blinking |
Data is being transmitted |
|
LED3 |
Green |
Off |
Data is not being transmitted |
|
LED4 |
Red |
Blinking |
Collision detected on network |
|
LED4 |
Red |
Off |
No collision detected on network |