POWERCOM AMERICA, INC.
PM33V14I (CIRRUS LOGIC)
|
Card Type |
Modem (asynchronous) |
|
Chipset |
Cirrus Logic |
|
I/O Options |
Voice, microphone in, speaker out |
|
Maximum Data Rate |
33.6Kbps |
|
Maximum Fax Rate |
14.4Kbps |
|
Data Modulation |
Bell 103A/212A ITU-T V.21, V.22, V.22bis, V.23, V.32, V.32bis, V.34 |
|
Fax Modulation |
Unidentified |
|
Error Correction/Compression |
MNP5, V.42, V.42bis |
|
Fax Class |
Unidentified |
|
Data Bus |
8-bit ISA |
|
Card Size |
Full height, one-third length |

|
CONNECTIONS | |||
|
Function |
Label |
Function |
Label |
|
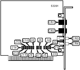
Telephone line in |
CN1 |
Speaker out |
CN3 |
|
Telephone line out |
CN2 |
Microphone in |
CN4 |
|
USER CONFIGURABLE SETTINGS | ||
|
Setting |
Label |
Position |
|
í Factory configured - do not alter |
J8 |
Unidentified |
|
í Factory configured - do not alter |
J9 |
Unidentified |
|
í Factory configured - do not alter |
J10 |
Unidentified |
|
í Factory configured - do not alter |
J11 |
Unidentified |
|
í Factory configured - do not alter |
J12 |
Unidentified |
|
í Factory configured - do not alter |
J13 |
Unidentified |
|
í Factory configured - do not alter |
J14 |
Unidentified |
|
SERIAL PORT ADDRESS SELECTION | ||||
|
Setting |
J1 |
J2 |
J3 |
J4 |
|
3F8h (COM1:) |
Closed |
Closed |
Open |
Open |
|
2F8h (COM2:) |
Closed |
Open |
Open |
Closed |
|
3E8h (COM3:) |
Open |
Closed |
Closed |
Open |
|
2E8h (COM4:) |
Open |
Open |
Closed |
Closed |
|
INTERRUPT SELECTION | |||
|
Setting |
J5 |
J6 |
J7 |
|
3 |
Closed |
Open |
Open |
|
í 4 |
Open |
Closed |
Open |
|
5 |
Open |
Open |
Closed |
|
SUPPORTED STANDARD COMMANDS |
|
Basic AT Commands |
|
+++, ‘comma’, A/ |
|
A, D, E, H, L, M, N, O, P, Q, T, V, X, Y, Z |
|
&C, &D, &F, &G, &K, &P, &Q, &R, &S, &T, &V, &W, &Y, &Z |
|
Extended AT Commands |
|
\A, \B, \C, \G, \J, \K, \N, \O, \Q, \T, \U, \V, \X, \Y, \Z |
|
%A, %C, %E, %G |
|
Special AT Commands |
|
-C, "H, -J, +MS, "O |
|
S-Registers |
|
S0, S1, S2, S3, S4, S5, S6, S7, S8, S9, S10, S11, S12, S18, S25, S26, S30 |
Note: See MHI help file for complete information. |
|
UNIDENTIFIED COMMANDS | |
|
Command |
Default |
|
S14 |
Read-only |
|
S16 |
Read-only |
|
S21 |
Read-only |
|
S22 |
Read-only |
|
S23 |
Read-only |
|
S27 |
Read-only |
|
S31 |
Read-only |
|
S33 |
10 |
|
S37 |
0 |
Proprietary AT Command Set
|
COMMUNICATION PROTOCOLS | |
|
Type: |
Configuration |
|
Format: |
AT [cmds] Bn [cmds] |
|
Description: |
Selects the communication protocol for 1200bps data calls. |
|
Command |
Protocol |
|
B0 |
Modem will use ITU-T V.22 at 1200bps. |
|
B1 |
Modem will use Bell 212A 1200bps. |
|
B2 |
Modem will use V.23 at 1200/75bps. |
|
DISPLAY CHIPSET MANUFACTURER | |
|
Type: |
Immediate |
|
Format: |
AT [cmds] +GMI? [cmds] |
|
Description: |
Displays the chipset manufacturer’s name. |
|
DISPLAY CHIPSET MODEL NAME | |
|
Type: |
Immediate |
|
Format: |
AT [cmds] +GMM? [cmds] |
|
Description: |
Displays the model name of the modem's chipset. |
|
DISPLAY CHIPSET REVISION | |
|
Type: |
Immediate |
|
Format: |
AT [cmds] +GMR? [cmds] |
|
Description: |
Displays the revision level of the modem's chipset. |
|
DISPLAY INFORMATION | |||
|
Type: |
Immediate | ||
|
Format: |
AT [cmds] In [cmds] | ||
|
Description: |
Displays information requested about the modem. | ||
|
Command |
Function | ||
|
I0 |
Displays product identification code. | ||
|
I1 |
Displays firmware version. | ||
|
I2 |
Tests and displays ROM checksum result. | ||
|
I3 |
Displays chipset manufacturer. | ||
|
I4 |
Displays chipset feature bitmap. | ||
|
Bit |
Value |
Function | |
|
0 |
0 1 |
Modem uses Hayes (Patent ‘302) escape sequence. Modem uses TIES (+++AT [cmds] <CR>) escape sequence. | |
|
1 |
0 1 |
Modem does not contain V.42/MNP firmware. Modem contains V.42/MNP firmware. | |
|
5, 2 |
00 01 10 |
Modem has serial interface. Modem has parallel interface. Modem has PCMCIA interface. | |
|
4, 3 |
00 10 11 |
Modem does not have SRAM installed. Modem has 8K x 8 SRAMs installed. Modem has 32K x 8 SRAMs installed. | |
|
6 |
0 1 |
Modem does not support Plug-N-Play. Modem supports Plug-N-Play. | |
|
I6 |
Displays country code. | ||
|
Value |
Meaning | ||
|
FR |
Modem set for France. | ||
|
GR |
Modem set for Germany. | ||
|
IT |
Modem set for Italy. | ||
|
JP |
Modem set for Japan. | ||
|
NT |
Modem set for the Netherlands. | ||
|
UK |
Modem set for Great Britain. | ||
|
US |
Modem set for the United States. | ||
|
DISPLAY INFORMATION (CON'T) | |||
|
Command |
Function | ||
|
I7 |
Displays board firmware version. | ||
|
I8 |
Displays firmware feature bitmap. | ||
|
Bit |
Value |
Function | |
|
0 |
0 1 |
Modem supports VoiceView. Modem does not support VoiceView. | |
|
1 |
0 1 |
Modem supports DSVD. Modem does not support DSVD. | |
|
EXTENDED RESULT CODES | |
|
Type: |
Configuration |
|
Format: |
AT [cmds] Wn [cmds] |
|
Description: |
Selects the format of the CONNECT result code. |
|
Command |
Function |
|
í W0 |
CONNECT result codes to report DTE speed. |
|
W1 |
CONNECT result codes to report DTE speed. |
|
W2 |
CONNECT result codes to report DCE speed. |
|
W3 |
CONNECT result codes to report DTE and DCE speeds, modulation, error correction/compression. |