MOTHERBOARDS Pentium (socket 4,5,7)

ELITEGROUP - GESPAC

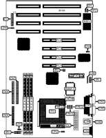
ELITEGROUP COMPUTER SYSTEMS, INC.
Pentium
ME5PI-S
SCSI connector, 32-bit PCI slots (3)
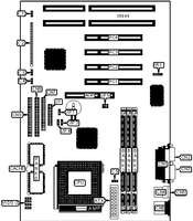
ELITEGROUP COMPUTER SYSTEMS, INC.
Pentium
MONIPUTER
Game/MIDI port, parallel port, PS/2 mouse port, serial ports (2), VGA feature connector, riser slot, line in, line out, TV line in, modem line in, TV tuner connector
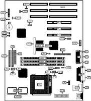
ELITEGROUP COMPUTER SYSTEMS, INC.
Cyrix GXM
P5GX-M
32-bit PCI slots (2), floppy drive interface, game/MIDI port, green PC connector, IDE interfaces (2), parallel port, PS/2 mouse port, serial ports (2), IR connector, USB connectors (2), ATX power connector, line in, line out, microphone in, audio in
ELITEGROUP COMPUTER SYSTEMS, INC.
Pentium
P5HX-A (VER. 1.0)
32-bit PCI slots (4), floppy drive interface, green PC connector, IDE interfaces (2), parallel port, PS/2 mouse port, serial ports (2), cache slot, IR connectors (2), USB connector, ATX power connector, soft on/off power switch
ELITEGROUP COMPUTER SYSTEMS, INC.
Pentium
P5HX-A (VER. 2.0 PCB 2.1)
32-bit PCI slots (4), floppy drive interface, green PC connector, IDE interfaces (2), parallel port, PS/2 mouse port, serial ports (2), cache slot, IR connectors (2), USB connector, ATX power connector, soft on/off power switch
ELITEGROUP COMPUTER SYSTEMS, INC.
Pentium
P5HX-B
32-bit PCI slots (4), floppy drive interface, green PC connector, IDE interfaces (2), parallel port, PS/2 mouse port, PS/2 mouse interface, serial ports (2), cache slot, IR connector, USB connector
ELITEGROUP COMPUTER SYSTEMS, INC.
Pentium
P5HX-LA
Floppy drive interface, green PC connector, IDE interfaces (2), parallel port, PS/2 mouse port, serial ports (2), VGA feature connector, VGA port, riser slot, cache slot, IR connectors (2), USB connector, CD-ROM audio connector, wavetable connector,
ELITEGROUP COMPUTER SYSTEMS, INC.
Pentium
P5SD-A
32-bit PCI slots (3), floppy drive interface, green PC connector, IDE interfaces (2), parallel port, PS/2 mouse port, serial ports (2), IR connector, USB connectors (2), ATX power connector, AGP slot
ELITEGROUP COMPUTER SYSTEMS, INC.
Pentium
P5SD-B
32-bit PCI slots (3), floppy drive interface, green PC connector, IDE interfaces (2), parallel port, PS/2 mouse interface, serial ports (2), IR connector, USB connector, AGP slot
ELITEGROUP COMPUTER SYSTEMS, INC.
Pentium
P5SD-B+
32-bit PCI slots (4), floppy drive interface, green PC connector, IDE interfaces (2), parallel port, PS/2 mouse interface, serial ports (2), IR connector, USB connector, ATX power connector, AGP slot, wake on LAN connector, wake on modem connecto
ELITEGROUP COMPUTER SYSTEMS, INC.
Pentium
P5SJ-A
32-bit PCI slots (4), floppy drive interface, IDE interfaces (2), parallel port, PS/2 mouse port, serial ports (2), VGA interface, IR connector, USB connector, ATX power connector
ELITEGROUP COMPUTER SYSTEMS, INC.
Pentium
P5SJ-AU
32-bit PCI slots (4), floppy drive interface, IDE interfaces (2), parallel port, PS/2 mouse port, serial ports (2), VGA interface, IR connector, USB connector, ATX power connector
ELITEGROUP COMPUTER SYSTEMS, INC.
Pentium
P5SJ-B
32-bit PCI slots (3), floppy drive interface, green PC connector, IDE interfaces (2), parallel port, PS/2 mouse interface, serial ports (2), VGA port, IR connector, USB connector, ATX power connector
ELITEGROUP COMPUTER SYSTEMS, INC.
Pentium
P5SV-B
32-bit PCI slots (3), floppy drive interface, green PC connector, IDE interfaces (2), parallel port, PS/2 mouse interface, serial ports (2), IR connectors (2), USB connector
ELITEGROUP COMPUTER SYSTEMS, INC.
Pentium
P5TX-A
32-bit PCI slots (4), floppy drive interface, green PC connector, IDE interfaces (2), parallel port, PS/2 mouse port, serial ports (2), IR connector, USB connector, ATX power connector
ELITEGROUP COMPUTER SYSTEMS, INC.
Pentium
P5TX-APRO
32-bit PCI slots (4), floppy drive interface, green PC connector, IDE interfaces (2), parallel port, PS/2 mouse port, serial ports (2), IR connector, USB connectors (2), ATX power connector
ELITEGROUP COMPUTER SYSTEMS, INC.
Pentium
P5TX-AR
32-bit PCI slots (3), floppy drive interface, game port, green PC connector, IDE interfaces (2), parallel port, PS/2 mouse port, serial ports (2), VGA feature connector, VGA port, IR connector, USB connectors (2), ATX power connector, microphone in,
ELITEGROUP COMPUTER SYSTEMS, INC.
AMD, Cyrix, Pentium
P5TX-B
32-bit PCI slots (4), floppy drive interface, green PC connector, IDE interfaces (2), parallel port, serial ports (2), IR connectors (2), USB connector
ELITEGROUP COMPUTER SYSTEMS, INC.
Pentium
P5TX-BPRO
32-bit PCI slots (4), floppy drive interface, green PC connector, IDE interfaces (2), parallel port, PS/2 mouse interface, serial ports (2), IR connector, USB connector
ELITEGROUP COMPUTER SYSTEMS, INC.
Pentium
P5TX-BPRO (VER. 3.0)
32-bit PCI slots (4), floppy drive interface, green PC connector, IDE interfaces (2), parallel port, PS/2 mouse interface, serial ports (2), IR connector, USB connector, ATX power connector
ELITEGROUP COMPUTER SYSTEMS, INC.
Pentium
P5TX-LA
Floppy drive interface, green PC connector, IDE interfaces (2), parallel port, PS/2 mouse port, serial ports (2), VGA feature connector, VGA port, IR connector, USB connector, ATX power connector, audio in – CD-ROM, audio connector, TV-out connecto
ELITEGROUP COMPUTER SYSTEMS, INC.
Pentium
P5VP-A+
32-bit PCI slots (4), floppy drive interface, green PC connector, IDE interfaces (2), parallel port, PS/2 mouse port, serial ports (2), IR connector, USB connectors (2), ATX power connector, AGP slot, wake on LAN connector, wake on modem connecto
ELITEGROUP COMPUTER SYSTEMS, INC.
Pentium
P5VX-A (VER 1.1 PCB 1.0)
32-bit PCI slots (4), floppy drive interface, game port, green PC connector, IDE interfaces (2), parallel port, PS/2 mouse port, serial ports (2), cache slot, IR connectors (2), USB connectors (2), ATX power connector, microphone port, line in port,
ELITEGROUP COMPUTER SYSTEMS, INC.
Pentium
P5VX-B (VER. 1.1)
32-bit PCI slots (4), floppy drive interface, green PC connector, IDE interfaces (2), parallel port, PS/2 mouse interface, serial ports (2), cache slot, IR connectors (2), USB connector
ELITEGROUP COMPUTER SYSTEMS, INC.
Pentium
P5VX-BE (VER. 1.1)
32-bit PCI slots (4), CD-ROM connector, floppy drive interface, green PC connector, IDE interfaces (2), parallel port, PS/2 mouse interface, serial ports (2), IR connectors (2), USB connector, audio connector
ELITEGROUP COMPUTER SYSTEMS, INC.
Pentium
P5VX-BE (VER. 3.0)
32-bit PCI slots (4), floppy drive interface, green PC connector, IDE interfaces (2), parallel port, PS/2 mouse interface, serial ports (2), IR connectors (2), USB connectors (2)
ELITEGROUP COMPUTER SYSTEMS, INC.
Pentium
SC58P VIO/S
Floppy drive interface, IDE interfaces (2), parallel port, PS/2 mouse port, serial ports (2), VGA feature connector, VGA port, riser slot, IR connector
ELITEGROUP COMPUTER SYSTEMS, INC.
Pentium
SI54P AIO
32-bit PCI slots (4), floppy drive interface, green PC connector, IDE interfaces (2), parallel port, serial ports (2)
ELITEGROUP COMPUTER SYSTEMS, INC.
Pentium
SI54P VIO
Floppy drive interface, green PC connector, IDE interfaces (2), parallel port, PS/2 mouse port, serial ports (2), VGA feature connector, VGA port, riser slot
ELITEGROUP COMPUTER SYSTEMS, INC.
Pentium
SI55P AIO
32-bit PCI slots (4), floppy drive interface, green PC connector, IDE interfaces (2), parallel port, serial ports (2), IR connector, VRM connector
ELITEGROUP COMPUTER SYSTEMS, INC.
Pentium
SI55P AIO (VER. 1.1)
32-bit PCI slots (2), floppy drive interface, green PC connector, IDE interfaces (2), parallel port, serial ports (2), VRM connector, IR connector
ELITEGROUP COMPUTER SYSTEMS, INC.
Pentium
SI56P AVIO
32-bit PCI slots (3), floppy drive interface, green PC connector, IDE interfaces (2), parallel port, PS/2 mouse interface, serial ports (2), serial port, VGA feature connector, VGA interface, IR connector, VRM connector
ELITEGROUP COMPUTER SYSTEMS, INC.
Pentium
SI5PI AIO (REV. 1)
32-bit PCI slots (4), floppy drive interface, IDE interfaces (2), parallel port, serial ports (2)
ELITEGROUP COMPUTER SYSTEMS, INC.
Pentium
SI5PI AIO (REV. 2)
32-bit PCI slots (4), floppy drive interface, IDE interfaces (2), parallel port, serial ports (2)
ELITEGROUP COMPUTER SYSTEMS, INC.
Pentium
TR5510 AIO (V1.3)
32-bit PCI slots (4), floppy drive interface, green PC connector, IDE interfaces (2), parallel port, PS/2 mouse interface, serial ports (2), VRM connector, cache slot, IR connector
ELITEGROUP COMPUTER SYSTEMS, INC.
Pentium
TS54P AIO (V1.0)
32-bit PCI slots (4), floppy drive interface, green PC connector, IDE interfaces (2), parallel port, serial ports (2), VRM connector, IR connector
ELITEGROUP COMPUTER SYSTEMS, INC.
Pentium
TS54P AIO (V1.4)
32-bit PCI slots (4), floppy drive interface, green PC connector, IDE interfaces (2), parallel port, serial ports (2), VRM connector, PS/2 mouse port, PS/2 keyboard port
EPOX COMPUTER CO., LTD.
Pentium
5BTXB-E
EPOX COMPUTER CO., LTD.
Pentium
EP-58VP3A
32-bit PCI slots (3), floppy drive interface, green PC connector, IDE interfaces (2), parallel port, PS/2 mouse interface, serial ports (2), IR connector, USB connector, AGP slot
EPOX COMPUTER CO., LTD.
Pentium
EP-5ATXA-M
32-bit PCI slots (4), floppy drive interface, game/MIDI port, green PC connector, IDE interfaces (2), parallel port, PS/2 mouse port, serial ports (2), IR connector, USB connectors (2), ATX power connector, line in, line out, microphone in
EPOX COMPUTER CO., LTD.
Pentium
EP-5BTXA-E
32-bit PCI slots (3), floppy drive interface, green PC connector, IDE interfaces (2), parallel port, PS/2 mouse interface, serial ports (2), IR connector, USB connector
EPOX COMPUTER CO., LTD.
Pentium
P55-BT
32-bit PCI slots (4), floppy drive interface, green PC connector, IDE interfaces (2), parallel port, PS/2 mouse interface, serial ports (2), IR connector, VRM connector, USB connector, ATX power connector
EPOX COMPUTER CO., LTD.
Pentium
P55-ET
32-bit PCI slots (4), floppy drive interface, green PC connector, IDE interfaces (2), parallel port, PS/2 mouse port, PS/2 mouse interface, serial ports (2), cache slot, VRM connector
EPOX COMPUTER CO., LTD.
Pentium
P55-IT
32-bit PCI slots (4), floppy drive interface, green PC connector, IDE interfaces (2), parallel port, PS/2 mouse port, PS/2 mouse interface, serial ports (2), cache slot, VRM connector
EPOX COMPUTER CO., LTD.
Pentium
P55-KV
32-bit PCI slots (2), floppy drive interface, green PC connector, IDE interfaces (2), parallel port, PS/2 mouse interface, serial ports (2), IR connector
EPOX COMPUTER CO., LTD.
Pentium
P55-TF
32-bit PCI slots (4), floppy drive interface, green PC connector, IDE interfaces (2), parallel port, PS/2 mouse interface, serial ports (2), cache slot, IR connector
EPOX COMPUTER CO., LTD.
Pentium
P55-TH
32-bit PCI slots (4), floppy drive interface, green PC connector, IDE interfaces (2), parallel port, PS/2 mouse interface, serial ports (2), cache slot, IR connector
EPOX COMPUTER CO., LTD.
Pentium
P55-TV
32-bit PCI slots (4), floppy drive interface, green PC connector, IDE interfaces (2), parallel port, PS/2 mouse interface, serial ports (2), cache slot, IR connector
EPOX COMPUTER CO., LTD.
Pentium
P55-TX
32-bit PCI slots (4), floppy drive interface, green PC connector, IDE interfaces (2), parallel port, PS/2 mouse port, serial ports (2), IR connector, USB connector, ATX power connector
EPOX COMPUTER CO., LTD.
Pentium
P55-TX 2
32-bit PCI slots (4), floppy drive interface, green PC connector, IDE interfaces (2), parallel port, PS/2 mouse port, serial ports (2), IR connector, USB connector, ATX power connector
EPOX COMPUTER CO., LTD.
Pentium
P55-TXL
32-bit PCI slots (4), floppy drive interface, green PC connector, IDE interfaces (2), parallel port, PS/2 mouse port, serial ports (2), IR connector, USB connector, ATX power connector
EPOX COMPUTER CO., LTD.
Pentium
P55-VA
32-bit PCI slots (4), floppy drive interface, green PC connector, IDE interfaces (2), parallel port, PS/2 mouse port, serial ports (2), cache slot, IR connector, USB connector, ATX power connector
EPOX COMPUTER CO., LTD.
Pentium
P55-VP
32-bit PCI slots (3), floppy drive interface, green PC connector, IDE interfaces (2), parallel port, PS/2 mouse interface, serial ports (2), IR connector
EPOX COMPUTER CO., LTD.
Pentium
P55-VP2
32-bit PCI slots (3), floppy drive interface, green PC connector, IDE interfaces (2), parallel port, PS/2 mouse interface, serial ports (2), IR connector
EPOX COMPUTER CO., LTD.
Pentium
P55-VP3
32-bit PCI slots (4), floppy drive interface, IDE interfaces (2), parallel port, PS/2 mouse port, serial ports (2), IR connector, USB connectors (2), ATX power connector, AGP slot
EPOX COMPUTER CO., LTD.
Pentium
P55-VPX
32-bit PCI slots (4), floppy drive interface, green PC connector, IDE interfaces (2), parallel port, PS/2 mouse interface, serial ports (2), IR connector, USB connector, ATX power connector
EPOX COMPUTER CO., LTD.
Pentium
P55-VX
32-bit PCI slots (4), floppy drive interface, green PC connector, IDE interfaces (2), parallel port, PS/2 mouse interface, serial ports (2), IR connector, USB connector
EPOX COMPUTER CO., LTD.
Pentium
P55KTX
32-bit PCI slots (4), floppy drive interface, IDE interfaces (2), parallel port, PS/2 mouse port, serial ports (2), IR connector, USB connector, ATX power connector
EPOX COMPUTER CO., LTD.
Pentium
P55TV2
32-bit PCI slots (4), floppy drive interface, green PC connector, IDE interfaces (2), parallel port, PS/2 mouse interface, serial ports (2), IR connector
EPSON, INC.
Pentium
ACTION PC 6000
Floppy drive interface, green PC connector, game interface, IDE interfaces (2), parallel port, PS/2 mouse port, serial ports (2), VGA feature connector, VGA port, riser slot
EPSON, INC.
Pentium
ACTION PC 8000, ENDEAVOR PRO
Floppy drive interface, green PC connector, IDE interfaces (2), parallel port, PS/2 mouse port, serial ports (2), VGA feature connector, VGA port, riser slot
EURONE
Pentium
EM-5570
32-bit PCI slots (3), floppy drive interface, game/sound interface, IDE interfaces (2), parallel port, PS/2 mouse port, PS/2 mouse interface, serial ports (2), ATX power connector, AGP slot, digital line in, digital line out, audio in – CD-ROMs (2
EURONE
Pentium
EM-5575
32-bit PCI slots (4), floppy drive interface, game/sound interface, green PC connector, IDE interfaces (2), parallel port, PS/2 mouse port, PS/2 mouse interface, serial ports (2), IR connector, USB connectors (2), ATX power connector, audio in – CD-R
EURONE
Pentium
EM-5577
32-bit PCI slots (3), floppy drive interface, IDE interfaces (2), parallel port, PS/2 mouse interface, serial ports (2), IR connector, ATX power connector, AGP slot, audio in – CD-ROMs (2)
EURONE
Pentium
MS-5025S
32-bit PCI slots (4), floppy drive interface, game/sound interface, IDE interfaces (2), parallel port, PS/2 mouse interface, serial ports (2), ATX power connector, AGP slot, digital line in, digital line out, audio in – CD-ROMs (2)
EURONE (HK) CO., LTD.
Pentium
EM-5558
32-bit PCI slots (4), floppy drive interface, IDE interfaces (2), parallel port, serial ports (2), cache slot
EURONE (HK) CO., LTD.
Pentium
EM-5560
32-bit PCI slots (4), floppy drive interface, IDE interfaces (2), parallel port, PS/2 mouse interface, serial ports (2), USB connector
EURONE (HK) CO., LTD.
Pentium
EM-5565
32-bit PCI slots (5), floppy drive interface, green PC connector, IDE interfaces (2), parallel port, PS/2 mouse port, PS/2 mouse interface, serial ports (2), IR connector, USB connectors (2), ATX power connector
EURONE (HK) CO., LTD.
Pentium
EM-5571
32-bit PCI slots (4), floppy drive interface, game interface, green PC connector, IDE interfaces (2), parallel port, PS/2 mouse interface, serial ports (2), VGA interface, IR connector, USB connectors (2), ATX power connector, line in, line out, micr
EURONE (HK) CO., LTD.
Pentium
EM-5667
32-bit PCI slots (4), floppy drive interface, green PC connector, IDE interfaces (2), parallel port, PS/2 mouse interface, serial ports (2), IR connector, USB connector, ATX power connector
EURONE (HK) CO., LTD.
Pentium
EM-5900
32-bit PCI slots (4), floppy drive interface, green PC connector, IDE interfaces (2), parallel port, PS/2 mouse interface, serial ports (2), IR connector, USB connectors (2)
EURONE (HK) CO., LTD.
Pentium
MS-5010
32-bit PCI slots (4), floppy drive interface, IDE interfaces (2), parallel port, PS/2 mouse interface, serial ports (2), IR connector, USB connector
EURONE (HK) CO., LTD.
Pentium
MS-5015
32-bit PCI slots (4), floppy drive interface, IDE interfaces (2), parallel port, PS/2 mouse interface, serial ports (2), IR connector, USB connector
EURONE (HK) CO., LTD.
Pentium
MS-5025
32-bit PCI slots (4), floppy drive interface, IDE interfaces (2), parallel port, serial ports (2), IR connector, USB connectors (2), ATX power connector
EURONE (HK) CO., LTD.
Pentium
MS-5120
32-bit PCI slots (4), floppy drive interface, green PC connector, IDE interfaces (2), parallel port, PS/2 mouse interface, serial ports (2), IR connector, USB connector
EVEREX SYSTEMS, INC.
Pentium
STEP PREMIER
32-bit PCI slots (4), floppy drive interface, green PC connector, IDE interfaces (2), parallel port, PS/2 mouse interface, serial ports (2), IR connector, USB connectors (2)
FAMOUS TECHNOLOGY CO., LTD.
Pentium
MP-586ITX (REV. 2)
32-bit PCI slots (3), floppy drive interface, green PC connector, IDE interfaces (2), parallel port, PS/2 mouse port, PS/2 mouse interface, serial ports (2), cache slot, IR connector, USB connectors (2)
FAMOUS TECHNOLOGY CO., LTD.
Pentium
MP-586IVX
32-bit PCI slots (4), floppy drive interface, green PC connector, IDE interfaces (2), parallel port, PS/2 mouse interface, serial ports (2), cache slot, USB connector
FAMOUS TECHNOLOGY CO., LTD.
Pentium
MP-586THX
32-bit PCI slots (4), floppy drive interface, green PC connector, IDE interfaces (2), parallel port, PS/2 mouse interface, serial ports (2), cache slot
FAMOUS TECHNOLOGY CO., LTD.
Pentium
MP-586VAS
32-bit PCI slots (4), floppy drive interface, game port, green PC connector, IDE interfaces (2), parallel port, PS/2 mouse port, serial ports (2), cache slot, IR connector, ATX power connector, line in connector, line out connector, microphone connec
FAMOUS TECHNOLOGY CO., LTD.
Pentium
MP-586VIP
32-bit PCI slots (4), floppy drive interface, green PC connector, IDE interfaces (2), parallel port, PS/2 mouse port, PS/2 mouse interface, serial ports (2), cache slot, IR connector, USB connectors (2)
FIRST INTERNATIONAL COMPUTER, INC.
Pentium
PA-1000
32-bit PCI slots (4), floppy drive interface, IDE interfaces (2), parallel port, PS/2 mouse port, PS/2 mouse interface, serial ports (2)
FIRST INTERNATIONAL COMPUTER, INC.
Pentium
PA-1000T
32-bit PCI slots (4), floppy drive interface, IDE interfaces (2), parallel port, PS/2 mouse port, PS/2 mouse interface, serial ports (2), serial port interface
FIRST INTERNATIONAL COMPUTER, INC.
Pentium
PA-2000
PS/2 mouse port, parallel port, serial ports (2), serial interface, 32-bit PCI slots (3), green PC connector, floppy drive interface, IDE interfaces (2), VRM connector
FIRST INTERNATIONAL COMPUTER, INC.
Pentium
PA-2001
32-bit PCI slots (3), floppy drive interface, green PC connector, IDE interfaces (2), parallel port, PS/2 mouse interface, serial ports (2), IR connector
FIRST INTERNATIONAL COMPUTER, INC.
Pentium
PA-2002
32-bit PCI slots (4), floppy drive interface, green PC connector, IDE interfaces (2), parallel port, PS/2 mouse interface, serial ports (2), VRM connector, cache slot, IR connector
FIRST INTERNATIONAL COMPUTER, INC.
Pentium
PA-2005
32-bit PCI slots (4), floppy drive interface, green PC connector, IDE interfaces (2), parallel port, serial ports (2), IR connector, remote power switch, monitor outlet connector, remote power on connector, USB connectors (2)
FIRST INTERNATIONAL COMPUTER, INC.
Pentium
PA-2005 (REV. A1)
32-bit PCI slots (4), floppy drive interface, green PC connector, IDE interfaces (2), parallel port, PS/2 mouse interface, serial ports (2), IR connector, USB connectors (2), remote control power
FIRST INTERNATIONAL COMPUTER, INC.
Pentium
PA-2006
32-bit PCI slots (4), floppy drive interface, green PC connector, IDE interfaces (2), parallel port, PS/2 mouse interface, serial ports (2), cache slot, IR connector, USB connectors (2)
FIRST INTERNATIONAL COMPUTER, INC.
Pentium
PA-2007
32-bit PCI slots (4), floppy drive interface, green PC connector, IDE interfaces (2), parallel port, PS/2 mouse interface, serial ports (2), IR connector, USB connectors (2)
FIRST INTERNATIONAL COMPUTER, INC.
Pentium
PA-2010
32-bit PCI slots (4), floppy drive interface, green PC connector, IDE interfaces (2), parallel port, PS/2 mouse port, serial ports (2), cache slot, IR connector, USB connectors (2), ATX power connector
FIRST INTERNATIONAL COMPUTER, INC.
Pentium
PA-2010+
32-bit PCI slots (4), floppy drive interface, green PC connector, IDE interfaces (2), parallel port, PS/2 mouse interface, serial ports (2), IR connector, USB connectors (2), ATX power connector
FIRST INTERNATIONAL COMPUTER, INC.
Pentium
PA-2011
32-bit PCI slots (4), floppy drive interface, green PC connector, IDE interfaces (2), parallel port, PS/2 mouse interface, serial ports (2), IR connector, USB connectors (2), ATX power connector
FIRST INTERNATIONAL COMPUTER, INC.
Pentium
PA-2013
32-bit PCI slots (4), floppy drive interface, green PC connector, IDE interfaces (2), parallel port, PS/2 mouse port, serial ports (2), IR connector, FUSB connector, USB connectors (2), ATX power connector, AGP slot
FIRST INTERNATIONAL COMPUTER, INC.
Pentium
PAC-2002
Floppy drive interface, green PC connector, IDE interfaces (2), parallel port, PS/2 mouse port, serial ports (2), VGA feature connector, VGA port, riser slot, VRM connector, IR connector
FIRST INTERNATIONAL COMPUTER, INC.
Pentium
PAC-2003
Floppy drive interface, green PC connector, IDE interfaces (2), parallel port, PS/2 mouse port, serial ports (2), VGA feature connector, VGA port, riser slot, cache slot, IR connector, USB connectors (2)
FIRST INTERNATIONAL COMPUTER, INC.
Pentium
PAK-2005 (COM)
Floppy drive interface, green PC connector, IDE interfaces (2), parallel port, PS/2 mouse port, serial ports (2), VGA feature connector, VGA port, riser slot, IR connector, USB connector
FIRST INTERNATIONAL COMPUTER, INC.
Pentium
PAK-2005 (USB)
Floppy drive interface, green PC connector, IDE interfaces (2), parallel port, PS/2 mouse port, serial ports (2), VGA feature connector, VGA port, riser slot, IR connector, USB connector
FIRST INTERNATIONAL COMPUTER, INC.
Pentium
PAK-2102
CD-ROM audio in, floppy drive interface, audio/game port, green PC connector, IDE interfaces (2), parallel port, PS/2 mouse port, serial ports (2), VGA feature connector, VGA port, riser slot, cache slot, IR connector, USB connectors (2), speaker out
FIRST INTERNATIONAL COMPUTER, INC.
Pentium
PM-1000
32-bit PCI local bus slots (3)
FIRST INTERNATIONAL COMPUTER, INC.
Pentium
PM-900
32-bit PCI local bus slots (3)
FIRST INTERNATIONAL COMPUTER, INC.
Pentium
PN-2000
32-bit PCI slots (4), floppy drive interface, IDE interfaces (2), parallel port, PS/2 mouse port, serial ports (2)
FIRST INTERNATIONAL COMPUTER, INC.
Pentium
PN-2000 (REV. B0)
32-bit PCI slots (4), floppy drive interface, IDE interfaces (2), parallel port, PS/2 mouse port, serial ports (2), IR connector
FIRST INTERNATIONAL COMPUTER, INC.
Pentium
PN-3000
External cache card, 32-bit PCI slots (3), floppy drive interface, IDE interface, parallel port, PS/2 mouse port, PS/2 mouse interface, serial ports (2)
FIRST INTERNATIONAL COMPUTER, INC.
Pentium
PT-2000
PS/2 mouse port, parallel port, serial ports (2), 32-bit PCI slots (4), floppy drive interface, IDE interfaces (2)
FIRST INTERNATIONAL COMPUTER, INC.
Pentium
PT-2003
32-bit PCI slots (4), floppy drive interface, green PC connector, IDE interfaces (2), parallel port, serial ports (2), cache slot, IR connector, remote control power connector
FIRST INTERNATIONAL COMPUTER, INC.
Pentium
PT-2003 (REV. A3)
32-bit PCI slots (4), floppy drive interface, green PC connector, IDE interfaces (2), parallel port, PS/2 mouse interface, serial ports (2), VRM connector, cache slot, IR connector, remote control power connector
FIRST INTERNATIONAL COMPUTER, INC.
Pentium
PT-2003 (REVISION A2)
32-bit PCI slots (4), floppy drive interface, green PC connector, IDE interfaces (2), parallel port, PS/2 mouse interface, serial ports (2), VRM connector, cache slot, IR connector, remote control power connector
FIRST INTERNATIONAL COMPUTER, INC.
Pentium
PT-2006
32-bit PCI slots (4), floppy drive interface, green PC connector, IDE interfaces (2), parallel port, PS/2 mouse interface, serial ports (2), cache slot, IR connector, USB connectors (2), remote control power
FIRST INTERNATIONAL COMPUTER, INC.
Pentium
PT-2007
32-bit PCI slots (4), floppy drive interface, green PC connector, IDE interfaces (2), parallel port, PS/2 mouse interface, serial ports (2), IR connector, USB connectors (2)
FIRST INTERNATIONAL COMPUTER, INC.
Pentium
PT-2010
32-bit PCI slots (4), floppy drive interface, green PC connector, IDE interfaces (2), parallel port, PS/2 mouse port, serial ports (2), cache slot, IR connector, USB connectors (2), ATX power connector
FIRST INTERNATIONAL COMPUTER, INC.
Pentium
PT-2011
32-bit PCI slots (4), floppy drive interface, green PC connector, IDE interfaces (2), parallel port, PS/2 mouse interface, serial ports (2), IR connector, USB connectors (2), ATX power connector
FIRST INTERNATIONAL COMPUTER, INC.
Pentium
PT-2012
32-bit PCI slots (5), floppy drive interface, green PC connector, IDE interfaces (2), parallel port, PS/2 mouse port, serial ports (2), IR connector, USB connectors (2), ATX power connector
FIRST INTERNATIONAL COMPUTER, INC.
Pentium
PT-2200 (REV. A1)
32-bit PCI slots (4), floppy drive interface, green PC connector, IDE interfaces (2), parallel port, PS/2 mouse interface, serial ports (2), IR connector, USB connectors (2)
FIRST INTERNATIONAL COMPUTER, INC.
Pentium
PT-2200 (REV. A2)
32-bit PCI slots (4), floppy drive interface, green PC connector, IDE interfaces (2), parallel port, PS/2 mouse interface, serial ports (2), IR connector, USB connectors (2), remote control power
FIRST INTERNATIONAL COMPUTER, INC.
Pentium
PTK-2110
32-bit PCI slots (4), CD-ROM audio in, floppy drive interface, game port, green PC connector, IDE interfaces (2), parallel port, PS/2 mouse port, serial ports (2), VGA port, IR connector, USB connectors (2), ATX power connector, microphone connector
FIRST INTERNATIONAL COMPUTER, INC.
Pentium
VA-501
32-bit PCI slots (4), floppy drive interface, green PC connector, IDE interfaces (2), parallel port, PS/2 mouse interface, serial ports (2)
FIRST INTERNATIONAL COMPUTER, INC.
Pentium
VA-502
32-bit PCI slots (4), floppy drive interface, IDE interfaces (2), parallel port, PS/2 mouse interface, serial ports (2), IR connector, USB connectors (2)
FIRST INTERNATIONAL COMPUTER, INC.
Pentium
VA-503
32-bit PCI slots (3), floppy drive interface, green PC connector, IDE interfaces (2), parallel port, PS/2 mouse interface, serial ports (2), IR connector, USB connector, ATX power connector, AGP slot
FIRST INTERNATIONAL COMPUTER, INC.
Pentium
VT-501
32-bit PCI slots (4), floppy drive interface, green PC connector, IDE interfaces (2), parallel port, PS/2 mouse interface, serial ports (2), IR connector, USB connectors (2)
FIRST INTERNATIONAL COMPUTER, INC.
Pentium
VT-502
32-bit PCI slots (4), floppy drive interface, green PC connector, IDE interfaces (2), parallel port, PS/2 mouse interface, serial ports (2), IR connector, USB connectors (2)
FIRST INTERNATIONAL COMPUTER, INC.
Pentium
VT-503
32-bit PCI slots (4), floppy drive interface, green PC connector, IDE interfaces (2), parallel port, PS/2 mouse interface, serial ports (2), IR connector, USB connectors (2)
FLASH TECH, INC.
Pentium
SL-52D2
32-bit PCI slots (4), floppy drive interface, green PC connector, IDE interfaces (2), parallel port, PS/2 mouse port, serial ports (2), cache slot, IR connector, USB connectors (2)
FLASH TECH, INC.
Pentium
SL-52E2
32-bit PCI slots (4), floppy drive interface, green PC connector, IDE interfaces (2), parallel port, PS/2 mouse port, serial ports (2), cache slot, IR connector, USB connectors (2)
FLASH TECH, INC.
Pentium
SL-53A2, SL-53A5
32-bit PCI slots (4), floppy drive interface, IDE interfaces (2), parallel port, PS/2 mouse port, serial ports (2), USB connector (2), green PC connector
FLASH TECH, INC.
Pentium
SL-53D2, SL-53D5
32-bit PCI slots (4), floppy drive interface, green PC connector, IDE interfaces (2), parallel port, PS/2 mouse port, serial ports (2), IR connector, USB connector
FLASH TECH, INC.
Pentium
SL-53E5
32-bit PCI slots (3), floppy drive interface, IDE interfaces (2), parallel port, PS/2 mouse port, serial ports (2), USB connector, IR connector, green PC connector
FLASH TECH, INC.
Pentium
SL-54A2-S, SL-54A5-S
32-bit PCI slots (4), floppy drive interface, green PC connector, IDE interfaces (2), parallel port, PS/2 mouse port, serial ports (2), IR connector, USB connector
FLASH TECH, INC.
Pentium
SL-54P2, P5, R2, R5, S2, S5
32-bit PCI slots (4), floppy drive interface, green PC connector, IDE interfaces (2), parallel port, PS/2 mouse interface, serial ports (2), IR connector, USB connector, ATX power connector
FLASH TECH, INC.
Pentium
SL-54T5
32-bit PCI slots (3), floppy drive interface, IDE interfaces (2), parallel port, PS/2 mouse interface, serial ports (2), IR connector, USB connector (2), ATX power connector
FLASH TECH, INC.
Pentium
SL-54U5, SL-54U1
32-bit PCI slots (3), floppy drive interface, IDE interfaces (2), parallel port, PS/2 mouse connector, serial ports (2), USB connector (2), IR connector, AGP slot, ATX power connector
FLASH TECH, INC.
Pentium
SL-55A2, SL-55A5
32-bit PCI slots (4), floppy drive interface, green PC connector, IDE interfaces (2), parallel port, PS/2 mouse port, serial ports (2), cache slot, IR connector, USB connectors (2), ATX power connector, soft on power connector
FLASH TECH, INC.
Pentium
SL-56A2, SL-56A5
32-bit PCI slots (4), floppy drive interface, green PC connector, IDE interfaces (2), parallel port, PS/2 mouse port, serial ports (2), IR connector, USB connector, ATX power connector
FLASHTECH
Pentium
SL-54A2
32-bit PCI slots (4), floppy drive interface, green PC connector, IDE interfaces (2), parallel port, PS/2 mouse port, serial ports (2), IR connector, USB connector
FONG KAI INDUSTRIAL, CO.
Pentium
SL-586V
32-bit PCI slots (3), floppy drive interface, green PC connector, IDE interfaces (2), parallel port, PS/2 mouse port, PS/2 mouse interface, serial ports (2), cache slot, IR connector, USB connectors (2)
FONG KAI INDUSTRIAL, CO.
Pentium
SL-586VT
32-bit PCI slots (4), floppy drive interface, green PC connector, IDE interfaces (2), parallel port, PS/2 mouse port, PS/2 mouse interface, serial ports (2), cache slot, IR connector, USB connectors (2)
FONG KAI INDUSTRIAL, CO.
Pentium
SL-586VT-II
32-bit PCI slots (4), floppy drive interface, green PC connector, IDE interfaces (2), parallel port, PS/2 mouse port, PS/2 mouse interface, serial ports (2), cache slot, IR connector, USB connectors (2)
FONG KAI INDUSTRIAL, INC.
Pentium
SL586V-PLUS
32-bit PCI slots (4), floppy drive interface, green PC connector, IDE interfaces (2), parallel port, PS/2 mouse port, PS/2 mouse interface, serial ports (2), cache slot, IR connector, USB connectors (2)
FORCOM TECHNOLOGY CORPORATION
Pentium
FT-1508A
Floppy drive interface, green PC connector, IDE interfaces (2), parallel port, PS/2 mouse interface, serial ports (2), VGA feature connector, VGA port, riser slot, IR connector, USB connectors (2)
FORCOM TECHNOLOGY CORPORATION
Pentium
FT-1509L
Floppy drive interface, green PC connector, IDE interfaces (2), parallel port, PS/2 mouse port, serial ports (2), VGA feature connector, VGA port, riser slot, IR connector, USB connectors (2)
FREE COMPUTER TECHNOLOGY, INC.
Pentium
586F43X
32-bit PCI slots (4), 32-bit VESA local bus slots (2)
FREE COMPUTER TECHNOLOGY, INC.
Pentium
586F52
32-bit PCI slots (4), floppy drive interface, green PC connector, IDE interfaces (2), parallel port, serial ports (2)
FREE COMPUTER TECHNOLOGY, INC.
Pentium
586F54
32-bit PCI slots (4), green PC connector
FREE COMPUTER TECHNOLOGY, INC.
Pentium
586F56 (VER 1.0)
32-bit PCI slots (4), floppy drive interface, green PC connector, IDE interfaces (2), parallel port, PS/2 mouse interface, serial ports (2), IR connector, VRM connector
FREE COMPUTER TECHNOLOGY, INC.
Pentium
586F56 (VER 2.0) 586F60 (VER 2.0)
32-bit PCI slots (4), floppy drive interface, green PC connector, IDE interfaces (2), parallel port, PS/2 mouse interface, serial ports (2), IR connector, VRM connector
FREE COMPUTER TECHNOLOGY, INC.
Pentium
586F61
32-bit PCI slots (3), floppy drive interface, green PC connector, IDE interfaces (2), parallel port, PS/2 mouse port, serial ports (2), cache slot, IR connector, VRM connector
FREE COMPUTER TECHNOLOGY, INC.
Pentium
586F61-PB
32-bit PCI slots (3), floppy drive interface, green PC connector, IDE interfaces (2), parallel port, PS/2 mouse port, serial ports (2), cache slot, IR connector, VRM connector
FREE COMPUTER TECHNOLOGY, INC.
Pentium
586F62T
32-bit PCI slots (3), floppy drive interface, green PC connector, IDE interfaces (2), parallel port, PS/2 mouse interface, serial ports (2), cache slot, IR connector, USB connector
FREE COMPUTER TECHNOLOGY, INC.
Pentium
586F63
32-bit PCI slots (3), floppy drive interface, green PC connector, IDE interfaces (2), parallel port, PS/2 mouse interface, serial ports (2), cache slot, IR connector, USB connector
FREE COMPUTER TECHNOLOGY, INC.
Pentium
586F63T
32-bit PCI slots (3), floppy drive interface, green PC connector, IDE interfaces (2), parallel port, PS/2 mouse interface, serial ports (2), cache slot, IR connector, USB connector
FREE COMPUTER TECHNOLOGY, INC.
Pentium
P5F65
32-bit PCI slots (2), floppy drive interface, green PC connector, IDE interfaces (2), parallel port, PS/2 mouse interface, serial ports (2), VGA feature connector, VGA interface, IR connector
FREE COMPUTER TECHNOLOGY, INC.
Pentium
P5F72
32-bit PCI slots (4), floppy drive interface, green PC connector, IDE interfaces (2), parallel port, PS/2 mouse port, serial ports (2), IR connector, USB connector, ATX power connector, soft off power supply
FREE COMPUTER TECHNOLOGY, INC.
Pentium
P5F76
32-bit PCI slots (4), floppy drive interface, green PC connector, IDE interfaces (2), parallel port, PS/2 mouse interface, serial ports (2), IR connector, USB connector
FREE COMPUTER TECHNOLOGY, INC.
Pentium
P5F78
32-bit PCI slots (5), floppy drive interface, IDE interfaces (2), parallel port, PS/2 mouse port, serial ports (2), IR connector, USB connectors (2), ATX power connector
FREE COMPUTER TECHNOLOGY, INC.
Pentium
P5F79
32-bit PCI slots (5), floppy drive interface, IDE interfaces (2), parallel port, PS/2 mouse interface, serial ports (2), IR connector, USB connector, ATX power connector
FREE COMPUTER TECHNOLOGY, INC.
Pentium
P5F83
32-bit PCI slots (4), floppy drive interface, green PC connector, IDE interfaces (2), parallel port, PS/2 mouse interface, serial ports (2), IR connector, USB connector
FREE COMPUTER TECHNOLOGY, INC.
Pentium
P5F84
32-bit PCI slots (4), floppy drive interface, IDE interfaces (2), parallel port, PS/2 mouse interface, serial ports (2), IR connector, USB connector, ATX power connector
FREE COMPUTER TECHNOLOGY, INC.
Pentium
P5F85
32-bit PCI slots (4), floppy drive interface, IDE interfaces (2), parallel port, PS/2 mouse interface, serial ports (2), IR connector, USB connector, ATX power connector
FREE COMPUTER TECHNOLOGY, INC.
Pentium
P5F87
32-bit PCI slots (4), floppy drive interface, IDE interfaces (2), parallel port, PS/2 mouse interface, serial ports (2), IR connector, USB connector, ATX power connector
FREE COMPUTER TECHNOLOGY, INC.
Pentium
P5F88
32-bit PCI slots (4), floppy drive interface, IDE interfaces (2), parallel port, PS/2 mouse port, serial ports (2), IR connector, USB connectors (2), AGP slot, wake on LAN connector
FREE COMPUTER TECHNOLOGY, INC.
Pentium
P5F93
32-bit PCI slots (3), floppy drive interface, IDE interfaces (2), parallel port, PS/2 mouse interface, serial ports (2), IR connector, USB connector
FREE COMPUTER TECHNOLOGY, INC.
Pentium
PENTIUM PCI
32-bit PCI slots (4)
FREE COMPUTER TECHNOLOGY, INC.
Pentium
PENTIUM PCI (REV. 1)
32-bit PCI slots (3)
FREETECH CORPORATION
Pentium
P5F98A
32-bit PCI slots (3), floppy drive interface, game interface, IDE interfaces (2), parallel port, PS/2 mouse interface, serial ports (2), VGA feature connector, VGA port, IR connector, USB connector, ATX power connector, line in, line out, microphone
GEMLIGHT COMPUTER LTD.
Pentium
GMB-P57SAX (VER. 1.20)
32-bit PCI slots (4), CD-ROM interface (2), floppy drive interface, game port, IDE interfaces (2), parallel port, PS/2 mouse port, serial ports (2), VGA feature connector, VGA port, IR connector, USB connectors (2), wavetable connector, ATX power co
GEMLIGHT COMPUTER LTD.
Pentium
GMB-P57VPS (VER. 3.03)
32-bit PCI slots (4), floppy drive interface, IDE interfaces (2), parallel port, PS/2 mouse port, serial ports (2), serial port, USB connectors (2), IR connector
GEMLIGHT COMPUTER, INC.
Pentium
GMB-P58VPS (VER. 1.00)
GEMLIGHT COMPUTER, LTD
Pentium
GMB-P55IPS (VER. 1.10)
32-bit PCI slots (4), floppy drive interface, green PC connector, IDE interfaces (2), parallel port, PS/2 mouse interface, serial ports (2), IR connector, USB connectors (2), PS/2 mouse connector, PS/2 keyboard, keyboard connector
GEMLIGHT COMPUTER, LTD.
Pentium
GMB-P54SPS (VER. 2.00)
32-bit PCI slots (4), floppy drive interface, game interface, green PC connector, IDE interfaces (2), parallel port, serial ports (2)
GEMLIGHT COMPUTER, LTD.
Pentium
GMB-P55IPS (VER. 1.50)
32-bit PCI slots (4), floppy drive interface, green PC connector, IDE interfaces (2), parallel port, PS/2 mouse interface, serial ports (2), IR connector, USB connectors (2)
GEMLIGHT COMPUTER, LTD.
Pentium
GMB-P55IPS (VER. 1.50B)
32-bit PCI slots (4), floppy drive interface, green PC connector, IDE interfaces (2), parallel port, PS/2 mouse interface, serial ports (2), IR connector, USB connectors (2)
GEMLIGHT COMPUTER, LTD.
Pentium
GMB-P55IPS (VER. 1.52)
32-bit PCI slots (4), floppy drive interface, green PC connector, IDE interfaces (2), parallel port, PS/2 mouse interface, serial ports (2), IR connector, USB connectors (2)
GEMLIGHT COMPUTER, LTD.
Pentium
GMB-P56IPS (VER. 1.04)
16-bit ISA slots (3), 32-bit PCI slots (4), floppy drive interface, green PC connector, IDE interfaces (2), parallel port, PS/2 mouse interface, serial ports (2), cache slot, IR connector, USB connectors (2), PS/2 mouse, PS/2 keyboard,
GEMLIGHT COMPUTER, LTD.
Pentium
GMB-P56IPS (VER. 1.06)
32-bit PCI slots (4), floppy drive interface, green PC connector, IDE interfaces (2), parallel port, PS/2 mouse interface, serial ports (2), cache slot, IR connector, USB connectors (2)
GEMLIGHT COMPUTER, LTD.
Pentium
GMB-P56IPS (VER. 3.01)
32-bit PCI slots (4), floppy drive interface, green PC connector, IDE interfaces (2), parallel port, PS/2 mouse interface, serial ports (2), IR connector, USB connectors (2)
GEMLIGHT COMPUTER, LTD.
Pentium
GMB-P56IPS (VER. 3.02)
32-bit PCI slots (4), floppy drive interface, IDE interface, parallel port, PS/2 mouse port, serial ports (2), IR connector, green PC connector, PS/2 mouse interface, USB connectors (2)
GEMLIGHT COMPUTER, LTD.
Pentium
GMB-P56IPS (VER. 5.02)
32-bit PCI slots (4), floppy drive interface, IDE interface, parallel port, PS/2 mouse port, serial ports (2), IR connector, Green PC connector, USB connectors (2)
GEMLIGHT COMPUTER, LTD.
Pentium
GMB-P56SPC (VER. 1.10)
32-bit PCI slots (4), floppy drive interface, game port, IDE interface, parallel port, PS/2 mouse port, serial ports (2), VGA connector
GEMLIGHT COMPUTER, LTD.
Pentium
GMB-P56SPC (VER. 1.11)
32-bit PCI slots (4), CD-ROM connectors (2), floppy drive interface, green PC connector, IDE interfaces (2), parallel port, PS/2 mouse interface, serial ports (2), VGA feature connector, VGA interface, IR connectors (2), game interface
GEMLIGHT COMPUTER, LTD.
Pentium
GMB-P56VPS (VER. 1.10)
32-bit PCI slots (4), floppy drive interface, green PC connector, IDE interfaces (2), parallel port, PS/2 mouse interface, serial ports (2), IR connectors (2), USB connectors (2)
GEMLIGHT COMPUTER, LTD.
Pentium
GMB-P57IAA (VER. 1.00)
32-bit PCI slots (3), floppy drive interface, game/MIDI port, IDE interfaces (2), parallel port, PS/2 mouse port, serial ports (2), VGA port, USB connectors (2), ATX power connector, microphone in, line in, speaker out, AMC/VFC connector, TV out conn
GEMLIGHT COMPUTER, LTD.
Pentium
GMB-P57IAX (VER. 1.10)
32-bit PCI slots (4), floppy drive interface, IDE interfaces (2), parallel port, PS/2 mouse port, serial ports (2), IR connector, USB connectors (2), ATX power connector
GEMLIGHT COMPUTER, LTD.
Pentium
GMB-P57IAX (VER. 1.10)
32-bit PCI slots (4), floppy drive interface, IDE interfaces (2), parallel port, PS/2 mouse port, serial ports (2), IR connector, USB connectors (2), ATX power connector
GEMLIGHT COMPUTER, LTD.
Pentium
GMB-P57IAX (VER. 1.20)
32-bit PCI slots (4), floppy drive interface, IDE interfaces (2), parallel port, PS/2 mouse port, serial ports (2), IR connector, USB connectors (2), ATX power connector
GEMLIGHT COMPUTER, LTD.
Pentium
GMB-P57IAX (VER. 2.00)
32-bit PCI slots (4), floppy drive interface, IDE interfaces (2), parallel port, PS/2 mouse port, serial ports (2), IR connector, USB connectors (2), ATX power connector
GEMLIGHT COMPUTER, LTD.
Pentium
GMB-P57IPA (VER. 1.10)
Floppy drive interface, green PC connector, IDE interfaces (2), parallel port, PS/2 mouse port, serial ports (2), VGA feature connector, VGA port, IR connector, VRM connector, USB connector, ATX power connector, wavetable interface, CD-ROM audio (2
GEMLIGHT COMPUTER, LTD.
Pentium
GMB-P57IPA (VER. 1.20)
32-bit EISA slot, floppy drive interface, green PC connector, IDE interfaces (2), parallel port, PS/2 mouse port, serial ports (2), VGA feature connector, VGA port, wavetable connector, audio in - CD-ROM (2), audio connectors (2)
GEMLIGHT COMPUTER, LTD.
Pentium
GMB-P57IPS (VER. 2.01)
32-bit PCI slots (4), floppy drive interface, green PC connector, IDE interfaces (2), parallel port, PS/2 mouse interface, serial ports (2), IR connector, USB connectors (2)
GEMLIGHT COMPUTER, LTD.
Pentium
GMB-P57IPS (VER. 3.01)
32-bit PCI slots (4), floppy drive interface, green PC connector, IDE interfaces (2), parallel port, PS/2 mouse interface, serial ports (2), IR connector, USB connectors (2)
GEMLIGHT COMPUTER, LTD.
Pentium
GMB-P57IPS (VER. 3.03)
32-bit PCI slots (4), floppy drive interface, IDE interface, parallel port, PS/2 mouse port, serial ports (2)
GEMLIGHT COMPUTER, LTD.
Pentium
GMB-P57IPS (VER. 3.05)
32-bit PCI slots (4), floppy drive interface, green PC connector, IDE interfaces (2), parallel port, PS/2 mouse interface, serial ports (2), IR connector, USB connectors (2)
GEMLIGHT COMPUTER, LTD.
Pentium
GMB-P57IPS (VER. 5.01)
32-bit PCI slots (4), floppy drive interface, IDE interface (2), parallel port, PS/2 mouse port, serial ports (2), USB connector
GEMLIGHT COMPUTER, LTD.
Pentium
GMB-P57IPS (VER. 5.01)
32-bit PCI slots (4), floppy drive interface, IDE interface (2), parallel port, PS/2 mouse port, serial ports (2), USB connector
GEMLIGHT COMPUTER, LTD.
Pentium
GMB-P57IPS (VER. 5.02)
32-bit PCI slots (4), floppy drive interface, IDE interfaces (2), parallel port, PS/2 mouse port, serial ports (2), IR connector, USB connectors (2)
GEMLIGHT COMPUTER, LTD.
Pentium
GMB-P57IPS (VER. 5.03)
32-bit PCI slots (4), floppy drive interface, IDE interfaces (2), parallel port, PS/2 mouse port, serial ports (2), IR connector, USB connectors (2)
GEMLIGHT COMPUTER, LTD.
Pentium
GMB-P57IPS (VER. 5.11)
32-bit PCI slots (4), floppy drive interface, IDE interfaces (2), parallel port, PS/2 mouse port, serial ports (2), IR connector, USB connectors (2)
GEMLIGHT COMPUTER, LTD.
Pentium
GMB-P57IPS (VER. 5.11)
32-bit PCI slots (4), floppy drive interface, IDE interfaces (2), parallel port, PS/2 mouse port, serial ports (2), IR connector, USB connectors (2)
GEMLIGHT COMPUTER, LTD.
Pentium
GMB-P57SAX (VER. 1.10)
32-bit PCI slots (4), floppy drive interface, game port, IDE interfaces (2), parallel port, PS/2 mouse port, serial ports (2), IR connector, USB connectors (2), ATX power connector, wavetable connector, microphone in, line in, speaker out
GEMLIGHT COMPUTER, LTD.
Pentium
GMB-P58VAX (VER. 1.10)
32-bit PCI slots (4), floppy drive interface, game port, IDE interfaces (2), parallel port, PS/2 mouse port, serial ports (2), ATX power connector, AGP slot, USB connectors (2), wavetable connector, audio in - CD-ROMs (2), microphone in, speaker out
GEMLIGHT COMPUTER. LTD.
Pentium
GMB-P57IAA (VER. 1.10)
32-bit PCI slots (3), floppy drive interface, game/MIDI port, IDE interfaces (2), parallel port, PS/2 mouse port, serial ports (2), VGA port, USB connectors (2), ATX power connector, microphone in, line in, speaker out, AMC/VFC connector, TV out conn
GEMLIGHT COMPUTERS LTD.
Pentium
GMB-P57VPS (VER. 3.02)
32-bit PCI slots (4), floppy drive interface, IDE interfaces (2), parallel port, PS/2 mouse port, serial ports (2), serial port, USB connectors (2), IR connector
GENOA SYSTEMS CORPORATION
Pentium
P100-I/O
32-bit PCI slots (4), floppy drive interface, IDE interfaces (2), parallel port, PS/2 mouse port, serial ports (2)
GENOA SYSTEMS CORPORATION
Pentium
PLATINUM 586TX
32-bit PCI slots (5), floppy drive interface, green PC connector, IDE interfaces (2), parallel port, PS/2 mouse port, serial ports (2), IR connector, USB connectors (2), ATX power connector
GENOA SYSTEMS CORPORATION
Pentium
TURBOEXPRESS 586 VX (ATX VERSION)
32-bit PCI slots (4), floppy drive interface, green PC connector, IDE interfaces (2), parallel port, PS/2 mouse port, serial ports (2), IR connector, USB connectors (2), ATX power connector
GENOA SYSTEMS CORPORATION
Pentium
TURBOEXPRESS 586-FX
32-bit PCI slots (3), floppy drive interface, green PC connector, IDE interfaces (2), parallel port, PS/2 mouse port, serial ports (2), cache slot, IR connector, VRM connector
GENOA SYSTEMS CORPORATION
Pentium
TURBOEXPRESS 586-HX
32-bit PCI slots (3), floppy drive interface, green PC connector, IDE interfaces (2), parallel port, PS/2 mouse interface, serial ports (2), cache slot, IR connector, USB connector, VRM connector
GENOA SYSTEMS CORPORATION
Pentium
TURBOEXPRESS 586-VX
32-bit PCI slots (3), floppy drive interface, green PC connector, IDE interfaces (2), parallel port, PS/2 mouse interface, serial ports (2), cache slot, IR connector, USB connector
GENOA SYSTEMS CORPORATION
Pentium
TURBOEXPRESS 586PCI-4
32-bit PCI slots (4)
GENOA SYSTEMS CORPORATION
Pentium
TURBOEXPRESS 586TX LC
32-bit PCI slots (4), floppy drive interface, IDE interfaces (2), parallel port, PS/2 mouse interface, serial ports (2), IR connector, USB connector, ATX power connector, SMM connector
GENOA SYSTEMS CORPORATION
Pentium
TURBOEXPRESS 586TX LC ATX
32-bit PCI slots (4), floppy drive interface, IDE interfaces (2), parallel port, PS/2 mouse interface, serial ports (2), IR connector, USB connector, ATX power connector, SMM connector
GENOA SYSTEMS CORPORATION
Pentium
TURBOEXPRESS 586TX-BABY AT
32-bit PCI slots (5), floppy drive interface, IDE interfaces (2), parallel port, PS/2 mouse interface, serial ports (2), IR connector, USB connector, ATX power connector
GENOA SYSTEMS CORPORATION
Pentium
TURBOEXPRESS 586VX PRO
32-bit PCI slots (4), floppy drive interface, green PC connector, IDE interfaces (2), parallel port, PS/2 mouse interface, serial ports (2), IR connector, USB connector
GESPAC
Pentium
PCISYS-56
IDE interface, PC/104 connectors (2)